Finding Instantaneous UL and iL After Commutation for Transients (LC) Physics

  • Thread starter Thread starter builder_user
  • Start date Start date
  • Tags Tags
    Physics
Click For Summary

Homework Help Overview

The discussion revolves around finding the instantaneous voltage across the inductor (UL) and the current through the inductor (iL) after a switch commutation in an LC circuit. Participants are exploring the behavior of the circuit elements before and after the switch is closed, particularly focusing on the initial conditions and transient responses.

Discussion Character

  • Exploratory, Conceptual clarification, Assumption checking

Approaches and Questions Raised

  • Participants discuss the assumptions regarding the circuit being in steady state before the switch closure, questioning the behavior of the capacitor and inductor during this transition. There are inquiries about the use of Laplace transforms and differential equations to analyze the circuit's response.

Discussion Status

The discussion is active, with participants providing insights into the initial conditions of the circuit elements and the implications of closing the switch. Some participants suggest methods for analyzing the circuit, while others seek clarification on the assumptions and calculations needed to determine the voltage and current values.

Contextual Notes

There are mentions of potential ambiguities in the problem setup, such as the specification of component values and units. Participants are also considering the implications of the circuit configuration on the calculations required for the analysis.

builder_user
Messages
196
Reaction score
0

Homework Statement


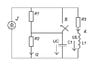
Find instanteous UL, iL after commutation
Type of commutation - switch key

Homework Equations





The Attempt at a Solution


J=4*K1
L1=1mH*K2
C1=10mkF8*K2
R1=4*K3
R2=4*K3
R3=2*K3
K1=1.2
K2=0.7
K3=1

How to make it?
 

Attachments

  • 7.JPG
    7.JPG
    11.2 KB · Views: 425
Physics news on Phys.org


before commutation
Uc1(0_)=Uc1(0+)=0
UL1(0_UL1(0+)=0?
 


MisterX said:
I assume you should assume that the circuit is in steady state before the switch is closed.

If that is the case, no current will flow through the capacitor, and the inductor will be like a short circuit.
It means that all circuit will have only resistors?Ok.
After I'll find U on the capacitor and current through the inductor what to do next?
 


I assume you should assume that the circuit is in steady state before the switch is closed.

If that is the case, no current will flow through the capacitor, and the inductor will be like a short circuit.

Solve that resistor network and get the voltage on the capacitor and the current through the inductor. Do these quantities change instantaneously? You should be able to get the instantaneous values at the moment of switch closure this way.

You could use the Laplace transform of the circuit after the switch is closed to get the transients.
 


MisterX said:
You could use the Laplace transform of the circuit after the switch is closed to get the transients.

How?
 


builder_user said:

The Attempt at a Solution


J=4*K1
L1=1mH*K2
C1=10mkF8*K2
:
:
Is that 8 a typo, or is it really 8*K2 ? These problems with the "K" constants seem a bit odd. Why not just specify the component values and be done with it? Also, are we to take the resistance values to have implied Ohms units? (the capacitors and inductors have specified millihenries and microfarads). The current, too, lacks explicit specification for units. Do we assume Amps and not milliamps?
 
Last edited by a moderator:


gneill said:
Is that 8 a typo, or is it really 8*K2 ? These problems with the "K" constants seem a bit odd. Why not just specify the component values and be done with it? Also, are we to take the resistance values to have implied Ohms units? (the capacitors and inductors have specified millihenries and microfarads). The current, too, lacks explicit specification for units. Do we assume Amps and not milliamps?

10mkF*K2

Before commutation and after inductor Ul(0).But what's happen with capacitor?After commutation it seems that there is no current in his circuit.
 
  • #10


It's the last task.
What's happen with capacitor?

I need to find Thevenin equivavalent before and after commutation right?
 
Last edited:
  • #11


builder_user said:
It's the last task.
What's happen with capacitor?

I need to find Thevenin equivavalent before and after commutation right?

The capacitor will have some initial voltage on it when the switch is closed. The inductor will be carrying some initial current.

Are you required to find U(t) and i(t) for the inductor in the problem, or just the initial values after the switch closes? Otherwise, since there's both L and C in the circuit there will probably be some oscillation after the switch closes; you might have to deal with damped oscillation (second order differential equation rather than first order).

You can probably skip finding the Thevenin equivalent for the 'before' circuit if you can determine the voltage on the capacitor and current through the inductor before the switch is closed.
 
  • #12


gneill said:
The capacitor will have some initial voltage on it when the switch is closed. The inductor will be carrying some initial current.

Are you required to find U(t) and i(t) for the inductor in the problem, or just the initial values after the switch closes? Otherwise, since there's both L and C in the circuit there will probably be some oscillation after the switch closes; you might have to deal with damped oscillation (second order differential equation rather than first order).

You can probably skip finding the Thevenin equivalent for the 'before' circuit if you can determine the voltage on the capacitor and current through the inductor before the switch is closed.

The same task as in previous topic.But for circuits with capacitor and inductor.Before "switch is closed" in the circuit will be capacitor and inductor?Or only capacitor?
 
Last edited:
  • #13


Before the switch is closed:

The capacitor will be charged to some constant value, it will be passing no current.
The inductor will be passing some constant current, it will have no voltage drop.

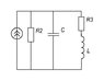
After the switch is closed:

The switch will short circuit R1, so R1 "disappears". This leaves R2, C1 and R3+L1 in parallel with the current source. C1 has its initial voltage from before, and L1 has its initial current from before.

So the question is, before the switch is closed, what is the voltage on C1 and the current through L1?
 
  • #14


The scheme for "before"?I forgot delete program' values...(
 

Attachments

  • before.JPG
    before.JPG
    9 KB · Views: 377
  • #15


After?
 

Attachments

  • after.JPG
    after.JPG
    6.6 KB · Views: 382
  • #16


The "after" circuit looks fine. Can you tell the capacitor voltage and inductor current from the first circuit?
 
  • #17


gneill said:
The "after" circuit looks fine. Can you tell the capacitor voltage and inductor current from the first circuit?

I...know it?Or I need to find it?
 
  • #18


builder_user said:
I...know it?Or I need to find it?

You should be able to calculate the steady state value of the voltage on the capacitor, and the steady state current flowing through the inductor before the switch is closed.

These are going to serve as initial conditions for after the switch is closed.
 
  • #19


gneill said:
You should be able to calculate the steady state value of the voltage on the capacitor, and the steady state current flowing through the inductor before the switch is closed.

Voltage on capacitor can be the same as voltage on R2
 
  • #20


Yes...
 
  • #21


gneill said:
Yes...

So R2 parrallel C and R1&&R2 parallel to J and to R&&L?
And I can delete C from the circuit?
 
  • #22


I'm not sure what your "&&" notation implies. But if you're trying to calculate the voltage on the capacitor, then notice that at steady state the capacitor "looks like" an open circuit and the inductor "looks like" a short circuit. So the current supply J will be split between the R1+R2 path and the R3 path. So it's a current divider situation.

i2 = J*R3/(R1 + R2 + R3)
 
  • #23


Before..?
 

Attachments

  • before.JPG
    before.JPG
    5.1 KB · Views: 390
  • #24


builder_user said:
Before..?

Yes. That's all the paths that are carrying current and making voltage drops.
 
  • #25


gneill said:
i2 = J*R3/(R1 + R2 + R3)

But R1&R2 have parallel connection with R3?
 
  • #26


That's right. It's a current divider.

Draw a circuit with a current supply I driving two parallel resistors, Ra and Rb. How does the current divide between the Ra path and the Rb path?

The parallel resistance is Ra*Rb/(Ra+Rb). So the voltage across the pair is V = I*Ra*Rb/(Ra+Rb). Thus, the current through, say, Ra, is V/Ra, which is I*Rb/(Ra+Rb).

Now go back to your circuit. One path has resistance R1+R2, while the other has resistance R3.
 
  • #27


gneill said:
That's right. It's a current divider.

Draw a circuit with a current supply I driving two parallel resistors, Ra and Rb. How does the current divide between the Ra path and the Rb path?

The parallel resistance is Ra*Rb/(Ra+Rb). So the voltage across the pair is V = I*Ra*Rb/(Ra+Rb). Thus, the current through, say, Ra, is V/Ra, which is I*Rb/(Ra+Rb).

Now go back to your circuit. One path has resistance R1+R2, while the other has resistance R3.

A...I understand.I thought that it was voltage across all circuit.But it is voltage on R1+R2.I can find current by dividing U/R1+R2. Then I can find voltage on R2 and voltage on capacitor right?
 
  • #28


I found UR2.what's next?
 
  • #29


Find the current in the inductor. You can use the same voltage divider method; it's the current through R3 this time.
 
  • #30


Done.What's next?
 

Similar threads

  • · Replies 70 ·
3
Replies
70
Views
8K
  • · Replies 63 ·
3
Replies
63
Views
8K
  • · Replies 2 ·
Replies
2
Views
4K
  • · Replies 2 ·
Replies
2
Views
3K