What is the instantaneous value of UL after commutation?

  • Thread starter Thread starter builder_user
  • Start date Start date
  • Tags Tags
    Physics
Click For Summary

Homework Help Overview

The discussion revolves around finding the instantaneous value of UL after commutation in a circuit involving inductors and resistors. The participants are exploring the implications of commutation on circuit behavior, particularly focusing on the inductor's response during the transition between states.

Discussion Character

  • Exploratory, Assumption checking, Problem interpretation

Approaches and Questions Raised

  • Participants discuss the conditions before and after commutation, questioning the behavior of current and voltage across components like resistors and inductors. There are inquiries about the definitions and differences between classical and operator methods for solving the problem.

Discussion Status

The discussion is ongoing with various interpretations being explored. Some participants have offered insights into the behavior of inductors during commutation and the concept of Norton equivalents, while others are seeking clarification on the methods and the specific calculations needed for the problem.

Contextual Notes

There are mentions of potential confusion regarding the definitions of classical and operator methods, as well as the need to derive equivalent circuits for different states of the circuit. Some participants express uncertainty about the initial conditions and the role of the inductor before and after the switch is closed.

builder_user
Messages
196
Reaction score
0

Homework Statement



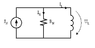
Find instantaneous value UL after commutation.

Homework Equations


type of commutation - switch key(I hope I've translated it correct)
Use operator method and classic method

The Attempt at a Solution


K1=1.2
K2=0.7
K3=1
J=8*K1
L=10*K1
R1=K2*8
R2=K2*8
R3=4*K3
R4=12*K3

I need to find UL in the moment of commutation?
 

Attachments

  • 6.JPG
    6.JPG
    8.3 KB · Views: 458
Last edited:
Physics news on Phys.org


I need to find UL in the moment of commutation?
It looks like that.
Even if it wasn't, find it.
 


Before commutation R1=0?

What to do with J?
 


Does current flow in R1 before commutation ? After ?

J is J... it's a current generator and it does its job.
 


Quinzio said:
Does current flow in R1 before commutation ? After ?
I don't know.

I think before commutation all currents and voltage was 0.

But what is the main algorithm at all for this task for classic method?
 
Last edited:


Is it only the voltage across the inductor immediately after commutation of the switch that is required? Not the voltage as a function of time?

I don't know exactly what is meant by "classical method" versus "operator method", unless the first wants a 'down and dirty' differential equation approach and the latter a Laplace transform approach or something along those lines.

Personally, I'd just recognize that the circuit is going to transition between two states, the first being the steady state before the switch is thrown, and the second the steady state that will eventually hold a long time after the switch is thrown. Throwing the switch will be like hitting the circuit with a step function in terms of change of current. The circuit has only L and R components, so it'll have a time constant.

It might be instructive to derive the Norton equivalents for the before and after states and see what the difference really is.

Things to keep in mind: Inductors "don't like" sudden changes in current, they'll happily react with any voltage they have to in order to try to maintain the status quo (at least very briefly!); So, constant current through the inductor over the instant of commutation. Also, when drawing up the post-switching event equivalent circuit, it's fair game to put a current source in series with the inductor that drives the same current as the inductor carried prior to the switch being thrown. This has the effect of carrying the previous state of the circuit along as the initial condition for the new one. That current has to go somewhere... and it won't be through the main current supply!
 


gneill said:
Is it only the voltage across the inductor immediately after commutation of the switch that is required? Not the voltage as a function of time?

I only have translated the task. I think the result need to be like this
u(t)=U0*(1*e^(t/T))

gneill said:
I don't know exactly what is meant by "classical method" versus "operator method", unless the first wants a 'down and dirty' differential equation approach and the latter a Laplace transform approach or something along those lines.

Yes
 
Last edited:


The main problem is
how to calculate circuit in every case(after,before,in the moment of commutation)
 


builder_user said:
The main problem is
how to calculate circuit in every case(after,before,in the moment of commutation)

You should be able to use what you know about the properties of inductors in DC circuits to determine the steady state conditions that will hold before switching and a "long time" after. Have you done that?
 
  • #10


Before comutation - L1 does not exist in the circuit 'cause there is not U?
After commutation UL exists right?

After commutation
U(t)=(Ur3+Ul(t)+Ur4)
because Ur2=Ur1=Ur3+UL(t)+Ur4?
 
Last edited:
  • #11


builder_user said:
Before comutation - L1 does not exist in the circuit 'cause there is not U?
After commutation UL exists right?

After commutation
U(t)=(Ur3+Ul(t)+Ur4)
because Ur2=Ur1=Ur3+UL(t)+Ur4?

When you say, "L1 does not exist in the circuit", you need to be a bit careful. At steady state in a DC powered circuit the voltage across an inductor will be zero, but it will be carrying current and storing energy in its magnetic field, so that when some change occurs to alter the circuit conditions that energy is available to generate counteracting voltages.

So just before the switch is closed UL will be zero and the current through the inductor will be, say, IL. When the switch is closed, the circuit will be driven towards a new steady state where IL will be different. The inductor wants to keep its current flowing at the IL rate, and "resists" the change of state by producing a voltage to try to keep it so.

Have you drawn the Norton equivalent circuits of the networks feeding the inductor for both steady states?
 
  • #12


gneill said:
Have you drawn the Norton equivalent circuits of the networks feeding the inductor for both steady states?

But before commutation I have only resistors and current source. I can only find the resitance of circuit.
 
  • #13


builder_user said:
But before commutation I have only resistors and current source. I can only find the resitance of circuit.

Exactly. Replace the whole resistor network and its current source with a single resistor and current source. Do it for the before- and after-switching steady states. You want to reduce it to the form shown in the attached figure.
 

Attachments

  • Fig17.gif
    Fig17.gif
    1.2 KB · Views: 505
  • #14


Will resistor R1 exist after commutation?
 
  • #15


builder_user said:
Will resistor R1 exist after commutation?

Yes, when the switch is closed R1 will be in parallel with R2.
 
  • #16


gneill said:
Yes, when the switch is closed R1 will be in parallel with R2.

And it will exist and in the state of rest too?
 
  • #17


builder_user said:
And it will exist and in the state of rest too?

Yes, but of course with the inductor paralleling it, at steady state it will draw no current since all the current will be passing through the inductor.

Don't worry too much about the details of the end states yet. Get the Norton equivalents drawn and then we'll examine the results.
 
  • #18


Is it wrong?
 

Attachments

  • jpgg.JPG
    jpgg.JPG
    16.6 KB · Views: 471
  • #19


Perhaps you're not familiar with Norton equivalents? Both before and after circuits should look just as I showed in post #13. Of course, the values for the resistor and the current source will differ for the two cases.

To find the Norton equivalent, temporarily remove the inductor from the circuit and also remove the current source. That will leave you with just the resistor network. Find the equivalent resistance of the resistor network looking into where the inductor was connected. Next, replace the current source and place a short circuit across where the inductor was connected. Find the current passing through that shorting wire.
Assign the resistance you found to RN in the equivalent circuit, and the current value you found to the new current supply of that equivalent.
 
  • #20


gneill said:
Perhaps you're not familiar with Norton equivalents?
Yes.I've never heard about it.Maybe in Russian it has another name.(Like Thevenin equivalent for example)

gneill said:
To find the Norton equivalent, temporarily remove the inductor from the circuit and also remove the current source. That will leave you with just the resistor network. Find the equivalent resistance of the resistor network
(R1*R3+R4*R1+R2*R1+R2*R3+R2*R4)/(R1*R2*(R3+R4)?
gneill said:
looking into where the inductor was connected. Next, replace the current source and place a short circuit across where the inductor was connected.
I don't understand.
gneill said:
Assign the resistance you found to RN in the equivalent circuit, and the current value you found to the new current supply of that equivalent.
When did I find it?I only have resistance of all circuit.
 
  • #21


Are you familiar with Thevenin equivalents then?
 
  • #22


gneill said:
Are you familiar with Thevenin equivalents then?

Yes,I am.(I think so).It was the first task in my work.
 
  • #23


builder_user said:
Yes,I am.(I think so).It was the first task in my work.

Excellent. Norton equivalents are just like Thevenin equivalents, only the source is a current rather than a voltage.

Proceed in the same way you would to find the Thevenin equivalent resistance. The Norton resistance is exactly the same.

To find the Thevenin voltage the procedure is to find the open-circuit voltage at the terminals. For the Norton current, you place a short circuit across the terminals and find the current running through it.

Alternatively, you can find the Thevenin equivalent model, and then the Norton current is given by the Thevenin voltage divided by the Thevenin resistance (as you can see, the Thevenin and Norton equivalents are closely related!).
 
  • #24


But when I want to find Thevenin equivalents I have this(pic.) thing where I want to find U.
But in my circut I do not have potential difference(?).I think I have to make some algorithm to make it more understandable.
 

Attachments

  • erereerr.JPG
    erereerr.JPG
    5.9 KB · Views: 414
Last edited:
  • #25


For the case before the switch is closed, you have the following circuit (minus the inductance) for which you want to find the Thevenin (and then the Norton) equivalent circuits. Can you find the open-circuit voltage for this network?
 

Attachments

  • Fig18.gif
    Fig18.gif
    2.2 KB · Views: 422
  • #26


gneill said:
For the case before the switch is closed, you have the following circuit (minus the inductance) for which you want to find the Thevenin (and then the Norton) equivalent circuits. Can you find the open-circuit voltage for this network?

I do not have enough equatations.even when I replace J with E I'll not have current.
One circuit but one equatation.
 
  • #27


Is it R3 and R4 that are confusing the issue? When the inductor is removed and the circuit is open as I showed, they are not part of complete circuits. So no current will flow though them. That also means that no voltage drop will occur across them. So the output voltage is the same as the voltage drop across R2.
 
  • #28


gneill said:
is it r3 and r4 that are confusing the issue? When the inductor is removed and the circuit is open as i showed, they are not part of complete circuits. So no current will flow though them. That also means that no voltage drop will occur across them. So the output voltage is the same as the voltage drop across r2.

u=j*r2?
 
  • #29


builder_user said:
u=j*r2?

Yes. That will be the Thevenin voltage. What did you get for the Thevenin resistance?
 
  • #30


gneill said:
Yes. That will be the Thevenin voltage. What did you get for the Thevenin resistance?

Don't understand the question.
R for resistors' circuit?
 

Similar threads

Replies
55
Views
5K
  • · Replies 6 ·
Replies
6
Views
3K
  • · Replies 16 ·
Replies
16
Views
4K
  • · Replies 3 ·
Replies
3
Views
2K
  • · Replies 15 ·
Replies
15
Views
2K
  • · Replies 63 ·
3
Replies
63
Views
8K
  • · Replies 4 ·
Replies
4
Views
3K
  • · Replies 1 ·
Replies
1
Views
3K
  • · Replies 1 ·
Replies
1
Views
3K
  • · Replies 6 ·
Replies
6
Views
10K