Finding vs in a Circuit with v2=1000i2 and i2=5 mA

  • Thread starter Thread starter KillerZ
  • Start date Start date
  • Tags Tags
    Circuit
Click For Summary

Homework Help Overview

The discussion revolves around a circuit problem where the relationship between voltages and currents is given, specifically v2 = 1000i2 and i2 = 5 mA. The original poster attempts to determine vs, the voltage across an independent voltage source.

Discussion Character

  • Exploratory, Assumption checking

Approaches and Questions Raised

  • Participants explore the implications of the given equations and question the meanings of symbols in the circuit diagram, particularly regarding the nature of vs and other components.

Discussion Status

Some participants provide interpretations of the circuit elements and their functions, while others express confusion about the diagram's symbols. There is an ongoing exploration of how the current's unit (mA vs A) might affect the calculations.

Contextual Notes

Participants note uncertainty regarding the circuit diagram's symbols and the role of the independent voltage source vs. There is also mention of potential assumptions about the circuit elements that may not be explicitly defined in the problem statement.

KillerZ
Messages
116
Reaction score
0

Homework Statement



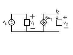
For the circuit shown, if v2 = 1000i2 and i2 = 5 mA, determine vs.

2ajqhhl.png


Homework Equations



[tex]5 mA = 0.005 A[/tex]
[tex]P = v_{2}i[/tex]

The Attempt at a Solution



[tex]P = v_{2}i[/tex]

[tex]v_{2} = \frac{P}{I} = \frac{5}{0.005} = 1000 V[/tex]

[tex]v_{2} = 5v_{1}[/tex]

[tex]v_{1} = \frac{v_{2}}{5} = \frac{1000}{5} = 200 V[/tex]

What I am having problems with is [tex]v_{s}[/tex] is a independent voltage source so I am not sure what to do.
 
Physics news on Phys.org
Hi Killer. I'd like to help but I don't understand the symbols in your diagram. What is the circle marked Vs - a voltage source or a Voltmeter? Are V1 and V2 meters? What about the diamond with an arrow?
 
Well that's all the question showed but I am certain that the circle marked Vs is a independent voltage source and the diamond with an arrow is a dependent source (voltage-controlled) and I think the squares are a circuit terminal elements I don't think it is important what they are just what way the current goes through them (like through the positive or negative side first to determine + or - current.
 
Very strange - I've never seen anything like it before.
Anyway, it says V2 = 1000*i2 and i2 = 5, so V2 = 5000.
V2 is supplied by the 5V1, so we have 5V1 = 5000 and V1 = 1000 Volts.
V1 is the connected across Vs, so Vs = V1 = 1000 Volts.
 
Ok. Would it matter if i2 is in mA not A or would that not effect it?
 
Good catch! Change my 5 to .005.
 
Ok thanks for the help.
 

Similar threads

Replies
42
Views
4K
  • · Replies 3 ·
Replies
3
Views
1K
  • · Replies 5 ·
Replies
5
Views
2K
Replies
49
Views
4K
Replies
1
Views
2K
  • · Replies 4 ·
Replies
4
Views
1K
  • · Replies 23 ·
Replies
23
Views
1K
Replies
6
Views
1K
Replies
6
Views
3K
Replies
4
Views
1K