Frequency domain and mesh currents

Click For Summary

Homework Help Overview

The discussion revolves around analyzing a circuit involving mesh currents and mutual inductance in the frequency domain. Participants are exploring the implications of the dot convention in relation to dependent sources and mutual inductance effects on circuit behavior.

Discussion Character

  • Exploratory, Assumption checking, Conceptual clarification

Approaches and Questions Raised

  • Participants discuss the transformation of circuit elements into the frequency domain and express uncertainty about finding mesh currents. Questions about the dot convention and its implications for polarity in mutual inductance are raised. There are attempts to clarify the relationship between currents and induced voltages in the circuit.

Discussion Status

Several participants are engaged in clarifying concepts related to mutual inductance and the dot convention. Some guidance has been offered regarding the setup of current controlled voltage sources and the importance of correctly identifying polarities. There is an ongoing exploration of how to properly account for mutual inductance in loop equations.

Contextual Notes

Participants are working under the constraints of homework rules, which may limit the information they can share or the depth of their explanations. There is a focus on understanding the implications of the dot convention and mutual inductance without providing complete solutions.

Cocoleia
Messages
293
Reaction score
4

Homework Statement


upload_2017-2-24_11-1-52.png


Homework Equations

The Attempt at a Solution


So far I was able to transform each element into the frequency domain:
upload_2017-2-24_11-2-46.png


I am just unsure how to work with the dots to find the mesh currents. Can someone explain? Thanks.
 
Physics news on Phys.org
Have you studied dependent sources?
In circuits with mutual inductance, you represent mutually induced emf using current controlled voltage source(s).
 
cnh1995 said:
Have you studied dependent sources?
In circuits with mutual inductance, you represent mutually induced emf using current controlled voltage source(s).
I believe we have studied this but I am definitely not clear on the subject.
 
Cocoleia said:
I believe we have studied this but I am definitely not clear on the subject.
Ok. Think about what the dot convention means here.
When the current "enters" a coil at the dot, the dotted terminal of the other coil becomes positive i.e.both the dots become positive (and negative) simultaneously.

You have assumed i2 "leaving" the dot of the 6H coil. What will be the polarity of the dot?
 
cnh1995 said:
Ok. Think about what the dot convention means here.
When the current "enters" a coil at the dot, the dotted terminal of the other coil becomes positive i.e.both the dots become positive (and negative) simultaneously.

You have assumed i2 "leaving" the dot of the 6H coil. What will be the polarity of the dot?
Negative since it is leaving ?
 
Cocoleia said:
Negative since it is leaving ?
Yes. So what is the polarity of the dot of the 8H coil? That would be the polarity of the mutual voltage induced in the 8H coil.i.e. the emf induced in 8H coil due to the current in the 6H coil. Add a current controlled voltage source in series with the 8H coil with the polarity you just found. Controlling current would be i2 for mutual emf in the 8H coil and i1-i2 for mutual emf in the 6H coil.
 
cnh1995 said:
Yes. So what is the polarity of the dot of the 8H coil? That would be the polarity of the mutual voltage induced in the 8H coil.i.e. the emf induced in 8H coil due to the current in the 6H coil. Add a current controlled voltage source in series with the 8H coil with the polarity you just found. Controlling current would be i2 for mutual emf in the 8H coil and i1-i2 for mutual emf in the 6H coil.
Would these be the two equations?
upload_2017-2-24_18-41-25.png
 
Your calculation of Zc is not correct. Zc should be of comparable magnitude to the other impedances in the circuit.

Your first loop equation does not include a mutual inductance term, and the signs for the currents flowing through the j200 inductor are not correct.

For your second loop you didn't account for I1's contribution to a mutual inductance term, and I2 should make two contributions (I2 flows through both inductors, hence though both dots).

I find that it can be helpful to re-draw the circuit with the mutual inductance inspired voltage sources inserted. Start out with them having their negative ends anchored to the dot of their inductor. Figure out their values by using labelled currents and the dots to assign appropriate signs (after which you can adjust the voltage source directions to eliminate negative terms if you wish), then write the loop equations. This way you can't drop terms if you do your KVL walks methodically around the loops.

upload_2017-2-24_19-8-49.png
 
  • Like
Likes   Reactions: Thomas Tucker, cnh1995 and Cocoleia
gneill said:
Your calculation of Zc is not correct. Zc should be of comparable magnitude to the other impedances in the circuit.

Your first loop equation does not include a mutual inductance term, and the signs for the currents flowing through the j200 inductor are not correct.

For your second loop you didn't account for I1's contribution to a mutual inductance term, and I2 should make two contributions (I2 flows through both inductors, hence though both dots).

I find that it can be helpful to re-draw the circuit with the mutual inductance inspired voltage sources inserted. Start out with them having their negative ends anchored to the dot of their inductor. Figure out their values by using labelled currents and the dots to assign appropriate signs (after which you can adjust the voltage source directions to eliminate negative terms if you wish), then write the loop equations. This way you can't drop terms if you do your KVL walks methodically around the loops.

View attachment 113697
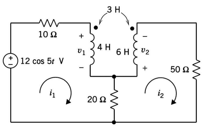
Thanks for such a complete answer. One more question. Can you always attach the mutual inductance voltage source by the negative end to the dot? For example in this circuit:
upload_2017-2-24_22-48-23.png

Would I attach it to the dot, or do I need to take into account the sign of V1 and V2 ?
 
  • #10
Attaching the negative end to the dot is just a convenient starting point. It follows the convention that a current flowing into one dot results in a current flowing out of the other dot, and really is just a matter of getting the sources in place without considering any details of the circuit currents. Once this is done it's up to you to define the mesh currents and then check whether they are flowing into or out of the dots. You assign signs to the voltage values on the sources accordingly.

upload_2017-2-24_23-24-52.png


You are of course free to reorient the polarities of the voltage sources as you like, provided that you change the signs of their values accordingly. In the end it's the currents flowing into or out of the dots that dictate the induced voltage polarities.

In your example i1 is flowing into the dot on the 4H inductor, and so the voltage source value attached to the other inductor gets a positive sign. i2, on the other hand is flowing out of the dot of the 6H inductor, so the voltage value assigned to the source on the 4H inductor gets a negative value.

The v1 and v2 shown in the diagram appear to be related to the potential drops caused by the mesh currents across the inductors (inductor impedances), or they're just labels for the net voltage across the inductor that you need to solve for with the indicated polarity being defined.
 
  • Like
Likes   Reactions: cnh1995

Similar threads

Replies
5
Views
2K
  • · Replies 4 ·
Replies
4
Views
6K
  • · Replies 1 ·
Replies
1
Views
4K
  • · Replies 3 ·
Replies
3
Views
2K
Replies
3
Views
1K
  • · Replies 9 ·
Replies
9
Views
2K
  • · Replies 3 ·
Replies
3
Views
9K
Replies
1
Views
1K
  • · Replies 8 ·
Replies
8
Views
2K
  • · Replies 14 ·
Replies
14
Views
7K