Mesh analysis with dependent sources

Click For Summary

Homework Help Overview

The discussion revolves around using mesh analysis to determine three currents in a circuit involving dependent sources. Participants are attempting to clarify their understanding of the relationships between voltage, current, and resistance in the context of the problem.

Discussion Character

  • Conceptual clarification, Assumption checking

Approaches and Questions Raised

  • Participants are questioning the formulation of voltage in relation to current and resistance, specifically discussing the expression Va = (I2-I3)/5 and its implications. There is an exploration of how voltage should be represented in the context of mesh analysis.

Discussion Status

Some participants have acknowledged errors in their reasoning regarding voltage calculations. There is an ongoing examination of the correct relationships between voltage, current, and resistance, with no explicit consensus reached yet.

Contextual Notes

Participants are working under the constraints of homework rules, which may limit the information they can share or the methods they can use. The discussion reflects a focus on understanding the principles of mesh analysis rather than providing direct solutions.

Cocoleia
Messages
293
Reaction score
4

Homework Statement



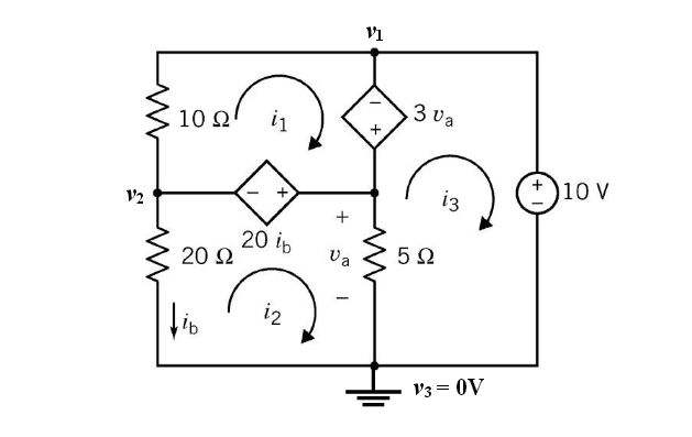
I need to use mesh analysis to find the three currents:
upload_2016-12-17_15-22-11.png

Homework Equations

The Attempt at a Solution


upload_2016-12-17_15-20-54.png

The answers are I1= -1.25A, I2=0.125A and I3 = 1.125A
I don't know where I messed up for I3
 
Physics news on Phys.org
Cocoleia said:

Homework Statement



I need to use mesh analysis to find the three currents:
View attachment 110493

Homework Equations

The Attempt at a Solution


View attachment 110491
The answers are I1= -1.25A, I2=0.125A and I3 = 1.125A
I don't know where I messed up for I3
How di you get Va = (I2-I3)/5 ?
 
nrqed said:
How di you get Va = (I2-I3)/5 ?
It should be multiplied
 
Cocoleia said:
from the 5Ω resistance
My point is that a voltage is a resistance times a current, it cannot be a current divided by a resistance
 
nrqed said:
My point is that a voltage is a resistance times a current, it cannot be a current divided by a resistance
Thank you I didn't realize my error
 

Similar threads

  • · Replies 3 ·
Replies
3
Views
2K
  • · Replies 9 ·
Replies
9
Views
2K
Replies
4
Views
1K
Replies
5
Views
2K
Replies
1
Views
1K
  • · Replies 8 ·
Replies
8
Views
2K
  • · Replies 9 ·
Replies
9
Views
3K
  • · Replies 7 ·
Replies
7
Views
2K
Replies
16
Views
2K
Replies
10
Views
3K