Gain bandwidth product from bode plot

Click For Summary

Discussion Overview

The discussion revolves around determining the gain bandwidth product (GBWP) from a Bode plot of a unity gain circuit. Participants explore the methodology for calculating GBWP based on the provided circuit and Bode plot, with a focus on the -3dB frequency.

Discussion Character

  • Homework-related, Technical explanation, Debate/contested

Main Points Raised

  • One participant asks how to find the gain bandwidth product from a Bode plot of a unity gain circuit.
  • Another participant suggests that the question appears to be a homework assignment due to its similarity to previous questions.
  • One participant states that gain bandwidth is the product of gain and the -3dB frequency, providing an example with a gain of 1 and a -3dB frequency of about 2MHz, leading to a GBWP of approximately 2MHz.
  • A different participant also claims that the gain bandwidth is the product of gain and -3dB frequency, but cites a -3dB frequency of about 370kHz for the same circuit, resulting in a GBWP of approximately 370kHz.
  • There is a disagreement regarding the -3dB point, with one participant asserting it is just over 2MHz while another insists it is around 370kHz, suggesting they may be looking at different attachments.
  • Participants express concern that the question may be a class assignment with slight modifications to prevent cheating, indicating a potential academic context.

Areas of Agreement / Disagreement

Participants disagree on the specific -3dB frequency values and thus the corresponding gain bandwidth products. There is no consensus on the correct values or the interpretation of the Bode plot.

Contextual Notes

Participants reference different interpretations of the Bode plot and circuit attachments, leading to uncertainty about the correct -3dB frequency. The discussion also highlights the potential for variations in assignment figures among students.

Sachinare
Messages
1
Reaction score
0
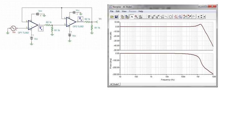
Can anyone tell me how to find the gain bandwidth product from bode plot of a unity gain circuit for the attached bode plot?
I hv attached the circuit and bode plot ...
 

Attachments

  • circuit and bode plot.jpg
    circuit and bode plot.jpg
    20.4 KB · Views: 1,300
  • transfer function.JPG
    transfer function.JPG
    7.2 KB · Views: 990
Physics news on Phys.org
Gain bandwidth is just the gain times the -3db frequency if it is a DC circuit from 0Hz to -3dB frequency.

In your case, your circuit has a gain of 1. Your -3db from the top graph is about 2Mhz, so the GBWP is about 2MHz.

Read the first link that UART show above, particular read my comment in the last post there. What school is this?
 
Last edited:
yungman said:
Gain bandwidth is just the gain times the -3db frequency if it is a DC circuit from 0Hz to -3dB frequency.

In your case, your circuit has a gain of 1. Your -3db from the top graph is about 370Khz, so the GBWP is about 370KHz.

You must be looking at a different attachment than me yungman. The -3dB point is shade over 2MHz and the gain of each op-amp is 2.

The numbers may have been changed slightly but this is basically the exact same question as the other poster gave. I'd say this is a class assignment and the instructor has changed the figures slightly for each group so as to minimize cheating.
 
uart said:
You must be looking at a different attachment than me yungman. The -3dB point is shade over 2MHz and the gain of each op-amp is 2.

The numbers may have been changed slightly but this is basically the exact same question as the other poster gave. I'd say this is a class assignment and the instructor has changed the figures slightly for each group so as to minimize cheating.

Ha ha, what? Look at my post again!:smile:

When I saw your comment and look quickly at the plot and schematic, I thought it's the same drawing. So I pulled up the numbers from before. But the message is the same. This is scary!
 

Similar threads

  • · Replies 1 ·
Replies
1
Views
3K
  • · Replies 4 ·
Replies
4
Views
2K
  • · Replies 9 ·
Replies
9
Views
5K
Replies
2
Views
2K
  • · Replies 1 ·
Replies
1
Views
2K
  • · Replies 3 ·
Replies
3
Views
3K
  • · Replies 4 ·
Replies
4
Views
1K
Replies
16
Views
3K
  • · Replies 22 ·
Replies
22
Views
3K
Replies
4
Views
2K