How to measure the reactive part of output impedance?

Click For Summary

Discussion Overview

The discussion focuses on methods to measure the reactive part of output impedance in a circuit, specifically exploring techniques using an oscilloscope and resistive loads. Participants discuss various approaches, challenges, and the mathematical framework involved in determining both the resistive and reactive components of output impedance.

Discussion Character

  • Exploratory
  • Technical explanation
  • Debate/contested
  • Mathematical reasoning

Main Points Raised

  • One participant outlines a method involving voltage division with two test resistances to derive equations for the resistive and reactive components of output impedance.
  • Another participant questions the goal of the measurement, suggesting that different objectives may lead to different optimal methods for determining output impedance.
  • Several participants mention the use of frequency response analyzers and the importance of perturbation in measurements, referencing established literature on the topic.
  • One participant expresses a need to complete a lab assignment using only an oscilloscope, prompting discussions about the feasibility of various measurement techniques with limited equipment.
  • Suggestions are made to use dual trace oscilloscopes to compare phase differences between voltages, with emphasis on the need to measure both the output voltage and the voltage across the test resistors simultaneously.
  • There is a proposal to use reactive loads in addition to resistive ones to gain further insights into the output impedance.
  • Some participants discuss the possibility of manipulating the test load and adjusting the frequency of the source to gather more data.
  • Concerns are raised about the inability to measure the source voltage directly, which complicates the phase comparison necessary for determining the nature of the reactance.

Areas of Agreement / Disagreement

Participants express a range of views on the methods to measure output impedance, with no consensus on a single approach. Some agree on the utility of dual trace oscilloscopes, while others propose alternative methods or raise concerns about the limitations of available equipment.

Contextual Notes

Participants note limitations related to the inability to measure the source voltage directly and the challenges of measuring phase differences without simultaneous access to both the output voltage and the source voltage.

Who May Find This Useful

This discussion may be useful for students and practitioners in electrical engineering or physics who are interested in measuring output impedance and exploring different methodologies for such measurements using basic equipment like oscilloscopes.

Abdullah Almosalami
Messages
49
Reaction score
15
Thread moved from the technical forums, so no Homework Template is shown
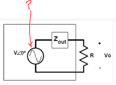
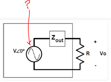
Given a sinusoidal voltage source attached to a load, like the following,

1.png


I want to get both the resistive ## R_o ## and the reactive ## X_o ## components of the output impedance ## R + jX_o ##. Measuring the open circuit voltage will give ##V##. If I connect a test resistance ##R_1## at the output, and measure the magnitude of the resulting voltage across it ##V_o1## with an oscilloscope, and then do the same again with another test resistance ##R_2## and its corresponding voltage magnitude ##V_o2##, then using the voltage division equations, I can obtain values for ##Ro## and ##Xo^2##, and to walk through the Math (note the ##\Rightarrow [X]## at the end of some of the lines are just to label the equations for easy reference):

Testing Resistance ##R_1##:
## V_{o1} = V * \frac {R_1} {R_1 + R_o + jX_o} \Rightarrow [1]##
## \Rightarrow R_1 + R_o + jX_o = R_1 * \frac {V} {V_o1} ##
(taking magnitude of both sides)
## \Rightarrow \sqrt {(R_1 + R_o)^2 + X_o^2} = R_1 * \frac {|V|} {|V_o1|}##
(squaring both sides)
## \Rightarrow (R_1 + R_o)^2 + X_o^2 = (R_1 * \frac {|V|} {|V_o1|})^2 \Rightarrow [2]##

Likewise with ##R_2##:
## (R_2 + R_o)^2 + X_o^2 = (R_2 * \frac {|V|} {|V_o1|})^2 \Rightarrow [3]##

Now subtracting both equations and getting ride of the ##X_o^2## term,
## (R_1 + R_o)^2 - (R_2 + R_o)^2 = (R_1 * \frac {|V|} {|V_o1|})^2 - (R_2 * \frac {|V|} {|V_o1|})^2 \Rightarrow [4]##
(expanding the two expressions on the LHS)
## R_1^2 + 2R_1R_o + R_o^2 - R_2^2 - 2R_2R_o - R_o^2 = (R_1 * \frac {|V|} {|V_o1|})^2 - (R_2 * \frac {|V|} {|V_o1|})^2 ##
(rewriting the ##R_1^2## and ##-R_2^2## terms as a difference of squares and factoring ##2R_o## from the other terms)
## (R_1 - R_2)(R_1 + R_2) + 2R_o(R_1 - R_2) = (R_1 * \frac {|V|} {|V_o1|})^2 - (R_2 * \frac {|V|} {|V_o1|})^2 ##
(dividing out ##(R_1 - R_2)## and ##2##)
## \frac {R_1 + R_2} {2} + R_o = \frac {1} {2(R_1 - R_2)} * (R_1 * \frac {|V|} {|V_o1|})^2 - (R_2 * \frac {|V|} {|V_o1|})^2 ##
(finally solving for ##R_o##)
## R_o = \frac {1} {2(R_1 - R_2)} * (R_1 * \frac {|V|} {|V_o1|})^2 - (R_2 * \frac {|V|} {|V_o1|})^2 - \frac {R_1 + R_2} {2} \Rightarrow[5]##

And then from either of the two original voltage division equations ##[2]## or ##[3]##, you can solve for ##X_o^2## to get the following:
## X_o^2 = (R_{1 or 2} * \frac {|V|} {|V_o1|})^2 - (R_{1 or 2} + R_o)^2 \Rightarrow [6]##

Now for ##X_o##, we can get the magnitude by taking the square root of ##[6]## but the sign could go either way. My thinking was, alright, calculate the current by using ## \frac {V_{1or2}} {R_{1or2}}## and then the phase of the current will indicate whether the output impedance is capacitive or inductive, but wait, we don't know the phase relative to the source, and there is no way of directly measuring both the ##Vo## and ##V## at the same time on a scope and seeing the phase difference with just the output terminals. And likewise to measure short circuit current and then divide the open circuit voltage by that doesn't work either, since they have to be measured at the same time, which is impossible. So, how can I determine the nature of the reactance of the output impedance?
 

Attachments

  • 1.png
    1.png
    4.2 KB · Views: 1,484
Physics news on Phys.org
What is your goal with this question? To calibrate an instrument? To understand your options in calibrating a measurement? To just understand some math?

Depending on your goal, there is probably an optimum method to find the Zout components with the minimum number of measurements...
 
  • Like
Likes   Reactions: anorlunda
There is a lot of information on the web about this type of measurement. Much of it is in relation to measuring the input and/or output impedance of power supplies.
The measurement can be done directly with a frequency response analyzer and a voltage and current probes attached to the output. There are some important details to get the analysis of the data right, but these are well described. All of this work follows from the work of R.D Middlebrook et. al.
All of these methods rely on some sort of perturbation of the port being measure with a signal source, because you may not have control of the perturbation from the D.U.T. or, as you pointed out, you may not be able to measure it.
For example, look at these sites (there are many others too):
http://ecee.colorado.edu/~ecen5797/course_material/Lecture26.pdf
http://www.deltartp.com/dpel/dpelconferencepapers/33.3_10275.pdf
https://venable.biz/tech-pubs/Source-Load Interactions in Multi-Unit Power Systems.pdf
 
  • Like
Likes   Reactions: Abdullah Almosalami
@berkeman My goal is to complete this as a lab assignment. All we have available to measure is an oscilloscope.

@DaveE Before I go through the papers you linked, is this possible with just an oscilloscope? I also am not familiar with a frequency response analyzer but I just pulled up a page to read through and see what it's about. Cool!
 
If you have a dual trace scope you can use two resistors in series. Use one channel to measure the output voltage of the generator and the other channel to measure the voltage drop across (current thru) one of the resistors. Then compare the phases.

Cheers,
Tom

EDIT: this could also be done using two single trace scopes as long as they trigger on the same signal.
 
Tom.G said:
If you have a dual trace scope you can use two resistors in series. Use one channel to measure the output voltage of the generator and the other channel to measure the voltage drop across (current thru) one of the resistors. Then compare the phases.

Cheers,
Tom

EDIT: this could also be done using two single trace scopes as long as they trigger on the same signal.
The assumption is you don't have access to the voltage from the generator. You need to simply use the output terminals of the load. As if you had access to just two wires come out of some mysterious black box that was generating some voltage for itself and you need to find out its output impedance.
 
Didn't you indicate you are supplying the testing resistances R1 and R2? I saw no restriction that the testing resistance could not be made up of two resistors.

Did I miss something?
 
Last edited:
If you have an oscilloscope with an input for both vertical and horizontal axes, connect the horizontal input to the source and the vertical input across the R. The resulting figure will tell you a lot.
 
Svein said:
If you have an oscilloscope with an input for both vertical and horizontal axes, connect the horizontal input to the source and the vertical input across the R. The resulting figure will tell you a lot.
I think the nearest OP can get to the "source" under load is going to be the voltage across R.
 
  • Like
Likes   Reactions: Abdullah Almosalami
  • #10
Tom.G said:
Didn't you indicate you are supplying the testing resistances R1 and R2? I saw no restriction that the testing resistance could not be made up of two resistors.

Did I miss something?
What I got from your suggestion was to compare the voltage source's waveform with the voltage across one of the resistors' waveform, and from that, I can get the phase difference, but the problem is I can't use the voltage source's waveform or measure it in any way. Unless I misunderstood what you said.
 
  • #11
Does your test load have to be a resistor? What if you also use a reactive load and compare the resulting amplitudes.
Or, can you adjust the frequency of the source (without changing it's amplitude) and repeat your measurement?
 
  • Like
Likes   Reactions: Abdullah Almosalami
  • #12
I took the block diagram in your first post meaning that "R" is your test resistance and everything inside the box is unknown and not accessible.
If this is the case, manipulate "R" in any way needed to get your data. You may even use some "L" or "C" in combination with "R" to get usable results.

Does that work?

I see DaveE and I had the same thought at the same time, but he typed faster.
 
  • Like
Likes   Reactions: Abdullah Almosalami
  • #13
If you can trigger the oscilloscope to show what happens during the transient when the load is added or removed you should be able to see the phase shift due to the output impedance.
 
  • Like
Likes   Reactions: Abdullah Almosalami and Tom.G
  • #14
Abdullah Almosalami said:
Now for XoXoX_o, we can get the magnitude by taking the square root of [6][6][6] but the sign could go either way. My thinking was, alright, calculate the current by using V1or2R1or2V1or2R1or2 \frac {V_{1or2}} {R_{1or2}} and then the phase of the current will indicate whether the output impedance is capacitive or inductive, but wait, we don't know the phase relative to the source

i think you'll have to connect a load that has some reactance.

Apply in turn equal ohms of capacitive then inductive reactance.
One should lower and the other raise Vout as it adds to or subtracts from the voltage drop across internal X.
 
  • Like
Likes   Reactions: Abdullah Almosalami and tech99
  • #15
jim hardy said:
i think you'll have to connect a load that has some reactance.

Apply in turn equal ohms of capacitive then inductive reactance.
One should lower and the other raise Vout as it adds to or subtracts from the voltage drop across internal X.
I think if you place an LC circuit in series with the load you can find everything.
First find Voc with no load. Then insert LC and RL.
At resonance the voltage across the load will be Voc (Rg)/(Rg+RL). This gives you generator resistance.
Then measure voltage across either L or C at resonance. This will give you the volt drop across the generator reactance when the current is determined by resistances only. I = Voc / (Rg + RL), and Vxg = I Xg.
I also think it can be done by placing a parallel resonant circuit across the load but the maths are a bit harder.


.
 
  • #16
tech99 said:
I think if you place an LC circuit in series with the load you can find everything.

It'd be difficult for me as a home experimenter to find the exact values needed for resonance
as i just have a junkbox full of old motor run capacitors to choose from. A lab is doubtless better equipped.

and a caution-- beware of voltage gain in series resonant circuits

but that approach has a certain elegance about it
and might even have a lesson about ferroresonance embedded in it !

old jim
 
  • Like
Likes   Reactions: Abdullah Almosalami and tech99
  • #17
I noticed a slight correction to what I said. At resonance, the reactance of the LC combination is numerically equal and opposite sign to the unknown reactance. So it is possible to measure the voltage across the external LC combination at resonance to find the unknown reactance. The sign of the reactance can be found by the direction in which LC has to be altered to obtain resonace when alone. Alternatively, by comparing the voltages across the external C and L.
I hope you will be told the approximate values, whether pF or Farads for instance!
 
  • Like
Likes   Reactions: Abdullah Almosalami and jim hardy
  • #18
jim hardy said:
i think you'll have to connect a load that has some reactance.

Apply in turn equal ohms of capacitive then inductive reactance.
One should lower and the other raise Vout as it adds to or subtracts from the voltage drop across internal X.
Honestly that seems so obvious and simple to me now, I should've just tried it right away! I'll see today what that gives me.
 
  • Like
Likes   Reactions: jim hardy
  • #19
@DaveE @jim hardy @tech99 your suggestions worked out, at least to say whether the output impedance was net capacitive or net inductive. I knew that the output impedance of the setup should be net capacitive (because that's what I built) and when I put an inductor on the output, it had a higher voltage amplitude than if I put a capacitor, so the net output impedance was capacitive and Xo would be the negative square root of my equation for ##X_o^2##.

For some reason, though, I get wildly different values for the magnitudes of ##R_o## and ##X_o## depending on what test resistors I used, and sometimes I get a negative value for ##X_o^2##, which would mean that there would be no reactive component (??). It might come down to inaccuracies in measurements and tolerances of the components, or I made errors in the procedure, but yeah. Definitely wildly different readings, and the net result I got was that the output resistance of my circuit was somewhere in the range of 300 to 1.5k and the output reactance somewhere in the range of -j400 to -j2k. The actual values should have been Ro = 1.066k and Xo = -436.=, so close enough?
 
  • #20
Abdullah Almosalami said:
The actual values should have been Ro = 1.066k and Xo = -436.=, so close enough?
i'd be guessing.

So you built something from real parts?

Where'd you buy the ideal voltage source ?

upload_2019-2-19_20-0-20.png


I need one...
 

Attachments

  • upload_2019-2-19_20-0-20.png
    upload_2019-2-19_20-0-20.png
    4.5 KB · Views: 951
  • Like
Likes   Reactions: Abdullah Almosalami, tech99 and Tom.G
  • #21
Abdullah Almosalami said:
@DaveE @jim hardy @tech99
For some reason, though, I get wildly different values for the magnitudes of ##R_o## and ##X_o## depending on what test resistors I used, and sometimes I get a negative value for ##X_o^2##, which would mean that there would be no reactive component (??).
Did you use a wirewound resistor? They need to be non inductive.
 
  • Like
Likes   Reactions: Abdullah Almosalami
  • #22
just a thought
Do you think you could be approaching resonance ?
Might voltage gain of a resonant circuit foil assumptions about voltage division ?

Increase series resistance somewhat to lower the Q and see if things change ?

old jim
 
  • Like
Likes   Reactions: Abdullah Almosalami
  • #23
jim hardy said:
i'd be guessing.

So you built something from real parts?

Where'd you buy the ideal voltage source ?

View attachment 239021

I need one...

Well, all this stuff is from parts in a university lab. The power supply was a function generator and I verified its values with the oscilloscope I used. Maybe the other components where a little off though. I did not verify their nominal values with a multimeter or anything.

Also, same. I would love one in my room. Get me a scope and a generator and I'll never leave my room haha.
 
  • #24
tech99 said:
Did you use a wirewound resistor? They need to be non inductive.
No, I believe the resistors I used are the basic typical "carbon film resistor."
2.png

However, I do think that perhaps the nominal values of the components were a little off, and perhaps the resistors did have higher than would be inductance and capacitance?
1.png

Anyways, at least the general idea did work, so exact values would be expected to be off.
 

Attachments

  • 2.png
    2.png
    19.4 KB · Views: 626
  • 1.png
    1.png
    7.6 KB · Views: 657
  • #25
jim hardy said:
just a thought
Do you think you could be approaching resonance ?
Might voltage gain of a resonant circuit foil assumptions about voltage division ?

Increase series resistance somewhat to lower the Q and see if things change ?

old jim
I am a little shaky on resonance to be honest, so I would have to come back to that. But I can say that I did try out various R combinations, and found that when I did try out a combination based on what I knew the actual output resistance and reactance should be, I did find that using a slightly higher resistance value made for more power indeed.
 
  • #26
Abdullah Almosalami said:
I get wildly different values for the magnitudes
Yes, that is why in practice people use more sophisticated instruments to make these measurements. The way to get good data is to inject a known signal into the circuit and measure the resulting perturbation at the frequency of the source using tracking narrow band voltmeters (essentially like lock-in amplifiers) to filter out unrelated noise. This also allows you to make small perturbations to the system, so it remains linear and operating in the same mode. This can also be done with network analyzers, which are much more expensive, but more common. The network analyzers don't work as well as frequency response analyzers because the receivers in them are too sensitive to large out of band noise, which is common in real world systems (power supplies, control systems etc.), they also tend not to work at low frequencies.
One thing you could try with your oscilloscope is to get a stable trigger on the source frequency and then set it to an averaging mode, this will make a low performance version of a lock-in amplifier and will give you a cleaner signal. Signals that aren't synchronous with the trigger source will tend to average out. You could also build a filter that is centered on the frequency of interest and put it between the measuring instrument and the circuit. It will, of course, also be part of the load impedance in the circuit.
 
  • Like
Likes   Reactions: Abdullah Almosalami
  • #27
DaveE said:
The way to get good data is to inject a known signal into the circuit and measure the resulting perturbation at the frequency of the source using tracking narrow band voltmeters (essentially like lock-in amplifiers) to filter out unrelated noise.
This also allows you to change the measurement frequency to get more data about how the impedance varies with frequency. Even with noisy data you can fit it to an impedance model over a range of frequencies.
 
  • #28
Abdullah Almosalami said:
I am a little shaky on resonance to be honest,
if you find a voltage greater than your open circuit reading you're probably seeing effect of resonance.
 
  • #29
It may be a bit out of date but your math has a mistake (I don't know if you solved it yet) but you use the same voltage Vo1 when you change from resistors R1 and R2 or whatever impedances you are considering - if they are not equal, which I think it is required you must consider different voltages when solving the equations.

cheers,
carlos
 
Last edited:
  • #30
Carlos Leitao said:
It may be a bit out of date but your math has a mistake (I don't know if you solved it yet) but you use the same voltage Vo1 when you change from resistors R1 and R2 or whatever impedances you are considering - if they are not equal, which I think it is required you must consider different voltages when solving the equations.

I was going to post that too. Also, if the source is hidden you'll have to do the measurement at multiple frequencies because otherwise the phase will have no reference time and you can't determine the imaginary part of the impedance. If you do it at multiple frequencies and multiple loads then you should be able to get enough equations to find all the coefficients in the output impedance.

Of course, if you only care about exactly one frequency, and there is no global timing reference to be concerned with, then I guess it doesn't matter too much.
 
  • Skeptical
Likes   Reactions: DaveE

Similar threads

  • · Replies 2 ·
Replies
2
Views
2K
  • · Replies 3 ·
Replies
3
Views
3K
  • · Replies 8 ·
Replies
8
Views
2K
  • · Replies 7 ·
Replies
7
Views
3K
  • · Replies 47 ·
2
Replies
47
Views
8K
Replies
13
Views
3K
  • · Replies 22 ·
Replies
22
Views
4K
  • · Replies 3 ·
Replies
3
Views
2K
Replies
18
Views
4K
  • · Replies 1 ·
Replies
1
Views
2K