Is Vab really equal to Van minus Vbn?

  • Thread starter Thread starter influx
  • Start date Start date
  • Tags Tags
    Basics
Click For Summary

Discussion Overview

The discussion centers around the relationship between the voltages Van, Vbn, and the potential difference Vab in electrical circuits, specifically addressing whether Vab is equal to Van minus Vbn or Van plus Vbn. The scope includes theoretical considerations and practical implications in DC circuits.

Discussion Character

  • Debate/contested
  • Technical explanation
  • Mathematical reasoning

Main Points Raised

  • One participant questions the equation Vab = Van - Vbn, suggesting that the potential difference should be Vab = Van + Vbn instead.
  • Another participant emphasizes the importance of the orientation of the '+' poles of the voltages Van and Vbn when analyzing the circuit.
  • Several participants illustrate the concept using examples from DC circuits, discussing potential differences in various cases.
  • There is a mention of two cases: one where the potential difference is calculated as Van + Vbn and another where it is Van - Vbn, prompting further clarification.
  • One participant asserts that the potential difference is consistently given by Vab = Van - Vbn, referencing the direction of the output arrow and the definitions of the voltages.
  • Another participant notes that the polarity of Vbn changes, affecting the outputs Vab in different circuit configurations.

Areas of Agreement / Disagreement

Participants express differing views on the correct formulation of the potential difference Vab, with some supporting Vab = Van - Vbn and others proposing Vab = Van + Vbn. The discussion remains unresolved, with multiple competing perspectives presented.

Contextual Notes

Participants reference specific cases in DC circuits to illustrate their points, but the assumptions underlying these cases and the definitions of the voltages are not fully clarified, leading to potential ambiguity in the discussion.

influx
Messages
162
Reaction score
1
vbn.png


Why is Vab = Van -Vbn? I'm doing this after a while so maybe I'm getting something basic wrong but surely the potential difference between lines A and B is the voltage drop across phase a (Van) plus (rather than minus) the voltage drop across phase b (Vbn)?? So Vab = Van + Vbn?

Thanks
 
Physics news on Phys.org
Notice orientations of '+' poles of source voltages Van and Vbn as you go through the loop a-n-b-a
 
zoki85 said:
Notice orientations of '+' poles of source voltages Van and Vbn as you go through the loop a-n-b-a
I thought it had something to do with the signs but I've kind of forgotten. Could you elaborate please?

Cheers
 
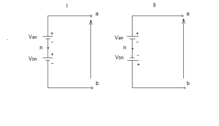
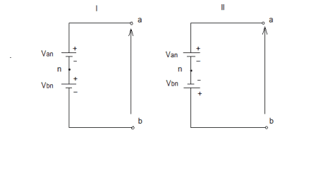
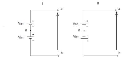
Ok let me illustrate this with DC circuits:
Untitledcbe56.png

Can you see the difference between case I and II ?
 
In a simple DC circuit, if one point is at +6 volts, and another point is at +6 volts, what is the potential difference between the two? Is it 12 volts, or is it zero?

If one point is at +6 volts and another is at -6 volts, what is the potential difference?

Do you add the readings, or do you subtract them?
 
zoki85 said:
Ok let me illustrate this with DC circuits:
Untitledcbe56.png

Can you see the difference between case I and II ?

Case I: Going from a to b is Van + Vbn ?
Case II: Going from a to b is Van - Vbn?
 
NascentOxygen said:
In a simple DC circuit, if one point is at +6 volts, and another point is at +6 volts, what is the potential difference between the two? Is it 12 volts, or is it zero?

If one point is at +6 volts and another is at -6 volts, what is the potential difference?

Do you add the readings, or do you subtract them?
The first is 0V
The second is 12V?

How does that apply to this problem?
 
influx said:
Case I: Going from a to b is Van + Vbn ?
Case II: Going from a to b is Van - Vbn?
:)
 
zoki85 said:
Ok let me illustrate this with DC circuits:
Untitledcbe56.png

Can you see the difference between case I and II ?
There is no difference. In either case the P.D. is given by the same equation.

Van is voltage at a referenced to n. Vbn is voltage at b referenced to n, that convention is clear.
So the P.D. is always Vab = Van - Vbn, and consistent with your output arrow direction.

Did you intend something different?
 
  • #10
Arrow denotes voltage Vab (missing in the drawings). Vbn changes polarity so the outputs Vab aren't same in both circuits
 
Last edited:

Similar threads

  • · Replies 3 ·
Replies
3
Views
3K
Replies
15
Views
3K
  • · Replies 9 ·
Replies
9
Views
2K
  • · Replies 4 ·
Replies
4
Views
2K
Replies
9
Views
1K
Replies
8
Views
3K
  • · Replies 10 ·
Replies
10
Views
2K
Replies
3
Views
3K
Replies
3
Views
3K
  • · Replies 7 ·
Replies
7
Views
2K