Kirchhoff's Voltage Law - Closed Loop?

Click For Summary

Homework Help Overview

The discussion revolves around applying Kirchhoff's Voltage Law (KVL) to a circuit analysis problem, specifically determining the voltage VC in a given network. The original poster expresses confusion regarding the representation of a closed loop in the circuit diagram provided in their textbook.

Discussion Character

  • Conceptual clarification, Assumption checking

Approaches and Questions Raised

  • The original poster attempts to understand why the circuit is considered a closed loop and questions the subtraction of VCC in the KVL equation. Other participants suggest that the battery is implied in the circuit diagram and discuss the necessity of a power supply for the circuit's operation.

Discussion Status

Participants are actively engaging with the original poster's confusion, providing insights about the implied components in the circuit. There is a recognition of differing interpretations of the circuit layout, and some guidance has been offered regarding the presence of a power supply.

Contextual Notes

There is an ongoing discussion about the assumptions made regarding the circuit's components, particularly the power supply, and how these assumptions affect the interpretation of the circuit diagram. The original poster's reference to textbook figures and the need for visual clarification indicates potential constraints in understanding the material.

JJBladester
Gold Member
Messages
281
Reaction score
2

Homework Statement



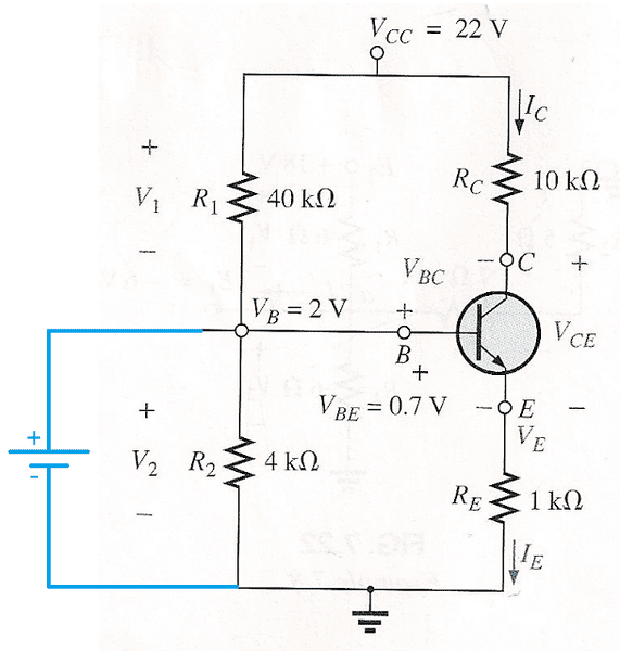
Determine VC for the network in Fig. 7.24 (left-hand image).

Example_7.9.png


Homework Equations



Kirchhoff's Voltage Law: The algebraic sum of the potential rises and drops around a closed path (or closed loop) is zero.

The Attempt at a Solution



This is an example problem in my book "Introductory Circuit Analysis" by Boylestad, 12th Ed., page 256. I understood KVL in the chapter on series dc circuits. There, closed loops were obvious.

My hangup with this question is I don't see how Fig. 7.25 represents a closed loop.

The book states:

[tex]V_{C}+V_{R_C}-V_{CC}=0[/tex]

Why are we subtracting VCC?

Can somebody post a Microsoft Paint drawing to show me how Fig. 7.25 is a closed loop?
 
Physics news on Phys.org
Look at the closed loops. They did not draw the battery, but it is there!

ehild
 

Attachments

  • transistorcirc.JPG
    transistorcirc.JPG
    22.4 KB · Views: 489
ehild said:
Look at the closed loops. They did not draw the battery, but it is there!

ehild

People like you are what make this site among the best on the 'net. You responded within minutes of my OP. Thank you.

So is there a rule of thumb that I can use when I run into this dilemma? What about the circuit told you that the battery was definitely hooked up as in your image? I mean, it would be feasible to draw the battery into the circuit a different way (as in below) and get a different result, right?

voltage.png
 
Your circuit is different from the original one. The emf of your battery is 2 V, Vcc =22 V can not be supplied with such an arrangement, without an additional battery.
The potential must be 22 V at the point shown with respect to the ground, which is at zero potential. That is the maximum potential shown: there must be a battery with that emf.
The real transistor circuits have some supply voltage, a battery. That is what I drew. The Base voltage is obtained by the voltage divider R1 and R2 in series. I know it because I have made a lot of such circuits...

ehild
 
Last edited:
OK, now I see it...

The branch you added to the left was there to begin with and it is the long-hand way of drawing in VCC. Correct?
 
I do not know what long-hand way is, :smile: but the battery was there. Maybe, not really a battery, but some other appliance for power supply: transformer connected to 230 V ac, with rectifier and stabiliser and so on, with output 22 V dc.

ehild
 

Similar threads

  • · Replies 16 ·
Replies
16
Views
3K
  • · Replies 2 ·
Replies
2
Views
5K
  • · Replies 1 ·
Replies
1
Views
2K
  • · Replies 6 ·
Replies
6
Views
3K
  • · Replies 12 ·
Replies
12
Views
3K
  • · Replies 10 ·
Replies
10
Views
2K
  • · Replies 2 ·
Replies
2
Views
4K
  • · Replies 6 ·
Replies
6
Views
2K
  • · Replies 16 ·
Replies
16
Views
4K
Replies
4
Views
2K