LR circuit in parallel, need someone to check answer

Click For Summary

Homework Help Overview

The discussion revolves around an LR circuit with a perfect inductor and resistors in parallel and series. The original poster seeks to determine the currents i1 and i2 at t=0 and as time approaches infinity after a switch is activated at t=0.

Discussion Character

  • Exploratory, Assumption checking, Problem interpretation

Approaches and Questions Raised

  • Participants discuss the behavior of the circuit at t=0 and t=∞, questioning the treatment of the inductor and the configuration of resistors. There are attempts to clarify the implications of the inductor's presence and the initial conditions of the circuit.

Discussion Status

The conversation is ongoing, with participants providing insights into the transient behavior of the inductor and its effect on current division in the circuit. Some guidance has been offered regarding the analysis of the circuit without the inductor for short-term behavior, while others express confusion about the implications of the inductor's role.

Contextual Notes

There is a noted lack of clarity regarding the initial conditions of the switch and the circuit's configuration, which has led to varying interpretations of the problem. Participants are encouraged to consider the inductor's behavior and the circuit's response over time.

Erik P
Messages
33
Reaction score
0

Homework Statement


S6owVy9.png

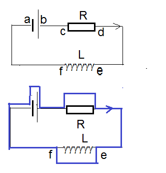
L is a perfect inductor with inductance L. The switch is turned on at t=0 and the currents i1 and i2 run trhough the circuit as indicated by the figure.

Homework Equations


Given this circuit I need to find i1 and i2 for t=0 and t => infinity.

The Attempt at a Solution


For i1 i figure it is simply an LR circuit so we can use the following:

\begin{equation}
I(t) = \frac{V}{R}(1 - e^{-\frac{Rt}{L}})
\end{equation}

Which becomes:

\begin{equation}
i_{1}(t) = \frac{\mathcal{E}}{R_0 + R_1}(1 - e^{-\frac{(R_0 + R_1)t}{L}})
\end{equation}

for t=0 i1 = 0 and for t => infinity i1 => E/(R0 + R1)

i2 is constant and is:

\begin{equation}
i_{2} = \frac{\mathcal{E}}{R_0 + R_2}
\end{equation}

Is this correct?
 
Last edited:
Physics news on Phys.org
You've still got R1 and R2 in parallel, and both of these are in series with R0.

In the short term, this circuit is going to act like L = 0, and I don't think that's what you have.
 
SteamKing said:
You've still got R1 and R2 in parallel, and both of these are in series with R0.

In the short term, this circuit is going to act like L = 0, and I don't think that's what you have.
Would you be so kind as to elaborate a bit on that? What kind of implication does this have? I'm a bit lost now.
 
Erik P said:
Would you be so kind as to elaborate a bit on that? What kind of implication does this have? I'm a bit lost now.
For the short term, pretend the inductor is not in the circuit and analyze it just with the three resistors present in order to find i1 and i2.
 
Erik P said:

Homework Statement


S6owVy9.png

L is a perfect inductor with inductance L.

Homework Equations


Given this circuit I need to find i1 and i2 for t=0 and t => infinity.

The Attempt at a Solution


For i1 , I figure it is simply an LR circuit so we can use the following:
\begin{equation}
I(t) = \frac{V}{R}(1 - e^{-\frac{Rt}{L}})
\end{equation}
Which becomes:
\begin{equation}
i_{1}(t) = \frac{\mathcal{E}}{R_0 + R_1}(1 - e^{-\frac{(R_0 + R_1)t}{L}})
\end{equation}
for t=0 i1 = 0 and for t => infinity i1 => E/(R0 + R1)

i2 is constant and is:
\begin{equation}
i_{2} = \frac{\mathcal{E}}{R_0 + R_2}
\end{equation}
Is this correct?
You have not given a complete description of the problem.

Is the switch open for a long time, then it's closed at t=0, or is it closed for a long time, then opened at t=0 ?

In either case, i2 is definitely not constant.
 
SammyS said:
You have not given a complete description of the problem.

Is the switch open for a long time, then it's closed at t=0, or is it closed for a long time, then opened at t=0 ?

In either case, i2 is definitely not constant.
I updated the question to reflect the full description. Sorry must have forgot some text when I copied it over from latex.

The switch is *CONNECTED* exactly at t=0, so it isn't connected at any time before.
 
Erik P said:
I updated the question to reflect the full description. Sorry must have forgot some text when I copied it over from latex.

The switch is opened exactly at t=0, so it isn't connected at any time before.
I think you mean the switch is open for a long time, then closed at t=0, thus completing the circuit through ##\ \mathscr{E} \ ## .
 
SammyS said:
I think you mean the switch is open for a long time, then closed at t=0, thus completing the circuit through ##\ \mathscr{E} \ ## .
yes
 
Think about inductor's behavior at t=0 and at t=∞. You can analyze the circuit by removing the inductor for t=0 and replacing it by a wire for t=∞.
 
  • #10
@Erik P ,
Are you familiar with Thevenin's Theorem ?
 
  • #11
SammyS said:
@Erik P ,
Are you familiar with Thevenin's Theorem ?
No, don't recall having had about that. Is the first part i1 correct or incorrect? I could see a possible solution for i2 as being the following, assuming i1 is correct:
\begin{equation}
V_2 = i_2(R_0 + R_2)
\end{equation}

\begin{equation}
V_1 = \mathcal{E}(e^{-\frac{(R_0 + R_1)t}{L}})
\end{equation}

\begin{equation}
V_1 = V_2
\end{equation}

\begin{equation}
\mathcal{E}(e^{-\frac{(R_0 + R_1)t}{L}}) = i_2(R_0 + R_2)
\end{equation}

\begin{equation}
i_2 = \frac{\mathcal{E}}{R_0 + R_2}(e^{-\frac{(R_0 + R_1)t}{L}})
\end{equation}

For t = 0, i2 is:

\begin{equation}
\frac{\mathcal{E}}{R_0 + R_2}
\end{equation}

for t => infinity, i2 => 0

This circuitry stuff really isn't a strong point for me :(
 
  • #12
If you want the currents as function of time, apply Kirchhoff rules, but take into account that the potential change along an inductor is UL=L dI/dt.

upload_2016-3-12_14-21-23.png

Write up the change of potential in both loops, along the red arrows. In the right loop, it is
-LdI1/dt -R1 I1 + R2 I2 =0.
What is the equation for the left loop?
You can eliminate I2, and you get a differential equation for I1 as function of time.
In case you need the currents at t=0 and t--->infinity only, think about the inductor. When you get induced voltage across it?
What is I1 through the inductor when the switch gets closed? What is the voltage across the inductor after very long time?
 
Last edited:
  • #13
Erik P said:
No, don't recall having had about that. Is the first part i1 correct or incorrect? I could see a possible solution for i2 as being the following, assuming i1 is correct:
\begin{equation}
V_2 = i_2(R_0 + R_2)
\end{equation}

\begin{equation}
V_1 = \mathcal{E}(e^{-\frac{(R_0 + R_1)t}{L}})
\end{equation}

\begin{equation}
V_1 = V_2
\end{equation}

\begin{equation}
\mathcal{E}(e^{-\frac{(R_0 + R_1)t}{L}}) = i_2(R_0 + R_2)
\end{equation}

\begin{equation}
i_2 = \frac{\mathcal{E}}{R_0 + R_2}(e^{-\frac{(R_0 + R_1)t}{L}})
\end{equation}

For t = 0, i2 is:

\begin{equation}
\frac{\mathcal{E}}{R_0 + R_2}
\end{equation}

for t => infinity, i2 => 0

This circuitry stuff really isn't a strong point for me :(
The basic problem with your calculations is you are treating the inductor like it was an open circuit, similar to a capacitor, when it is not.

After the current passes thru R0, it is going to split in the parallel branches, with one part going thru R1 and the rest thru R2. You must figure out how the current divides in these two branches, based on R1 and R2.

The presence of the inductor affects only the transient behavior of the current just after the switch is closed. Once these transients settle down, the inductor no longer has any effect, at least for a circuit having DC current.
 
  • #14
SteamKing said:
The basic problem with your calculations is you are treating the inductor like it was an open circuit, similar to a capacitor, when it is not.

After the current passes thru R0, it is going to split in the parallel branches, with one part going thru R1 and the rest thru R2. You must figure out how the current divides in these two branches, based on R1 and R2.

The presence of the inductor affects only the transient behavior of the current just after the switch is closed. Once these transients settle down, the inductor no longer has any effect, at least for a circuit having DC current.

I found the solution for the long term, the transient part I'm a little in doubt as to.
For the long term here is the solution:
\begin{equation}
V_1 = i_1R_1
\end{equation}

\begin{equation}
V_2 = i_2R_2
\end{equation}

\begin{equation}
V_1 = V_2 \Rightarrow i_1R_1 = i_2R_2 \Rightarrow i_2 = \frac{i_1R_1}{R_2}
\end{equation}

\begin{equation}
V_0 = (i_1 + i_2)R_0 = (i_1 + \frac{i_1R_1}{R_2})R_0
\end{equation}

\begin{equation}
V_0 + V_1 = (i_1 + \frac{i_1R_1}{R_2})R_0 + i_1R_1 = \mathcal{E}
\end{equation}

\begin{equation}
\mathcal{E} = i_1R_0 + i_1\frac{R_1R_0}{R_2} + i_1R_1
\end{equation}

\begin{equation}
i_1 = \mathcal{E}\frac{R_2}{R_1R_2 + R_0R_1 + R_0R_2}
\end{equation}

likewise for i2:

\begin{equation}
i_2 = \mathcal{E}\frac{R_1}{R_1R_2 + R_0R_1 + R_0R_2}
\end{equation}

For t=0 the inductor stops current flow so i1 = 0, and i_2 becomes E/(R0 + R2) as i posted in one of the previous replies. Is this reasoning correct?
Erik P said:
No, don't recall having had about that. Is the first part i1 correct or incorrect? I could see a possible solution for i2 as being the following, assuming i1 is correct:
\begin{equation}
V_2 = i_2(R_0 + R_2)
\end{equation}

\begin{equation}
V_1 = \mathcal{E}(e^{-\frac{(R_0 + R_1)t}{L}})
\end{equation}

\begin{equation}
V_1 = V_2
\end{equation}

\begin{equation}
\mathcal{E}(e^{-\frac{(R_0 + R_1)t}{L}}) = i_2(R_0 + R_2)
\end{equation}

\begin{equation}
i_2 = \frac{\mathcal{E}}{R_0 + R_2}(e^{-\frac{(R_0 + R_1)t}{L}})
\end{equation}

For t = 0, i2 is:

\begin{equation}
\frac{\mathcal{E}}{R_0 + R_2}
\end{equation}

for t => infinity, i2 => 0

This circuitry stuff really isn't a strong point for me :(
 
  • #15
Erik P said:
\begin{equation}
i_1 = \mathcal{E}\frac{R_2}{R_1R_2 + R_0R_1 + R_0R_2}
\end{equation}

likewise for i2:

\begin{equation}
i_2 = \mathcal{E}\frac{R_1}{R_1R_2 + R_0R_1 + R_0R_2}
\end{equation}

For t=0 the inductor stops current flow so i1 = 0, and i_2 becomes E/(R0 + R2) as i posted in one of the previous replies. Is this reasoning correct?

It is correct.
 
  • #16
ehild said:
It is correct.
Thanks a lot, could you perhaps help me with another quick question?

I'm supposed to show, by using Kirschhoff's law, that at the time t >= 0 the following applies:

\begin{equation}
\frac{di_1}{dt} + \frac{\tilde{R}}{L}i_1 = \frac{\tilde{\mathcal{E}}}{L}
\end{equation}

and I'm also supposed to find E~ and R~, however I can't seem to find any information on the ~ over E and R, what does it mean? Is there a specific law I should be looking at, etc.
 
Last edited:
  • #17
Erik P said:
Thanks a lot, could you perhaps help me with another quick question?

I'm supposed to show, by using Kirschhoff's law, that at the time t >= 0 the following applies:

\begin{equation}
\frac{di_1}{dt} + \frac{\tilde{R}}{L}i_1 = \frac{\tilde{\mathcal{E}}}{L}
\end{equation}
it is now assumed that R0 = R1 = R2 = R

and I'm also supposed to find E~ and R~, however I can't seem to find any information on the ~ over E and R, what does it mean? Is there a specific law I should be looking at, etc.
Can you show the original problem text?
Remember the voltage across an inductor is UL=L dI/dT. It is still true that the voltages along a closed loop add up to zero.
You might look at my Post #16.
 
  • #18
Erik P said:
and I'm also supposed to find E~ and R~, however I can't seem to find any information on the ~ over E and R, what does it mean? Is there a specific law I should be looking at, etc.
That's where Thevenin's Theorem comes in. You should have covered Thevenin and Norton equivalent circuits in circuit analysis prior to the introduction of inductor and capacitor components.

You want to remove the inductor from the circuit and replace the remaining voltage source and resistor network with a Thevenin equivalent circuit. It will consist of a voltage source and a single resistor. Those are your "E~" and "R~". Then when the inductor is re-inserted you have a simple series RL circuit to analyze.
 
  • #19
ehild said:
Can you show the original problem text?
Remember the voltage across an inductor is UL=L dI/dT. It is still true that the voltages along a closed loop add up to zero.
You might look at my Post #16.
That is more or less the original text, I translated it from Danish to English.

EDIT:
It would seem the part about R0 = R1 = R2 = R is for the last problem not this one.
 
Last edited:
  • #20
Erik P said:
That is more or less the original text, I translated it from Danish to English.
What does That refer to?

In the OP, your statement of the problem is not clearly stated. It's split between 1. The problem statement, and

Homework Equations

.

Then, in Post #20, you add to the problem statement.

So I repeat ehild's request for a complete statement of the problem.
EDIT:
It would seem the part about R0 = R1 = R2 = R is for the last problem not this one.
Where does this last part come from? I see it mentioned nowhere else. Did I miss it?

So I repeat ehild's request for a complete statement of the problem.
 
  • #21
SammyS said:
What does That refer to?

In the OP, your statement of the problem is not clearly stated. It's split between 1. The problem statement, and

Homework Equations

.

Then, in Post #20, you add to the problem statement.

So I repeat ehild's request for a complete statement of the problem.

Where does this last part come from? I see it mentioned nowhere else. Did I miss it?

So I repeat ehild's request for a complete statement of the problem.

Do you want me to post it as a separate reply or as a part of the original post? Also the R0=R1=R2=R is an edit, looking at post #21 you can see it was originally written as part of the problem.

In any case here is the full description as a reply:

"We consider the circuit shown in Figure 2, where E is an emf source, R0, R1, and R2 are resistances and L is an ideal coil. The switch is turned on at the time t=0 and the currents i1 and i2 run through the circuit as indicated by the figure.

a.) Determine i1 and i2 right after the switch is turned on at the time t=0 as well as for t => infinity.
ANSWERED

b.) Show by using Kirschhoff's law at the time t>=0 that

\begin{equation}
\frac{di_1}{dt} + \frac{\tilde{R}}{L}i_1 = \frac{\tilde{\mathcal{E}}}{L}
\end{equation}
and determine R~ and E~.

Found R~ and E~ by using Thevenin's theorem.

\begin{equation}
\tilde{\mathcal{E}} = \mathcal{E}\frac{R_2}{R_0 + R_2}
\end{equation}

\begin{equation}
\tilde{R} = \frac{R_0R_1 + R_2R_0 + R_1R_2}{R_0 + R_2}
\end{equation}

Not quite shown the equation yet.We now assume that R0=R1=R2=R.

c.) Determine i1(t) and i2(t) for t >= 0 and plot them as functions of t.

This should just be inserting R into the place of R0, R1, and R2 in part a.

Short term:

\begin{equation}
i_1(t) = \frac{\mathcal{E}}{3R}(1-e^{-\frac{2R}{3L}t})
\end{equation}

\begin{equation}
i_2(t) = \frac{\mathcal{E}}{3R}(1-\frac{1}{2}e^{-\frac{2R}{3L}t})
\end{equation}

Long term:
\begin{equation}
i_1 = \frac{\mathcal{E}}{3R}
\end{equation}
\begin{equation}
i_2 = \frac{\mathcal{E}}{3R}
\end{equation}
 
Last edited:
  • #22
Kirchhoff laws do not hold good in a circuit with time varying magnetic flux through it !(mag field changes through the inductor)
here is a link to a lecture by Walter lewin where he says that ,and says why.(skip to 33:48 for it, if you want to) link:
he says Kirchhoff's law is a special case of Faraday's law where d(ΦB)/dt = 0
also there is a closed discussion on PF on the same matter link is: https://www.physicsforums.com/threads/is-mit-prof-lewin-wrong-about-kirchhoffs-law.453575/
 
  • #23
Kircchoff's laws will arrive at the same result despite the observations and details noted by Prof. Lewin. Circuit analysts tend to stick with the Kirchhoff approach.
 
  • #24
Erik P said:
b.) Show by using Kirschhoff's law at the time t>=0 that

\begin{equation}
\frac{di_1}{dt} + \frac{\tilde{R}}{L}i_1 = \frac{\tilde{\mathcal{E}}}{L}
\end{equation}
and determine R~ and E~.

Found R~ and E~ by using Thevenin's theorem.

\begin{equation}
\tilde{\mathcal{E}} = \mathcal{E}\frac{R_2}{R_0 + R_2}
\end{equation}

\begin{equation}
\tilde{R} = \frac{R_0R_1 + R_2R_0 + R_1R_2}{R_0 + R_2}
\end{equation}

Correct.

Erik P said:
We now assume that R0=R1=R2=R.

c.) Determine i1(t) and i2(t) for t >= 0 and plot them as functions of t.

This should just be inserting R into the place of R0, R1, and R2 in part a.

Short term:

\begin{equation}
i_1(t) = \frac{\mathcal{E}}{3R}(1-e^{-\frac{2R}{3L}t})
\end{equation}

\begin{equation}
i_2(t) = \frac{\mathcal{E}}{3R}(1-\frac{1}{2}e^{-\frac{2R}{3L}t})
\end{equation}

Long term:
\begin{equation}
i_1 = \frac{\mathcal{E}}{3R}
\end{equation}
\begin{equation}
i_2 = \frac{\mathcal{E}}{3R}
\end{equation}
Check the exponents and the sign in i2(t).
 
  • #25
2nafish117 said:
Kirchhoff laws do not hold good in a circuit with time varying magnetic flux through it !(mag field changes through the inductor)
here is a link to a lecture by Walter lewin where he says that ,and says why.(skip to 33:48 for it, if you want to) link: [ MEDIA=youtube]nGQbA2jwkWI[/MEDIA]
he says Kirchhoff's law is a special case of Faraday's law where d(ΦB)/dt = 0
@2nafish117 ,

So why do Kirchhoff's Laws hold in the circuit being considered in this thread? (And indeed they do.)

The magnetic flux in this circuit is produced by the circuit itself, not produced by some external agent.
 
  • #26
The magnetic flux is produced by the current flowing through the inductor. It is proportional to the current, and its time derivative is equal to the voltage UL across the inductor. UL=Ldi/dt, where L is the inductance. Kirchhoff's Voltage Law holds:
The sum of all the potential drops along a closed loop is equal to zero.
 
  • #27
SammyS said:
@2nafish117 ,

So why do Kirchhoff's Laws hold in the circuit being considered in this thread? (And indeed they do.)

The magnetic flux in this circuit is produced by the circuit itself, not produced by some external agent.

im sorry i took a while to reply i haven't been to PF in quite a while. anyways...
how do you know they hold good??

you may be getting the right answer for the wrong reasons(as said by lewin)

magnetic flux whether generated by external source or by the circuit itself influences the circuit.
eg: back emf due to inductor is a case where the mag field (change in mag field) due to the circuit itself influences it.

and here is another video where he explains how he solves these kinds of problems

 
  • #28
Levin says that the solenoid produces an emf in the closed loop, so the potential drop across it is zero and you can not apply Kirchhoff's rule. Kirchhoff's voltage rule, as we learned it long ago, said that the sum of voltages along a closed loop was equal the sum of the electromotive forces. And emf involved some non-electric concept . In case of a battery, it included some chemical process. In case of a solenoid, it included magnetism.
Remember, quasi-static electric field is conservative. That means, the work done on unit charge between points A and B is independent from the path taken.
You can go around the circuit along a path in the air as the blue line in the figure, while Levin goes round along the physical wires, and says that ΣUi=Σεj. But the emf of the battery is negative of the potential drop across it. The induced emf of the coil is negative of the potential drop across it. You can imagine that the surface you integrate B is completed by the blue path outside the solenoid so the potential drop from e to f in the air plus the zero potential drop inside the solenoid is equal to the induced emf. If you trace the voltage across terminal of the solenoid with a cathode ray tube as voltmeter, you see the voltage is the same as negative of the induced emf. So you can write Kirchhoff's voltage law as ΣUi=0. The sum of all potential drops along a closed loop is zero. It s easier to understand, and it does not include non*electric terms.
In case of a battery, we don't bother how the electric potential changes inside it, and the current flows from the negative terminal to the positive one through the battery, so Kirchhoff's rule does not apply. We say, that one electrode is positive and one is negative and when we go round the loop, we consider the emf of the battery a negative potential drop.
The same with the coil. We forget the magnetic field, we say that there is a potential drop of LdI/dt across the coil.

upload_2016-3-20_13-51-26.png
 
  • #29
you can use equation 1 only when the current through r0 is also i1
but in your case the current through r0 is i1+i2
 
  • #30
2nafish117 said:
you can use equation 1 only when the current through r0 is also i1
but in your case the current through r0 is i1+i2
If you are referring to equation (1) in post #21, you may have missed that ##\ \tilde{\mathcal{E}}\ ## and ##\ \tilde{R}\ ## are the Thevenin equivalent emf and resistance. The current in a circuit with voltage source, ##\ \tilde{\mathcal{E}}\ ## in series with resistance ##\ \tilde{R}\ ## and inductance ##\ L\ ##, is identical to current ##\ i_1\ ##.
 

Similar threads

Replies
6
Views
1K
  • · Replies 1 ·
Replies
1
Views
1K
  • · Replies 1 ·
Replies
1
Views
959
  • · Replies 8 ·
Replies
8
Views
3K
Replies
7
Views
2K
  • · Replies 7 ·
Replies
7
Views
2K
  • · Replies 5 ·
Replies
5
Views
1K
Replies
2
Views
2K
Replies
10
Views
2K
  • · Replies 2 ·
Replies
2
Views
1K