Missing component to get the impendance ohmic

  • Thread starter Thread starter Lindsayyyy
  • Start date Start date
  • Tags Tags
    Component
Click For Summary

Homework Help Overview

The discussion revolves around finding a missing component to achieve purely ohmic impedance in a circuit involving resistors and inductors. The original poster presents an equation related to impedance but expresses uncertainty about its correctness.

Discussion Character

  • Exploratory, Assumption checking, Problem interpretation

Approaches and Questions Raised

  • Participants explore the relationship between the impedance of a resistor and inductor in parallel and question how to achieve a purely resistive impedance. There are attempts to derive expressions for impedance and to identify the necessary component to cancel out the imaginary part.

Discussion Status

Several participants have provided insights and clarifications regarding the nature of the components involved. There is ongoing exploration of the implications of the derived expressions, particularly concerning the role of capacitors in achieving the desired impedance.

Contextual Notes

Participants note confusion regarding the identification of components and the algebraic manipulations involved. The original poster mentions constraints related to homework rules and the need for a "normal" component, which has led to discussions about the types of components that could fulfill this requirement.

Lindsayyyy
Messages
215
Reaction score
0

Homework Statement



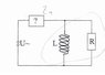
Hi, following graphic is given (attachment)

Homework Equations


-



The Attempt at a Solution



I tried it with the following equation:

[tex]\omega iL-\frac i {\omega C} + X =R[/tex]

but I don't get to the solution, is this the right attempt? If yes, I'll try later on again, have to go to the university right now.

Thanks for the help :smile:
 

Attachments

  • Unbenannt.JPG
    Unbenannt.JPG
    4.9 KB · Views: 483
Physics news on Phys.org
what is the question?
 
ah sorry, I was in a hurry. I shall find the missing component so that the impendance/resistance of the series connection is just ohmic
 
L and R are parallel. What is their resultant impedance?

ehild
 
ehild said:
L and R are parallel. What is their resultant impedance?

ehild

Will that work?
the unknown resistance is also the part of LR circuit
 
The impendance is:

[tex]\frac 1 Z = \frac 1 {i\omega L} - \frac {\omega C} {i}[/tex]

Do I have to solve it afterwards with the equation

[tex]R=X+Z[/tex]

And find the X ?
 
what is C?
 
Lindsayyyy said:
The impendance is:

[tex]\frac 1 Z = \frac 1 {i\omega L} - \frac {\omega C} {i}[/tex]

Do I have to solve it afterwards with the equation

[tex]R=X+Z[/tex]

And find the X ?

That box in the figure is not a capacitor but a resistor R connected parallel to the inductor. And yes, Z+X has to be real.

ehild
 
Sorry everyone, I'm totally asleep at the switch, having exams in a few days and things are getting confused. I'll try it lateron, have so solve some other things first.

@ Cupid, I don't have any idea why I thought there's a capacity. maybe I should better look at the drawing

thanks everyone
 
  • #10
I'm stuck, can't solve it.

I tried to calculate Z, my Z is the parallel connection between R and L

and I get for Z:

[tex]\frac 1 Z = \frac 1 R + \frac {1} {i \omega L}[/tex]

after some conversions I get to:

[tex]Z= \frac {R\omega^{2}L+iR^{2}\omega L} {R^{2}+\omega L^{2}}[/tex]

Now I want to get a pure ohmic resistance so

[tex]Z+X=R[/tex]

but I just can't solve it. The task says the missing component is a "normal" one, so I guess it should be a capacity, inductor etc. Though I tried to take one of these to test if I get a solution, I don't get to an answer. Can anyone help me:confused:
 
  • #11
Lindsayyyy said:
I'm stuck, can't solve it.

I tried to calculate Z, my Z is the parallel connection between R and L

and I get for Z:

[tex]\frac 1 Z = \frac 1 R + \frac {1} {i \omega L}[/tex]

after some conversions I get to:

[tex]Z= \frac {R\omega^{2}L+iR^{2}\omega L} {R^{2}+\omega L^{2}}[/tex]
Check your algebra. The ω in the term in the denominator should be squared, and the L in the real portion of the numerator should also be squared.

Once you've sorted that out, divide the expression into two parts: the real part and the imaginary part. It's the imaginary part that you want to "take care of" with the new impedance X.
 
  • #12
Hope I haven't done any mistakes again:

[tex]X=R- \frac {R\omega^{2}L^{2}} {R^{2}+\omega^{2}L^{2}} - \frac {iR^{2}\omega L} {R^{2}+\omega^{2}L^{2}}[/tex]

so in order to get a pure ohmic term my X has to be:

[tex]X= \frac {iR^{2}\omega L} {R^{2}+\omega^{2}L^{2}}[/tex]

but what component is that? I don't get it :(
 
  • #13
Lindsayyyy said:
Hope I haven't done any mistakes again:

[tex]X=R- \frac {R\omega^{2}L^{2}} {R^{2}+\omega^{2}L^{2}} - \frac {iR^{2}\omega L} {R^{2}+\omega^{2}L^{2}}[/tex]

so in order to get a pure ohmic term my X has to be:

[tex]X= \frac {iR^{2}\omega L} {R^{2}+\omega^{2}L^{2}}[/tex]

but what component is that? I don't get it :(

If you let Z be the impedance of the parallel R and L components, then you've found that

[tex]Z = \frac {R\omega^{2}L^{2}} {R^{2}+\omega^{2}L^{2}} + i\frac {R^{2}\omega L} {R^{2}+\omega^{2}L^{2}}[/tex]

In order to cancel the imaginary term you need to put in series an impedance that is its negative, that is,

[tex]X = - i\frac {R^{2}\omega L} {R^{2}+\omega^{2}L^{2}}[/tex]

Now, what sort of component has an impedance that yields a negative imaginary term?
 
  • #14
I'd say capcity with:

[tex]R_{C}=-\frac i {\omega C}[/tex]

if that answer is right, I still don't understand why to use this one
 
  • #15
Lindsayyyy said:
I'd say capcity with:

[tex]R_{C}=-\frac i {\omega C}[/tex]

if that answer is right, I still don't understand why to use this one

Yes, a capacitor gives a negative imaginary impedance. :smile:

If you set the above expression for a capacitor's impedance equal to the X expression then you can solve for C, the value that the capacitor must have in order to cancel out the imaginary term of the impedance in Z at a given frequency ω.
 
Last edited:
  • #16
Ok, thank your very much
 

Similar threads

  • · Replies 3 ·
Replies
3
Views
2K
  • · Replies 42 ·
2
Replies
42
Views
4K
Replies
6
Views
1K
  • · Replies 4 ·
Replies
4
Views
2K
  • · Replies 17 ·
Replies
17
Views
2K
Replies
2
Views
2K
  • · Replies 3 ·
Replies
3
Views
1K
Replies
4
Views
3K
  • · Replies 6 ·
Replies
6
Views
2K
  • · Replies 3 ·
Replies
3
Views
2K