Multi LED circuit controlled by photodiode

Click For Summary

Discussion Overview

The discussion revolves around designing a circuit that uses a photodiode to control multiple LEDs based on light intensity. The participants explore various components and configurations to achieve a voltage meter-like functionality, particularly for measuring concentrations in a sample using Beer’s law.

Discussion Character

  • Exploratory
  • Technical explanation
  • Debate/contested
  • Mathematical reasoning

Main Points Raised

  • One participant suggests that a photodiode outputs a current proportional to light intensity and proposes using a rheostat for adjustment.
  • Another participant questions the vagueness of the initial description and asks if the original poster understands how transistors work.
  • A different participant proposes using op-amps and provides a modification suggestion for a circuit that measures battery levels to adapt it for light measurement.
  • There is a request for clearer specifications regarding the desired behavior of the LEDs in response to light intensity.
  • The original poster clarifies that they want to light up LEDs independently based on voltage levels, using an LED as a photodiode to restrict wavelength response.
  • The original poster mentions using Beer’s law for measuring concentration and describes their findings regarding the linearity of the LED's response voltage.
  • A participant shares a link to a circuit that appears suitable for the original poster's needs, noting a specific modification for operation mode.

Areas of Agreement / Disagreement

The discussion contains multiple competing views on circuit design and component selection, with no consensus reached on the best approach or configuration.

Contextual Notes

Participants express uncertainty regarding the specifications and behavior of the circuit components, particularly the linearity of the LED response and the desired functionality of the LEDs in relation to light intensity.

lostminty
Messages
80
Reaction score
0
Hi,

so. I don't know a lot of electronics but this is effectively what I'm trying to create:

A photo diode controls the circuit, I assume they give out a current proportional to the intensity of the light it receives.
The ciruit, depending on the light intensity will light up different LED's. Also, there would need to be an ability to adjust this..I guess by having a rheostat connected to the photo diode.

Any help would be appreciated, I love to learn.
 
Engineering news on Phys.org
That is a very vague description of the circuit. Too vague to suggest anything specific.

Do you know how transistors work?
 
yeah I am a little aware. They're voltage controlled switches in this example?


YUSTxDf.png
 
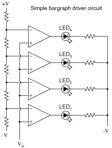
You could use op-amps. And to me it looks like you may have the battery polarity switched up in the example above just a heads up. This circuit shows how to use op amps to measure the level of a battery. You can easily modify it to measure the level of light. Connect your phototransistor in series with all of those resistors on the left side and for your V-in use the wiper of a potentiometer so you can calibrate your "meter", of course connect the two outer pins the same voltage as the phototransistor is and you input will be the middle "wiper" pin. For the op amps you could use the NE5532 (You can get them cheap here along with everything else you need http://www.taydaelectronics.com/ne5532-5532-ic-dual-low-noise-op-amp.html) and make sure all the resistors on the left side of the pic are the same value. And for the LED resistors you can use an online calculator for your LED's. As for your voltage source I would use a simple 9v battery but really anything 5-15vdc will work. Hope this helps let me know if you get it to work or have other questions

03033.png
 
Last edited:
lostminty said:
yeah I am a little aware. They're voltage controlled switches in this example?
I don't see how this is supposed to work, even if you switch the battery polarity.

Start with specifications, please. What do you want to do? Do you want LEDs to light up if there is incoming light? Multiple LEDs at once, or more LEDs for more light? Do you want LEDs to go out if there is incoming light? Something else?
 
OK, I have a stronger idea of what I am trying to achieve and will try my darnedest to articulate its requirements:

Yes, it is essentially a voltage meter. I'm not sure of the range of voltages involved, 1-2V approximately. Would need to be able to fine tune the sensitivity of the circuit.

I would like to light up LEDs that indicate the voltage independently, ie only one at a time.

I am using an LED as the photo-diode, this is, as far as I understand, to restrict the wavelength range that the circuit will respond to. I am not sure as to the linearity of the response for the LED. It is effectively a make shift spectrophotometer. I have an LED of a certain wavelength on one side of the sample, and the receiving LED (photo-diode substitute) on the other side.

I'm using it to measure concentration of a particular compound in the sample. Beers law predicts a linear relationship between absorbance and concentration.

I've played around with a test jig, and found the response voltage of the LED to be approximately linear. Ranging from 1.3V for a high concentration to 2V for negligible concentration.
 

Similar threads

  • · Replies 9 ·
Replies
9
Views
2K
Replies
29
Views
5K
  • · Replies 3 ·
Replies
3
Views
2K
  • · Replies 14 ·
Replies
14
Views
3K
  • · Replies 10 ·
Replies
10
Views
5K
  • · Replies 4 ·
Replies
4
Views
2K
  • · Replies 7 ·
Replies
7
Views
4K
  • · Replies 2 ·
Replies
2
Views
3K
Replies
7
Views
3K
  • · Replies 1 ·
Replies
1
Views
2K