Operational Amplifiers & Resistors to form a Black Box

Click For Summary

Homework Help Overview

The discussion revolves around designing an operational amplifier circuit to achieve a specific output voltage relationship, Vo = 10(V2 - V1), using a specified number of resistors and op-amps. The participants explore the implications of using five resistors in the circuit design and the necessity of additional components.

Discussion Character

  • Mixed

Approaches and Questions Raised

  • Participants discuss the configuration of the op-amp circuit, questioning the need for five resistors versus fewer components. There is exploration of using a summing amplifier versus a subtractor configuration, and some participants suggest alternative designs that could achieve the desired output with fewer components.

Discussion Status

The conversation is ongoing, with participants providing feedback on various circuit designs. Some guidance has been offered regarding the use of equal resistors and the implications of input impedance. There is recognition of multiple interpretations of the problem, and participants are actively refining their approaches.

Contextual Notes

There are indications that the original problem may lack certain details, which could affect the design choices. Participants express uncertainty about the requirements and constraints imposed by the homework assignment.

Jason-Li
Messages
119
Reaction score
14
Homework Statement
FIGURE 2 shows an electronic 'black box' whose output is ten times the difference between its two input signals. Show how the 'black box' could be realised using just two operational amplifiers and five resistors. Give the relative values of the resistors.
(Figure 2 Attached in attempt)
Relevant Equations
Below example of Op Amp controller (Figure 9)
1608407326718.png
1608407443109.png


So basically I am trying to give an output of Vo = 10(V2-V1)

From Figure 9 Example Gain of first Op Amp = Rf / R1, if R1 & R2 are equal.

What's throwing me off is using 5 resistors to create a circuit rather than 6 or just 3. My initial thoughts were the following:

To use the first loop simply to give a straight comparitive figure between V1 & V2 or (V2-V1) then use the second loop to mulitply that comparitive figure by 10. No bias would be introduced so the circuit would be akin to Figure 9 but with no bias voltage. The circuit would look like the following with R3=1ohm and R4=10ohm which would make the second loop gain 10/1.
I just don't see why I need the second loop or 5 resistors when this could be acheived with just the first loop to function as a comparator and prop. amplifier. Such that the first loop R1=R2=2Mohms and Rf = 20Mohms hence Vo=Rf/R1(V2-V1) will be equal to Vo=10(V2-V1)
1608407882350.png
 
Last edited:
Physics news on Phys.org
You are showing a summing amplifier as the first stage. That will not do the subtraction that you need. What does a subtractor opamp stage look like? :smile:
 
That figure is an example of an op-amp circuit. It's not the answer. Ignore what it actually does, it's just there to show you the general form of the answer (I think).

In the real world, there is a lot of information missing in the question, but I suspect that your instructor wants you to ignore those complexities (things like signal ranges, for example). Did you post the entire question? If not, please do so.

BTW, This can be done with 4 resistors and 1 op-amp. But you can ignore this, two op-amps will also work.
 
DaveE said:
That figure is an example of an op-amp circuit. It's not the answer. Ignore what it actually does, it's just there to show you the general form of the answer (I think).

In the real world, there is a lot of information missing in the question, but I suspect that your instructor wants you to ignore those complexities (things like signal ranges, for example). Did you post the entire question? If not, please do so.

BTW, This can be done with 4 resistors and 1 op-amp. But you can ignore this, two op-amps will also work.

DaveE said:
That figure is an example of an op-amp circuit. It's not the answer. Ignore what it actually does, it's just there to show you the general form of the answer (I think).

In the real world, there is a lot of information missing in the question, but I suspect that your instructor wants you to ignore those complexities (things like signal ranges, for example). Did you post the entire question? If not, please do so.

BTW, This can be done with 4 resistors and 1 op-amp. But you can ignore this, two op-amps will also work.

Hi DaveE & Berkeman thanks for the swift replies

DaveE that is the full question sadly, also I don't think I have to go too in depth with this question as the further questions are of a more complex nature.

Berkeman I have done some digging from your prompt and found information on a 'subtractor' circuit.

DaveE/Berkeman I could use the following circuit with R=R3 and RA=R4 with R = RA*10 which gives the black boxes required figure of Vo=10(V2-V1). I don't see how I would introduce a 5th resistor or op-amp?

1608453258088.png
 
Jason-Li said:
I don't see how I would introduce a 5th resistor or op-amp?
They aren't necessary. This is why I thought there might be more to this question, to explain why they think you might use more parts. There is a two amplifier, 4 resistor version which is (may be) better for slightly obscure reasons (an instrumentation amp, with balanced input impedance). But I suspect that is beyond the level of your course.

BTW, this isn't just an obscure homework question. This is an extremely common op-amp circuit in the real world. You really should go through the analysis of this circuit (with ideal op-amp assumptions); it's not hard and I think this is an important circuit to really understand.
 
DaveE said:
They aren't necessary. This is why I thought there might be more to this question, to explain why they think you might use more parts. There is a two amplifier, 4 resistor version which is (may be) better for slightly obscure reasons (an instrumentation amp, with balanced input impedance). But I suspect that is beyond the level of your course.

BTW, this isn't just an obscure homework question. This is an extremely common op-amp circuit in the real world. You really should go through the analysis of this circuit (with ideal op-amp assumptions); it's not hard and I think this is an important circuit to really understand.
Working through this circuit as per the learning materials:
1608471800192.png

1608471804050.png


Again this has provided means to have 10x the value as per the question without using the stipulated amounts of resistors and op-amps.

I had a look at an instrumentation amplifiers all of which make use of either more or less than 5 resistors with many using 3 Op-Amps.

Berkeman going back to what you were saying I was thinking I could maybe construct the circuit like this which is akin to some of the instrumentation ones I've seen? Thanks DaveE. The first part of the circuit would just subtract (compare) the two figures (V2-V1) and the second op-amp would amplify by a factor of 10, my issue here is with no resistor between the op-amps where would I find my ratio? Unless the total impedance of the first loop is a tenth of RA?

1608472853650.png


Thanks for the feedback it is helping, I just seem to be spinning my wheels a little bit!

DaveE
Berkeman
 

Attachments

  • 1608472671783.png
    1608472671783.png
    3.4 KB · Views: 202
Last edited:
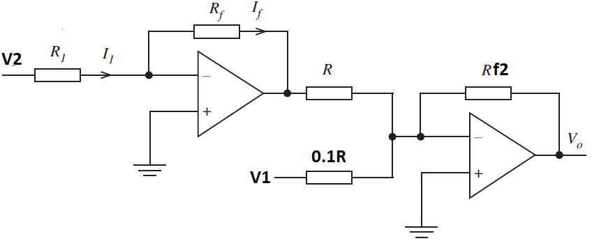
Was looking at this again, to meet the criteria of the question it looks like this would work unless you can point out any issues?

1608486110982.png

I have calculated:

If Rf=10*R1 then first stage Vo=V2*Rf/R1 which will then equal Vo=-10*V2 (Negative 10 due to inverting terminal)

Then the Node before the second op amp will be:
If2=I3+I4
-Vo/Rf2 = (-10*V2)/R + V1/(0.1*R)
-Vo/Rf2 = (-10*V2+10*V1)/R
-Vo = -Rf2/R (-10*V2+10*V1) and if Rf2 = R then;
-Vo = 10 (-V2+V1)
Vo = 10 (V2-V1)
 

Attachments

  • 1608485809048.png
    1608485809048.png
    4.6 KB · Views: 199
Yes, that one works too. Good work!

It's kind of nit picking, but I would prefer a version where all of the resistors are equal except Rf2 = 10⋅R. Then you have equal input impedance with only 1 part that sets the gain and fewer types, so matching values works better in practice. A more common 2 amp IA is shown below, but I kind of like your version better because of resistor matching/gain issues. This issue of matching values to optimize performance is trivial on paper, but not in the real world. This is why many designers will buy IAs as an IC instead of discrete parts.

The extra amplifier you added in post #6 is pointless. It's only added value is is meets the requirements of the question.

20201220_111949.jpg
20201220_112550.jpg


edit: An advantage of the versions in the book is higher input impedance, which is sometimes important and usually a requirement of true IAs.
 
  • Like
Likes   Reactions: Jason-Li
DaveE said:
Yes, that one works too. Good work!

It's kind of nit picking, but I would prefer a version where all of the resistors are equal except Rf2 = 10⋅R. Then you have equal input impedance with only 1 part that sets the gain and fewer types, so matching values works better in practice. A more common 2 amp IA is shown below, but I kind of like your version better because of resistor matching/gain issues. This issue of matching values to optimize performance is trivial on paper, but not in the real world. This is why many designers will buy IAs as an IC instead of discrete parts.

The extra amplifier you added in post #6 is pointless. It's only added value is is meets the requirements of the question.

View attachment 274762View attachment 274763

edit: An advantage of the versions in the book is higher input impedance, which is sometimes important and usually a requirement of true IAs.

Hi DaveE thanks again, the help is greatly appreciated!

For your suggestion of all resistors being equal except for Rf2. Rf2*10 = R

The Node before the second op amp would then be:
If2=I3+I4
-Vo/Rf2 = -V2/R + V1/R
-Vo/Rf2 = (-V2+V1)/R
Vo = -Rf2/R (-V2+V1) and as Rf = 10*R
Vo = -10 (-V2+V1)
Vo = 10 (V2-V1)

This looks correct thank you!

When the question asks for relative values of the resistors I'm unsure of what to stipulate them other than in relation to each other? Unless I said like 5Mohms for R and 50 for Rf2 ?
 
  • #10
Jason-Li said:
When the question asks for relative values of the resistors I'm unsure of what to stipulate them other than in relation to each other?
That's what I would do; Rf = 10*R.
 
  • Like
Likes   Reactions: Jason-Li
  • #11
Finally, now that you've done this analysis a few times, you'll want to just memorize this result. It will save you a bunch of effort in analyzing almost all op-amp circuits.
20201220_141027.jpg


edit: Also this one:

20201220_142238.jpg
 
Last edited:
  • Like
Likes   Reactions: Jason-Li

Similar threads

  • · Replies 1 ·
Replies
1
Views
3K
  • · Replies 1 ·
Replies
1
Views
2K
  • · Replies 3 ·
Replies
3
Views
2K
  • · Replies 6 ·
Replies
6
Views
3K
  • · Replies 6 ·
Replies
6
Views
3K
  • · Replies 13 ·
Replies
13
Views
3K
Replies
4
Views
2K
  • · Replies 3 ·
Replies
3
Views
1K
Replies
5
Views
3K
  • · Replies 13 ·
Replies
13
Views
3K