Potential difference across capacitor

Click For Summary

Homework Help Overview

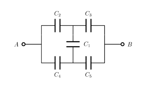
The discussion revolves around understanding the potential difference across a capacitor in a bridge circuit configuration. The original poster seeks clarification on why the potential difference across capacitor C1 is stated to be zero in their exercise.

Discussion Character

  • Conceptual clarification, Assumption checking

Approaches and Questions Raised

  • Participants explore the conditions under which the potential difference across C1 can be zero, questioning the role of capacitor values in this scenario. There are discussions about the implications of different capacitor values on the potential difference.

Discussion Status

The conversation is ongoing, with participants providing insights and suggesting further reading on bridge circuits. There is an acknowledgment of the need for specific capacitor values to determine the potential difference, and some participants are exploring hypothetical scenarios regarding unequal capacitor values.

Contextual Notes

Participants note the absence of specific values for the capacitors initially, which is crucial for understanding the problem. The discussion also touches on the differences in behavior between resistors and capacitors in bridge circuits.

ShaddollDa9u
Messages
18
Reaction score
0
Member advised to use the homework template for posts in the homework sections of PF.
Hi, the solution of my exercise says that the potential difference in the capacitor C1 is zero.
1494361264-screenshot-from-2017-05-09-16-06-36.png

Can you please explain me why it's the case ?

Thank you.
 
Physics news on Phys.org
You don't have any values for those capacitors. This is an example of a bridge circuit. Read this article for some insight. https://en.wikipedia.org/wiki/Bridge_circuit

Resistors and capacitors work differently, but be assured that there are capacitor values which would result in the voltage at the top of the C1 to be the same voltage as the bottom of C1. For example, if we have 10.5 volts at the top and 10.5 volts at the bottom, then 10.5-10.5 = 0.
 
Owwww I'm sorry, I forgot to give the values !

In fact, we have C2=C4 = 1.0μF and C3=C5 = 2.0μF.
 
However what if, in this case, we have C2 =/= C4 OR C3 =/=C5, C1 wouldn't be equal to zero anymore, right ?
 
ShaddollDa9u said:
However what if, in this case, we have C2 =/= C4 OR C3 =/=C5, C1 wouldn't be equal to zero anymore, right ?
Correct.
 
ShaddollDa9u said:
However what if, in this case, we have C2 =/= C4 OR C3 =/=C5, C1 wouldn't be equal to zero anymore, right ?
You should really take a look at the article on Bridge circuits, which I pointed to in the earlier post. Once you understand how resistor bridge circuits work, it will not be much of a stretch to understand other components, such as capacitors.
 

Similar threads

  • · Replies 6 ·
Replies
6
Views
2K
Replies
2
Views
1K
  • · Replies 15 ·
Replies
15
Views
1K
  • · Replies 7 ·
Replies
7
Views
2K
Replies
11
Views
3K
Replies
5
Views
2K
Replies
9
Views
3K
  • · Replies 11 ·
Replies
11
Views
4K
Replies
4
Views
2K