Problem finding the direction of current (electricity)

Click For Summary

Homework Help Overview

The discussion revolves around determining the direction of current in an electrical circuit, specifically focusing on the currents I1, I2, and I3. Participants are exploring concepts related to Kirchhoff's Voltage Law (KVL) and current direction assumptions.

Discussion Character

  • Exploratory, Assumption checking, Conceptual clarification

Approaches and Questions Raised

  • Participants discuss the relationship between the currents using the equation I1 = I2 + I3 and express confusion regarding the direction of I3. Some mention the possibility of I3 being negative, indicating a reversal of the assumed direction.

Discussion Status

There is ongoing exploration of the assumptions made regarding current direction. Some participants have provided insights into the self-correcting nature of KVL when negative values are encountered, but there is no explicit consensus on the understanding of why negative values arise.

Contextual Notes

Participants are navigating the implications of their initial assumptions about current direction and the effects of solving KVL equations. There is a mention of differing approaches, such as using KCL, which may not present the same issues with assumed directions.

AXiMe
Messages
2
Reaction score
0
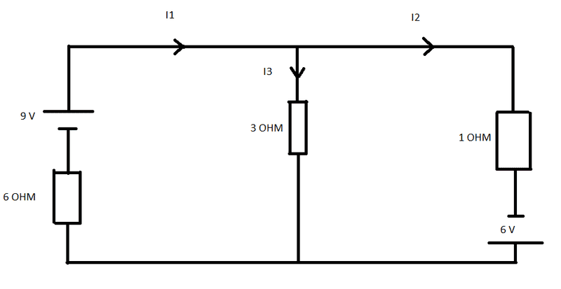
1. Find I1, I2 and I3, see attached file.



2. I1 = I2 + I3, U = R * I



3. Can't seem to understand why the current is going the way it is at I3 rather than the other way.
 

Attachments

  • fysikkoppgave.png
    fysikkoppgave.png
    4.9 KB · Views: 486
Physics news on Phys.org
AXiMe said:
1. Find I1, I2 and I3, see attached file.



2. I1 = I2 + I3, U = R * I



3. Can't seem to understand why the current is going the way it is at I3 rather than the other way.

When you solve for the currents, it may well turn out that I3 turns out to have a negative sign, which would mean that it actually flows the other way. When starting out KVL loop equations, you just assume some direction for each branch current, and then solve. If some of them turn out negative, you can go back and reverse the arrow and change the answer to positive. No big deal.

Welcome to the PF, BTW!
 
Thanks! Albeit, I still don't understand why it would come out negative, even though the answer says so...
 
AXiMe said:
Thanks! Albeit, I still don't understand why it would come out negative, even though the answer says so...

I didn't work through the problem you posted, but this is just a general part of using KVL to solve circuits. You have to assume some direction for the current in each leg before you can solve the equations. Once you solve the equations, if the current comes out with a negative sign, then that just means that the initial guess at current direction was wrong. No big deal, the process is self-correcting.

When you use KCL equations, you don't have this issue, because you just label nodes with some voltages like V_1, V_2, etc. When you solve the simultaneous equations, you get whether they are positive or negative (or changing) voltages as part of the solution.
 
AXiMe said:
Thanks! Albeit, I still don't understand why it would come out negative, even though the answer says so...

Oh, and don't call me Albeit. I prefer Shirley. :biggrin:
 

Similar threads

Replies
4
Views
1K
  • · Replies 1 ·
Replies
1
Views
2K
Replies
8
Views
2K
  • · Replies 12 ·
Replies
12
Views
2K
  • · Replies 9 ·
Replies
9
Views
2K
Replies
16
Views
2K
Replies
1
Views
1K
  • · Replies 1 ·
Replies
1
Views
1K
Replies
22
Views
4K
  • · Replies 31 ·
2
Replies
31
Views
3K