Question about Parasitic capacitances and physical grounds

  • Thread starter Thread starter Guidestone
  • Start date Start date
  • Tags Tags
    Physical
Click For Summary

Discussion Overview

The discussion revolves around the concept of parasitic capacitance in capacitive sensors connected via coaxial cables, particularly focusing on the implications of connecting the outer casing to physical ground. Participants explore the effects of grounding on parasitic capacitance and the underlying principles of capacitance in this context.

Discussion Character

  • Technical explanation
  • Conceptual clarification
  • Debate/contested

Main Points Raised

  • One participant questions the necessity of connecting the outer casing of coaxial cables to physical ground, seeking clarification on its effect on parasitic capacitance.
  • Another participant explains that parasitic capacitance is an inherent property of the cable, suggesting that it cannot be eliminated but rather its effects can be mitigated.
  • Some participants discuss the concept of "bootstrapping" to reduce the effects of parasitic capacitance, indicating that a buffered version of the input signal can help manage voltage differences.
  • There is a claim that connecting the shield to ground does not change the cable's capacitance but may reduce the impact of that capacitance on the system.
  • One participant challenges the notion that charges in a capacitor are attracted to ground, attributing this belief to misconceptions stemming from analogies with gravity rather than electrodynamics.
  • Another participant emphasizes the importance of minimizing voltage across parasitic capacitance and suggests that grounding practices can vary based on the signal levels involved.

Areas of Agreement / Disagreement

Participants express differing views on the effectiveness of grounding in reducing parasitic capacitance, with some asserting that it does not eliminate capacitance while others propose methods to mitigate its effects. The discussion remains unresolved regarding the best practices for managing parasitic capacitance in this context.

Contextual Notes

Participants highlight the complexity of grounding and shielding techniques, noting that the effectiveness of these methods can depend on various factors, including cable length and signal characteristics. There are references to specific practices in different fields, such as telecommunications and instrumentation, which may not universally apply.

Guidestone
Messages
93
Reaction score
5
Hey guys, so the other day I had a course about capacitive sensors and this thing below came up.

upload_2016-3-23_20-17-46.png

The capacitive sensor is connected to the conditioner via two coaxial cables, the outer conductor of those cables are conected to a metallic casing which is also conected to physical ground. The parasitic capacitance is supposed to be really small when connected in this arrangement. The point of connecting to physical ground is having a different potential from the one of circuit´s ground. I asked my teacher why would we need to connect the casing to physical ground and he explained it to me but at the end I didn't understand.
I remember doing tests at the lab with capacitors. Whenever we needed to get rid of the charge in a capacitor we would just touch both of its terminals with a resistor in our hand. I heard charges in the capacitor were attracted to ground because we were standing in it. I also read that negative charges would be attracted to physical ground because of the abbundance of positive ones in it. As Capacitance equals Charge over voltage I thought parasitic cappacitances would reduce if accumulated charges were taken away from our parasitic capacitor. However, I'm not sure about any of that.
If you shed some light on this I will really appreciate it.
 
Engineering news on Phys.org
Guidestone said:
I remember doing tests at the lab with capacitors. Whenever we needed to get rid of the charge in a capacitor we would just touch both of its terminals with a resistor in our hand

Always remember that the net charge on a capacitor is zero. Calling a capacitor charged is not a good description ( we have all done it at some time)
It is better to say that the capacitor is energised
For every electron in excess on one plate of the capacitor, there is a corresponding missing one on the other plate. That is, one plate has an excess of electrons and the other has a deficiency of them. The plate deficient in electrons instead has an equal number of positively charged ions ( atoms missing electrons).
When you short out the terminals of the capacitor, electrons flow to the positively charged plate and recombine with the ions and restore a balance.

Guidestone said:
I heard charges in the capacitor were attracted to ground because we were standing in it. I also read that negative charges would be attracted to physical ground because of the abbundance of positive ones in it

not quite .. I won't address that one, some one else my have a better description :smile:

Guidestone said:
I thought parasitic capacitances would reduce if accumulated charges were taken away from our parasitic capacitor. However, I'm not sure about any of that.

parasitic capacitance is a "feature" of a cable. eg a certain coax cable may have a parasitic capacitance of 5pF / metre
There is nothing you can do about that. it is part of the makeup of the cable. This can be a problems in long cable runs
When I worked in the telecoms field, we used to install "loading coils" ( banks of inductances) and this helped to cancel
out the capacitance of the cable which would otherwise degrade the communications qualitydoes that help ? :smile:Dave
 
Davenn thanks for your answer, nevertheless my doubt is about how the fact of connecting the outer casing to physical ground is supposed to almost nullify the parasitic capacitance in the cable.
Thanks
 
Guidestone said:
nevertheless my doubt is about how the fact of connecting the outer casing to physical ground is supposed to almost nullify the parasitic capacitance in the cable.
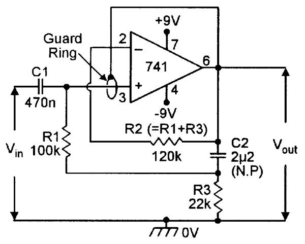
It doesn't. You would need to "bootstrap" the parasitic capacitance to reduce/eliminate it. Maybe that's what your teacher was trying to say?

That's where you drive a shield with a buffered version of the input signal, so there is effectively no changing of the voltage between the input signal and its "bootstrap guard/shield"...

http://www.nutsvolts.com/uploads/wygwam/NV_0801_Marston_FIGURE9.jpg
NV_0801_Marston_FIGURE9.jpg
 
Dave & Berkeman are right.

Capacitance is area(of the wires)/distance(between them), a property of the cable's geometry.

connecting the shield to Earth does not change the cable's capacitance. But it might reduce the effect of that capacitance.

Guidestone said:
I also read that negative charges would be attracted to physical ground because of the abbundance of positive ones in it.
That's hogwash. Many people think electricity has some affinity for ground. It comes from the water analogy - everybody knows from childhood that water from the garden hose falls to the ground and soaks in. But that's gravity, not electrodynamics.

The basic idea of shielding is to surround the whole measurement system with a Faraday cage.
shielding1.jpg

(and no, parasitic doesn't approach zero . It's fixed. We try to drive its effect to zero.)The reason for surrounding it with that cage is to prevent current that would otherwise flow into the sensor circuit through its distributed parasitic capacitance to earth.
You want those currents to flow in the shield, not in the sensor wires.

So i'll erase that "parasitic capacitance" you showed because it's in parallel with the sensor and there's nothing you can do about it.
And i'll draw back in the parasitic (i call it "stray") capacitance that really counts.
This looks scary but read on - i explain each piece below...(i hope)
shielding3.jpg


There's usually some small voltage difference along the earth. We call it "Common Mode".
In a single room it should be tiny but when cable runs get into the hundreds of feet or even miles, anything goes.
Observe your shield intercepts the current coming in through that rightmost stray capacitance, the external one between shield and earth. Vcommon mode / Xcstray
So long as the voltage between shield and orange signal lines is small, there'll be not much current through those internal parasitic capacitances into the signal wires..
That's about how most folks handle shielding.

The "driven shield" berkeman showed uses an ungrounded shield that's forced to same voltage as signal line so there's no current through those internal parasitics.This author Ralph Morrison
http://www.abebooks.com/97804710299...hniques-Instrumentation-Second-0471029920/plp

recommends minimizing voltage between shield and signal by connecting them at the point of measurement,
and carrying the shield to your amplifier's signal common.
Like this:
shielding4.jpg
He emphasizes "It does no good to Earth the shield if the signal itself is not earthed."
But everybody Earth's their shields and usually gets away with it.

In my power plant nearly all shields were earthed as shown in that first sketch, which is same as yours except i closed the Faraday cage. door... We had a very few driven shields like Berkeman showed, they were for low millivolt AC signals on long cable runs.

Thermocouples are low millivolt DC signals susceptible to capacitively coupled noise. To resolve them accurately with our plant computer i had to use Morrison's technique. Fortunately the thermocouples we used were grounded type, so i connected each shield to its thermocouple way out there out at the pipes, where thermocouples were installed.
My multiplexer used 3 pole relays that switched all 3 wires, its plus minus and common, to plus minus and shield of whichever signal it was measuring at the time.
Results were most excellent.
But the folks who built that multiplexer understood the need for a guarded floating amplifier and 3 pole switching. It was exceptional for its day (early 70's)
Here it is, signal and shield both earthed only.at point of measurement.
shielding5.jpg

for me it was thermocouple sensor not capacitive.

So the takeaway from all the above is -----

With high level signals, like several volts, a measurement system can withstand some degree of abusive shielding practices.
To resolve fractions of a millivolt you need to be more careful.

I hope my disjointed diatribe gave you an insight to the principles.

Think Faraday cage and minimize voltage across parasitic capacitance..
It's really that simple.

old jim
 
Last edited:
  • Like
Likes   Reactions: berkeman
Ill answer whenever I finish my stuff from school. Thanks a lot for your Answers, I promess I'll read them carefully
 
  • Like
Likes   Reactions: berkeman

Similar threads

  • · Replies 17 ·
Replies
17
Views
3K
  • · Replies 27 ·
Replies
27
Views
7K
  • · Replies 39 ·
2
Replies
39
Views
4K
  • · Replies 6 ·
Replies
6
Views
3K
  • · Replies 19 ·
Replies
19
Views
3K
  • · Replies 8 ·
Replies
8
Views
2K
  • · Replies 38 ·
2
Replies
38
Views
8K
  • · Replies 13 ·
Replies
13
Views
7K
Replies
26
Views
5K
  • · Replies 16 ·
Replies
16
Views
3K