Resistance series and parallel

Click For Summary
SUMMARY

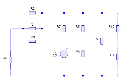
The discussion focuses on the analysis of a circuit involving resistors R1, R2, R3, R5, R8, R9, R10, R4, and R7. Resistors R1, R2, and R3 are confirmed to be in parallel, as well as the combination of (R5 + R8), R9, and (R10 + R4). Resistor R7 is identified as being in series with a voltage source, indicating it does not connect in parallel with any other resistors. The key takeaway is the distinction between series and parallel configurations, which is crucial for circuit analysis.

PREREQUISITES
  • Understanding of series and parallel resistor configurations
  • Familiarity with Ohm's Law and basic circuit theory
  • Knowledge of voltage sources and their role in circuits
  • Ability to apply formulas for calculating equivalent resistance
NEXT STEPS
  • Study the calculation of equivalent resistance in complex circuits
  • Learn about Kirchhoff's laws for current and voltage in circuits
  • Explore circuit simulation tools like LTspice for practical analysis
  • Investigate the impact of resistor values on overall circuit performance
USEFUL FOR

Students studying electrical engineering, hobbyists building circuits, and anyone looking to deepen their understanding of resistor configurations in electrical circuits.

bathtubbuddy
Messages
2
Reaction score
0

Homework Statement



circuito_practica_u3.png


Homework Equations



series - Ra+Rb

parallel - 1/[(1/Ra)+(1/Rb)]

The Attempt at a Solution



Im positive that R1,R2 y R3 are parallel, but also (R5+R8), R9 and (R10+R4) right? is R7 parallel to anything? which ones would be series? so confusing... thankies :]
 
Physics news on Phys.org
bathtubbuddy said:
Im positive that R1,R2 y R3 are parallel,
Yes
but also (R5+R8), R9 and (R10+R4) right?
These 3 branches are parallel branches.
is R7 parallel to anything?
R7 is not. It is in series with a voltage source.
which ones would be series? so confusing..
Two branches are in series if [all of] the current that flows through one also then flows through the other.
 

Similar threads

  • · Replies 5 ·
Replies
5
Views
2K
  • · Replies 4 ·
Replies
4
Views
1K
  • · Replies 13 ·
Replies
13
Views
2K
  • · Replies 7 ·
Replies
7
Views
2K
  • · Replies 3 ·
Replies
3
Views
2K
  • · Replies 11 ·
Replies
11
Views
2K
Replies
5
Views
1K
  • · Replies 3 ·
Replies
3
Views
2K
  • · Replies 14 ·
Replies
14
Views
2K
  • · Replies 9 ·
Replies
9
Views
3K