Calculate the equivalent resistance

Click For Summary

Homework Help Overview

The discussion revolves around calculating equivalent resistance in various resistor configurations, specifically focusing on resistors R1, R2, and R3 with values of 2 ohms, 2 ohms, and 1 ohm respectively. Participants explore different paths and configurations to determine the equivalent resistance between points A, B, C, and D in multiple figures.

Discussion Character

  • Exploratory, Assumption checking, Problem interpretation

Approaches and Questions Raised

  • Participants discuss the series and parallel arrangements of resistors, questioning the validity of certain configurations based on junctions and current paths. There are attempts to clarify the equivalent resistance between various points, with some participants suggesting different interpretations of the paths current can take.

Discussion Status

The discussion is active, with participants providing guidance on how to approach the calculations. There is an ongoing exploration of different interpretations of the resistor configurations, and while some clarity has been achieved, multiple viewpoints are still being considered.

Contextual Notes

Participants are navigating potential misunderstandings regarding the definitions of series and parallel connections, particularly in relation to junctions between resistors. There is also a mention of homework constraints and the need for careful consideration of all paths current may take.

Andrei0408
Messages
50
Reaction score
8
Homework Statement
I need to calculate the equivalent resistance in 4 different cases
Relevant Equations
1/Rep = 1/R1 + 1/R2 + ... + 1/Ri
Res = R1 + R2 + ... + Ri
R1 = 2 ohms ; R2 = 2 ohms; R3 = 1ohm
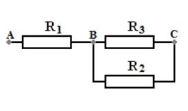
First figure:
I need to calculate the resistance between: a) A and C and b) A and B
a) R1 and R3 are in series => R13 = R1 + R3 = 3 ohms
R13 and R2 are in parallel => 1/Rp = 1/R13 + 1/R2 => Rp = 1.2 ohms
b) Here, between A and B there is only R1 so the equivalent resistance will be 1 ohm? (is this correct?)
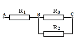
Second figure:
I need to calculate the resistance between: a) A and C and b) B and C
a) R1 and R3 are in series => Rs = R1 + R3 = 3 ohms
But here, if we take another path: R1 and R2 parallel the result will be 1 ohm.
Which one is correct and why are they different?
b) Between B and C there is only R3 = 1 ohm.
But if we take R2 parallel with R3 => 0.66 ohms
Which one is correct?
Third figure:
I need the resistance between A and D:
R1 and R3 are in series => R1+R3 = 3 ohms
Fourth figure:
I need the resistance between A and D:
Here couldn't I take the same path as earlier and get 3 ohms or the path with R2 only for 2 ohms?
Could you please explain where I'm wrong and which one is the correct answer at each point? Thank you, in advance!
 

Attachments

  • Screenshot (466).png
    Screenshot (466).png
    1.7 KB · Views: 210
  • Screenshot (467).png
    Screenshot (467).png
    1.7 KB · Views: 198
  • Screenshot (468).png
    Screenshot (468).png
    2.5 KB · Views: 189
  • Screenshot (469).png
    Screenshot (469).png
    1.9 KB · Views: 192
Physics news on Phys.org
Andrei0408 said:
b) Here, between A and B there is only R1 so the equivalent resistance will be 1 ohm? (is this correct?)
One at a time. R1 = 2 ##\Omega##, so where does your 1 ##\Omega## come from ?
And what about R2 and R3 ?
 
Andrei0408 said:
Homework Statement:: I need to calculate the equivalent resistance in 4 different cases
Relevant Equations:: 1/Rep = 1/R1 + 1/R2 + ... + 1/Ri
Res = R1 + R2 + ... + Ri

b) Here, between A and B there is only R1 so the equivalent resistance will be 1 ohm? (is this correct?)
If there is a voltage difference between A and B, why would the current shun the R2-R3 path?
Andrei0408 said:
Second figure:
I need to calculate the resistance between: a) A and C and b) B and C
a) R1 and R3 are in series
No, you can only count resistors as being in series if there is no junction between them that could bring current in or out.
Andrei0408 said:
b) Between B and C there is only R3 = 1 ohm.
But if we take R2 parallel with R3 => 0.66 ohms
Andrei0408 said:
take the same path as earlier and get 3 ohms or the path with R2 only for 2 ohms?
Again, you must consider all paths current could take as carrying some. It is not a question of one or the other.
 
BvU said:
One at a time. R1 = 2 ##\Omega##, so where does your 1 ##\Omega## come from ?
And what about R2 and R3 ?
BvU said:
One at a time. R1 = 2 ##\Omega##, so where does your 1 ##\Omega## come from ?
And what about R2 and R3 ?
Okay so, R1 and R2 are in parallel => R12 = 1 ohm. Will R12 be in parallel or in series with R3?
Also, is the first one correct because there is a junction between R1 and R3 so they can't be in series, right?
 
Last edited:
Do we have the figures mixed up ?

Andrei0408 said:
First figure:
I need to calculate the resistance between: a) A and C and b) A and B
a) R1 and R3 are in series => R13 = R1 + R3 = 3 ohms
R13 and R2 are in parallel => 1/Rp = 1/R13 + 1/R2 => Rp = 1.2 ohms
b) Here, between A and B there is only R1 so the equivalent resistance will be 1 ohm? (is this correct?)
1613564926203.png
a) correct !
b) No. FIrst: R1 is 2 ##\Omega##. Second: there is another path

Andrei0408 said:
Okay so, R1 and R2 are in parallel => R12 = 1 ohm. Will R12 be in parallel or in series with R3?
IF this is about b) in the first picture, then: No !

Also, is the first one correct because there is a junction between R1 and R3 so they can't be in series, right?
the first one is correct. I don't understand why a junction (connection) means R1 and R3 can not be in series.

We need to first establish how you are looking at this.
Look at the paths the current can take:
Series means if it goes through the one, it has to go through the other.
Parallel means the current splits up and a part goes through the one, the remainder goes through the other.

First figure

a) between A and C: two paths ##\Rightarrow## parallel​
first path through (R1 and R3) ##\Rightarrow## series​
second path through R2​
b) between A and B: also two paths ##\Rightarrow## parallel​
first path through R1​
second path through R2 and R3 ##\Rightarrow## series​
##\ ##​
 
haruspex said:
If there is a voltage difference between A and B, why would the current shun the R2-R3 path?

No, you can only count resistors as being in series if there is no junction between them that could bring current in or out.Again, you must consider all paths current could take as carrying some. It is not a question of one or the other.
[/QUO
BvU said:
Do we have the figures mixed up ?a) correct !
b) No. FIrst: R1 is 2 ##\Omega##. Second: there is another pathIF this is about b) in the first picture, then: No !

the first one is correct. I don't understand why a junction (connection) means R1 and R3 can not be in series.

We need to first establish how you are looking at this.
Look at the paths the current can take:
Series means if it goes through the one, it has to go through the other.
Parallel means the current splits up and a part goes through the one, the remainder goes through the other.

First figure

a) between A and C: two paths ##\Rightarrow## parallel​
first path through (R1 and R3) ##\Rightarrow## series​
second path through R2​
b) between A and B: also two paths ##\Rightarrow## parallel​
first path through R1​
second path through R2 and R3 ##\Rightarrow## series​
##\ ##​
Then isn't RAB going to be 1.2 ohms, just like the first one?
 
Then isn't RAB going to be 1.2 ohms, just like the first one?
Bingo !
 
  • Like
Likes   Reactions: Andrei0408
BvU said:
Bingo !
Thanks a lot, I think I understand now, I have 2 more questions if you don't mind: what is the maximum and the minimum value of equivalent resistance that I could obtain using all 3 resistors. (how should I make the drawings?)
 
You should be able to answer that one yourself now !
Make a few guesses
 
  • #10
BvU said:
You should be able to answer that one yourself now !
Make a few guesses
For the maximum we should have all the resistors connected in series, and for minimum they should be connected in parallel?
 
  • #11
Bingo again. Calculate the equivalent resistance to convince yourself !
 
  • Like
Likes   Reactions: Andrei0408
  • #12
BvU said:
I don't understand why a junction (connection) means R1 and R3 can not be in series.
Not sure which diagram that refers to, but @Andrei0408's remark follows from one of mine in post #3 in relation to screenshot 467 (figure 2?)
Andrei had started by adding R1 and R3 because they are in series, but the junction with R2 in between invalidates that. It is necessary to collapse the parallel R2 and R3 first.
 
  • Like
Likes   Reactions: BvU

Similar threads

  • · Replies 7 ·
Replies
7
Views
2K
Replies
5
Views
2K
  • · Replies 14 ·
Replies
14
Views
2K
  • · Replies 10 ·
Replies
10
Views
2K
  • · Replies 3 ·
Replies
3
Views
2K
  • · Replies 6 ·
Replies
6
Views
2K
  • · Replies 13 ·
Replies
13
Views
2K
  • · Replies 19 ·
Replies
19
Views
7K
Replies
4
Views
4K
  • · Replies 2 ·
Replies
2
Views
2K