Equivalent resistance of a circuit

Click For Summary

Homework Help Overview

The discussion revolves around calculating the equivalent resistance of a circuit with multiple resistors arranged in both series and parallel configurations. The circuit includes five resistors, each with a resistance of 7.00 Ω, and a voltage of 13.7 V is provided.

Discussion Character

  • Mixed

Approaches and Questions Raised

  • Participants explore different methods for combining resistors, questioning how to simplify the circuit into series or parallel arrangements. Some express confusion about identifying which resistors are in series or parallel and how to calculate their equivalent resistances.

Discussion Status

Some participants have offered guidance on approaching the problem by suggesting specific combinations of resistors to consider. There is an ongoing exploration of different interpretations of the circuit layout, and attempts to clarify the steps needed to find the equivalent resistance are evident.

Contextual Notes

Participants are working within the constraints of the problem as stated, with no additional information provided about the circuit diagram. The discussion reflects a collaborative effort to navigate the complexities of the circuit's configuration.

EchoTheCat
Messages
21
Reaction score
1

Homework Statement


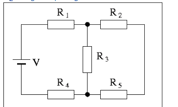
Consider the electric circuit shown in the figure. Assume that V = 13.7 V, R1 = R2 = R3 = R4 = R5 = 7.00 Ω. What is the equivalent resistance of the circuit?

Homework Equations


total voltage of a series circuit is the sum of the voltage of all the resistors
total current of a series circuit is the same as the current through any individual resistor
total resistance of a series circuit is the sum of the resistance of all the resistors

total voltage of a parallel circuit is the same as the voltage through any individual resistor
total current of a parallel circuit is the sum of the current of all of the resistors
the inverse of the total resistance of a parallel circuit is the sum of the inverse of each resistance

The Attempt at a Solution


I guess I'm confused as to how to 'combine' resistors to turn this into just a series circuit? I see both parallel elements and series elements.
 
Physics news on Phys.org
Here's the picture.

I did try considering the circuit as a parallel circuit R1, R3, and R4 together with total resistance 21 and R2 and R5 together with total resistance 14 but that didn't work
 

Attachments

  • circuit.PNG
    circuit.PNG
    1.4 KB · Views: 497
In this circuit, it is easiest to start at the tight and fold up the resistances right-to-left.

What 2 resistors are in series on the right side? What is their combined resistance? Then what other resistor is in parallel with that combined resistance? Combine those parallel resistances. Then finally, what 3 resistances are now in series? Combine them to get the answer.

Can you try that and show us your math for each step? Thanks. :smile:
 
Resistors 2 and 5 form a series circuit on the right side; their combined resistance is 14. This is parallel to Resistor 3; their combined resistance is 1/R = 1/7 + 1/14 --> R = 4.66667. The three resistors now in series are 1, 4, and combined resistors of 2, 3, and 5. The sum of the resistance is 4.66667 + 7 + 7 =18.66667 ohms.

And it works!
Thank you!
 
  • Like
Likes   Reactions: berkeman

Similar threads

Replies
3
Views
2K
Replies
4
Views
2K
  • · Replies 10 ·
Replies
10
Views
1K
  • · Replies 13 ·
Replies
13
Views
2K
  • · Replies 6 ·
Replies
6
Views
2K
  • · Replies 7 ·
Replies
7
Views
2K
  • · Replies 60 ·
3
Replies
60
Views
11K
  • · Replies 42 ·
2
Replies
42
Views
6K
  • · Replies 14 ·
Replies
14
Views
2K
  • · Replies 31 ·
2
Replies
31
Views
5K