Steel Frame Connection: Design and Moment Considerations

Click For Summary

Discussion Overview

The discussion revolves around the design considerations for a steel frame connection, specifically addressing whether the connection between a steel beam and a column needs to account for hogging moments. Participants explore the implications of moment stresses at various connection points and the effects of beam configuration on design requirements.

Discussion Character

  • Technical explanation
  • Debate/contested
  • Mathematical reasoning

Main Points Raised

  • One participant questions whether the connection between the steel beam and column needs to take the hogging moment into account, suggesting that the beam might handle it alone.
  • Another participant proposes that the connection should be designed for the greater moment in the beam, citing a specific value of 20kNm.
  • Several participants emphasize the need for a diagram to better understand the structural configuration and moment distribution.
  • There is a discussion about whether the connection of the beam to the plate needs to resist moment, with some asserting that it does.
  • One participant expresses confusion over the moment values being discussed, asking for clarification on their origins and implications.
  • Another participant suggests considering the beam as two cantilever beams under uniform load, which could influence moment calculations.
  • Participants express uncertainty about how relocating the column would affect moment values and design requirements.
  • There is a recurring theme of questioning whether connections need to be designed for moments if the cantilever lengths are equal or unequal.

Areas of Agreement / Disagreement

Participants do not reach a consensus on whether the connection needs to be designed to take the moment. Multiple competing views remain regarding the necessity of accounting for moments at the connections and the implications of beam configuration.

Contextual Notes

Limitations include a lack of visual representation of the structure, which hinders a full understanding of the moment distribution and connection requirements. The discussion also reflects varying interpretations of moment values and their relevance to design decisions.

dccd
Messages
15
Reaction score
0
Homework Statement
Does the connection between the steel plate and the top beam need to design for moment ?
Relevant Equations
NA
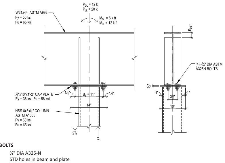
Hi All, this is a steel frame , top beams sitting on top of column with steel plate cantilever at both sides (one side longer than the other) , so there will be hogging moment at the center support. However, the top steel beam is one whole piece, does the connection between the steel beam and column need to take the moment ? Or the hogging moment will be taken by the steel beam itself ? Connection need not design to take the moment ??

If the connection nned to take moment , then which moment value shall I use to design the connection between the steel plate and the steel beam ?
 

Attachments

  • 11-1.JPG
    11-1.JPG
    18 KB · Views: 238
  • 11-2.JPG
    11-2.JPG
    12.1 KB · Views: 252
  • 11-3.JPG
    11-3.JPG
    12.8 KB · Views: 252
Physics news on Phys.org
I think the connection between the plate and the beam above should be designed for the greater moment in the beam (20kNm) , correct me if I am wrong
 
Hard to say without a proper diagram of the structure.
Could you post a picture of the real thing?

As per your description, both points, connection of beams and column, as well as anchoring of column to ground will have moment stresses to be considered.

Look at the problem this way:
If rather than welded plates at those points, you install pivots, each of which allows free rotation about an axis that is perpendicular to the plane containing beams and column, will the structure be stable?
 
Last edited:
  • Like
Likes   Reactions: dccd
Lnewqban said:
Hard to say without a proper diagram of the structure.
Could you post a picture of the real thing?

As per your description, both points, connection of beams and column, as well as anchoring of column to ground will have moment stresses to be considered.

Lookat the problem this way:
If rather than welded plates at those points, you install pivots, each of which allows free rotation about an axis that is perpendicular to the plane containing beams and column, will the structure be stable?

Thanks for the reply. FYI, the beam on top is whole piece resting on top of column with plate connecting them together... At the center part, there will be large compression acting on it. I know the connection of plate to the column need to resist the moment, but does the connection of beam to the plate nned to resist moment ?
 
Lnewqban said:
Hard to say without a proper diagram of the structure.
Could you post a picture of the real thing?

As per your description, both points, connection of beams and column, as well as anchoring of column to ground will have moment stresses to be considered.

Lookat the problem this way:
If rather than welded plates at those points, you install pivots, each of which allows free rotation about an axis that is perpendicular to the plane containing beams and column, will the structure be stable?
In this case, the beam is 2 different pieces, welded to the side of column ? If this is the case, I think the connection of beam to the column nned to resist moment .

In my case , the beam is whole piece resting on the column. I am just unsure whether the connection of beam to the plate joining the beam and column together need to resist moment or not . This is confusing.
 
dccd said:
Thanks for the reply. FYI, the beam on top is whole piece resting on top of column with plate connecting them together... At the center part, there will be large compression acting on it. I know the connection of plate to the column need to resist the moment, but does the connection of beam to the plate nned to resist moment ?
Yes, the welds of column to its plate need to resist moment.
The bolts connecting plate and beam need to resist moment.

C01_aqrr0x.jpg
 
  • Like
Likes   Reactions: dccd
Lnewqban said:
Yes, the welds of column to its plate need to resist moment.
The bolts connecting plate and beam need to resist moment.

View attachment 277572
Thanks for the clear diagram. Do you mean the welding of column to the plate need to resist moment of 18kNm , while the bolt between the beam flange and plate need to design for 20kNm moment ??
 

Attachments

  • 11-2.JPG
    11-2.JPG
    12.1 KB · Views: 220
  • 11-3.JPG
    11-3.JPG
    12.8 KB · Views: 206
Why two moments?
It seems that I am not fully understanding your original question, sorry.
 
  • Like
Likes   Reactions: dccd
Lnewqban said:
Why two moments?
It seems that I am not fully understanding your original question, sorry.
I mean the column is connected to the plate thru welding, so welding need to take 18kNm of moment, while the connection between the beam above and the plate need to take the 20kNm of moment. Correct me if I am wrong .
11-2.JPG
 

Attachments

  • 11-3.JPG
    11-3.JPG
    12.8 KB · Views: 201
  • #10
I can't know whether you are right or wrong, as I don't know where those two values for moments are coming from.

Sorry, I can't clearly see the numbers in your diagrams.
What value would you choose and why?

If the column were relocated to the midpoint of the beam,
how those values would change and which one would you then choose?

Could we consider your horizontal beam to be two different cantiliver beams under uniform distributed load that share a single fixed point?
 
Last edited:
  • Like
Likes   Reactions: dccd
  • #11
Lnewqban said:
I can't know whether you are right or wrong, as I don't know where those two values for moments are coming from.

Sorry, I can't clearly see the numbers in your diagrams.
What value would you choose and why?

If the column were relocated to the midpoint of the beam,
how those values would change and which one would you then choose?

Could we consider your horizontal beam to be two different cantiliver beams under uniform distributed load that share a single fixed point?
Just assume the value of moment is correct, I gt it from the design software. My question is only whether the connection need to be designed to take the moment or not ... It is a whole piece beam sitting on top of the column. Not sure whether the connection of the beam and the plate need to be designed to take the moment or not
 
  • #12
dccd said:
Just assume the value of moment is correct, I gt it from the design software. My question is only whether the connection need to be designed to take the moment or not ... It is a whole piece beam sitting on top of the column. Not sure whether the connection of the beam and the plate need to be designed to take the moment or not
Then, it is very important for your clear understanding that you try to respond my previous questions in post #10.
What would happen if the connection is designed not considering the internal moments calculated by the software?
Please, re-read my most #3 above.

Don't worry, not only you will get your answer after that, but you will understand it and will be able to solve future similar problems.
If you only need a quick answer for this situation, just let me know.
 
  • #13
Lnewqban said:
I can't know whether you are right or wrong, as I don't know where those two values for moments are coming from.

Sorry, I can't clearly see the numbers in your diagrams.
What value would you choose and why?

If the column were relocated to the midpoint of the beam,
how those values would change and which one would you then choose?

Could we consider your horizontal beam to be two different cantiliver beams under uniform distributed load that share a single fixed point?
If both cantilever length are same, then both moment will be equal. The moment will be taken by the beam member alone ? Connection need not design to take moment ?

In my case, the cantilever length are not the same, so there will be unequal moment at both left and right of member , so the connection nned to design to take for moment ??
 
  • #14
Lnewqban said:
Hard to say without a proper diagram of the structure.
Could you post a picture of the real thing?

As per your description, both points, connection of beams and column, as well as anchoring of column to ground will have moment stresses to be considered.

Look at the problem this way:
If rather than welded plates at those points, you install pivots, each of which allows free rotation about an axis that is perpendicular to the plane containing beams and column, will the structure be stable?
I don't think it will be stable, so if moment from left or right side of beam is equal , the connection need not to design for moment ? If the moment left = moment right of member, the connection need to design for moment ??
 
  • #15
dccd said:
If both cantilever length are same, then both moment will be equal. The moment will be taken by the beam member alone ? Connection need not design to take moment ?

In my case, the cantilever length are not the same, so there will be unequal moment at both left and right of member , so the connection nned to design to take for moment ??
At the fixed point where both cantiliver beams meet, you have two moments with different directions.
The distributed load of the left beam counter-balances some of the distributed load of the right beam.
If the column were located midpoint, both moments will have same value and different directions, transferring no moment to the column.

The software has done the calculation for you.
You can see that the moment of the column is uniformly distributed from top to bottom of the column.
That means that the software is seeing the column as a cantiliver beam, fixed at the bottom and having a clockwise punctual moment applied at top.

That value is the minimum moment that the connecting plate and bolts, the entire column, as well as the plate at the base (if any), have to resist, unless additional or accidental loads are applied onto the beam or column.
 

Attachments

  • 1D1F4C12-9A05-4F42-85F1-5B97522EF719.jpeg
    1D1F4C12-9A05-4F42-85F1-5B97522EF719.jpeg
    67.2 KB · Views: 207
  • Like
Likes   Reactions: dccd
  • #16
Lnewqban said:
At the fixed point where both cantiliver beams meet, you have two moments with different directions.
The distributed load of the left beam counter-balances some of the distributed load of the right beam.
If the column were located midpoint, both moments will have same value and different directions, transferring no moment to the column.

The software has done the calculation for you.
You can see that the moment of the column is uniformly distributed from top to bottom of the column.
That means that the software is seeing the column as a cantiliver beam, fixed at the bottom and having a clockwise punctual moment applied at top.

That value is the minimum moment that the connecting plate and bolts, the entire column, as well as the plate at the base (if any), have to resist, unless additional or accidental loads are applied onto the beam or column.
To avoid confusion, let's summarise it into 3 parts,
1st part , the base,
2nd part the connection between the column and the plate and,
3rd part , the connection between the beam and the plate.

For 1st part, i know the connection has to design for moment of 18kNm.

For 2nd part, the connection has to design to withstand the moment of 18kNm.

For 3rd part, I think the connection need to design for the moment of 20kNm, because the member itself can withstand 20kNm, the connection must also be able to take 20kNm, otherwise, hogging will happen..

Correct me if I am wrong.
 

Similar threads

  • · Replies 2 ·
Replies
2
Views
2K
  • · Replies 1 ·
Replies
1
Views
2K
  • · Replies 1 ·
Replies
1
Views
2K
  • · Replies 17 ·
Replies
17
Views
5K
  • · Replies 2 ·
Replies
2
Views
3K
  • · Replies 10 ·
Replies
10
Views
3K
  • · Replies 21 ·
Replies
21
Views
24K
Replies
1
Views
2K
  • · Replies 1 ·
Replies
1
Views
3K
Replies
5
Views
1K