The result of a disturbance on an output

  • Thread starter Thread starter David J
  • Start date Start date
  • Tags Tags
    Output
Click For Summary

Discussion Overview

The discussion revolves around a homework problem related to a proportional control system, specifically examining the effects of a disturbance on the output. Participants explore calculations of output changes due to a step change in input, propose modifications to minimize offset, and discuss control actions such as PID controllers.

Discussion Character

  • Homework-related
  • Mathematical reasoning
  • Technical explanation
  • Debate/contested

Main Points Raised

  • One participant calculates the change in offset in the output due to a step change and arrives at a value of 1 m3h-1.
  • Another participant questions the initial output response, suggesting it appears to decrease by 5 units and expresses uncertainty about the units used.
  • A different participant mentions using Laplace transforms to arrive at a similar answer, indicating potential agreement on the method but uncertainty about the units.
  • One participant describes the output response as equivalent to a closed-loop response of a negative feedback loop with specific feedback gain values.
  • Several participants confirm that their calculations were marked correct and discuss the necessity of including integral and derivative actions in the block diagram for a PID controller.
  • One participant challenges the exclusion of the feedback factor in the formula, suggesting it should be included in the denominator.
  • A participant references starting a new thread to address a related query, indicating ongoing exploration of the topic.

Areas of Agreement / Disagreement

There is no clear consensus on the calculations or the interpretation of the feedback factor in the formula. Multiple competing views and methods are presented, and the discussion remains unresolved regarding the best approach to the problem.

Contextual Notes

Participants express uncertainty about the units involved in the calculations and the implications of feedback factors in the control system equations. The discussion includes various methods and interpretations without definitive resolutions.

David J
Gold Member
Messages
140
Reaction score
15

Homework Statement


[/B]
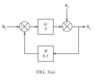
The proportional control system of figure 3(a) (attachment 235263) has an input, ##\theta_{1}##, of 10 units. The uncontrolled input, ##\theta_{2}##, has a value of 50 units, prior to a step change down to 40 units. The result of this disturbance upon the output, ##\theta_{o}## is shown in figure 3(b) (attachment 235264)

upload_2018-12-5_19-36-23.png


upload_2018-12-5_19-36-54.png


(a) Calculate the change in offset in the output produced by the step change

(b) Draw a modified block diagram to show how the offset could be minimised by the inclusion of another control action. Also, show by means of a sketch how the modification might be expected to affect the output response.

(c) Show, by drawing a modified block diagram, how the magnitude of the disturbance could be minimised by the inclusion of a third type of control action

2. Homework Equations


##\theta_{0}=\frac{\theta_{2} +G\theta_{1}}{1+G}##

The Attempt at a Solution



(a)
[/B]
Prior to the step change

##\theta_{0}## = ##\frac{50 + (9*10)}{1+G}##

so ##\theta_{0}## = ##\frac{140}{10}##=## 14 m^{3 h-1}##

After the step change

##\theta_{0}## = ##\frac{40 + (9*10)}{1+G}##

so ##\theta_{0}## = ##\frac{130}{10}##=## 13 m^{3 h-1}##

So in the first instance would I be correct in saying that the change in offset in the output as a result of the step change will be ## 1 m^{3 h-1}## ?

I attached some notes, (pages 16 and 17) which I think are in relation to this question
 

Attachments

  • upload_2018-12-5_19-36-23.png
    upload_2018-12-5_19-36-23.png
    3.9 KB · Views: 893
  • upload_2018-12-5_19-36-54.png
    upload_2018-12-5_19-36-54.png
    5.9 KB · Views: 821
  • Offset page 16.jpg
    Offset page 16.jpg
    43 KB · Views: 459
  • Offset page 17.jpg
    Offset page 17.jpg
    52.2 KB · Views: 438
Physics news on Phys.org
My approach may be too simple-minded, but the output plot looks like the initial output response is a decrease of 5 units. I don't know what m and h are.
 
Hello, the method you see above is the method I was given in my notes but I discovered another way of doing this using laplace transform. The answer from that method was very similar to this which makes me think my answers are close.

The m is for cubic meters but I have just realized that the question does not actually suggest and units so I may be wrong in using ##m^{3h-1}##

h is the feedback error I think.

I will post the laplace method in this thread during the next couple of days
 
The output response to the ##\theta_2## input is the same as the closed loop response of a negative feedback loop with ##G^{\prime} = 1## and ## H^{\prime} = 0.1 * 9 = 0.9## feedback gain.
 
I submitted this and it was marked as correct as per my working out in the first post. The answers to `b` and `c` just required a block diagram showing the addition of the integral action and the derivative action resulting in a block diagram of a PID controller. I will mark this as solved now but if anyone needs any help with this again I can advise.

thanks
 
David J said:
I submitted this and it was marked as correct as per my working out in the first post. The answers to `b` and `c` just required a block diagram showing the addition of the integral action and the derivative action resulting in a block diagram of a PID controller. I will mark this as solved now but if anyone needs any help with this again I can advise.

thanks

Hi DavidJ again,

Looking at this I don't see how you can't take the H figure into account? I work the formula to have the bottom of the fraction as 1+G*H ?
 

Similar threads

  • · Replies 12 ·
Replies
12
Views
4K
Replies
1
Views
2K
  • · Replies 4 ·
Replies
4
Views
2K
  • · Replies 10 ·
Replies
10
Views
2K
  • · Replies 4 ·
Replies
4
Views
2K
  • · Replies 7 ·
Replies
7
Views
2K
  • · Replies 2 ·
Replies
2
Views
2K
  • · Replies 12 ·
Replies
12
Views
2K
  • · Replies 4 ·
Replies
4
Views
1K