Troubleshooting an Audio Amp on a Breadboard

Click For Summary

Discussion Overview

The discussion revolves around troubleshooting an audio amplifier circuit built on a breadboard, specifically using the LM1875 chip. Participants explore various aspects of circuit construction, power supply issues, and grounding concerns, with a focus on both theoretical and practical implications of the setup.

Discussion Character

  • Technical explanation
  • Debate/contested
  • Exploratory

Main Points Raised

  • One participant describes their setup using a variac and a 24V transformer, expressing frustration with the circuit producing a horrific sound.
  • Another participant questions the use of a variac, suggesting that a proper mains transformer with a center-tapped secondary is necessary for the LM1875 to function correctly.
  • Concerns are raised about the safety of using a variac due to the lack of isolation from mains voltages, with a recommendation to switch to a battery setup for testing.
  • Some participants discuss the importance of understanding the difference between "circuit common" and "ground," indicating that this misunderstanding could lead to issues such as hum in the audio output.
  • One participant suggests that the power supply ripple filter may require additional components to effectively manage ripple voltage, proposing the use of multiple capacitors for better performance.
  • Another participant expresses concern about the load on the amplifier's output, questioning whether a 1 Ω load is appropriate.
  • A participant shares their experience with using the center tap as ground and mentions slight amplification of music before encountering crackling sounds at higher volumes.

Areas of Agreement / Disagreement

Participants express differing views on the appropriateness of using a variac versus a proper transformer, as well as the implications of grounding practices. There is no consensus on the best approach to resolve the issues presented, and multiple competing views remain throughout the discussion.

Contextual Notes

Participants note limitations in understanding circuit common versus ground, and the potential for misunderstanding to lead to circuit noise or failure. There are also unresolved questions about the adequacy of the power supply design and component choices.

Tesladude
Messages
168
Reaction score
1
Hello,

I am trying to make an audio amp on my breadboard, for fun I guess.
But it's not working! I am running off of this circuit of the lm1875.

http://www.google.com/imgres?imgurl...=KBTBUZqGFLPp0QH3xIAg&ved=0CDEQ9QEwAA&dur=189

So I put the circuit together many times with different components on different breadboards and it just makes a HORIFIC sound. For the power I have a variac or 1-110v output transformer, then I am plugging in a 24v transformer on the output. (I do this so I can safely control the voltage.)
I have the rectefier hooked up and everything on the breadboard. as the ground I am running a line strait from the ground on my variac to all the points in the circuit which must be grounded.


any thoughts?
 
Engineering news on Phys.org
You had better show us YOUR construction
I particularly want to see your power supply
Why are you using a variac ?
you should be using a proper mains transformer with a 220/240 VAC primary (110VAC for relevant countries) and a secondary that is a ~ 20 - 0 - 20 centre tapped secondary

This is because you need to provide the chip with a +VDC - 0 - -VDC supply

I suspect you haven't done this
supply some good sharp and well lit pics of your construction :)

Variacs are VERY dangerous devices as there is NO isolation from mains voltages
get it out of there before you kill yourself and get the correct transformer as I suggested further up

Dave
 
davenn said:
Why are you using a variac ?
You do make them sound really scary devices, Dave. The OP is using a legit transformer as well, it appears.
I remember a guy who I worked with, years and years ago. He used to do a lot of what we called "home office" in the lab (very low pressure of work in a government - type establishment). He would always use a variac and gradually wind up the volts to full mains. Some power circuits really don't like 'brown out' conditions and he was known to have produced smelly smoke doing it that way.
Variacs are not that deadly as long as you remember that the few volts you get out could shoot up to full mains if the neutral wire comes off - but that's mains devices for you.
 
Tesladude said:
any thoughts?

Yeah. Use a battery.
 
sophiecentaur said:
You do make them sound really scary devices, Dave. The OP is using a legit transformer as well, it appears.
I remember a guy who I worked with, years and years ago. He used to do a lot of what we called "home office" in the lab (very low pressure of work in a government - type establishment). He would always use a variac and gradually wind up the volts to full mains. Some power circuits really don't like 'brown out' conditions and he was known to have produced smelly smoke doing it that way.
Variacs are not that deadly as long as you remember that the few volts you get out could shoot up to full mains if the neutral wire comes off - but that's mains devices for you.

MY earlier comments stand ...the whole problem is that he doesn't really seem to know what he's doing with low voltage supplies, how much worse is it if he's connecting the 0V rail of the amp to the GND of the variac ? bypassing any isolation protection his incorrect other transformer gave him.
its a cloud of smoke and a possible zapping waiting to happen

as the ground I am running a line strait from the ground on my variac to all the points in the circuit which must be grounded.


carlgrace said:
Yeah. Use a battery.

I agree, tho in this case he needs 2 batteries in series so he can produce a -V, a 0V, and a +V rail

a couple of 12V gelcells would give enough voltage at least to do basic testing, then once the circuit is working he can progress to a proper centre tapped secondary transformer and rectifier etc PSU

Dave
 
Last edited:
What we have here is a failure to appreciate difference between "circuit common" and "ground".

With dual supply made from just a 24volt transformer and rectifier, where is power supply common?

I'll bet it DOES hum !

see this thread:
https://www.physicsforums.com/showthread.php?t=677676
 
jim hardy said:
What we have here is a failure to appreciate difference between "circuit common" and "ground".

With dual supply made from just a 24volt transformer and rectifier, where is power supply common?

I'll bet it DOES hum !

see this thread:
https://www.physicsforums.com/showthread.php?t=677676

hey Jim

yup exactly, there isn't one

I hope the OP comes back with the pics I asked for so we can see what has been done and so he can be guided correctly from there :)

Dave
 
OK
taking the drawing from the datasheet, have added to the image a couple of power supply choices

here's a dual 12V 7A/H gel battery setup for initial testing...

attachment.php?attachmentid=59712&stc=1&d=1371687975.jpg


here's a suggestion for a mains supply...

attachment.php?attachmentid=59715&stc=1&d=1371689220.jpg


depending on how hard you want to push this amplifier, a 40V/8A centre tapped transformer would be the maximum. A 36V / 5 to 6A centre tapped transformer will power it quite well and provide a bit of current headroom

cheers
Dave
 

Attachments

  • lm1875-amplifier2.jpg
    lm1875-amplifier2.jpg
    14.9 KB · Views: 637
  • lm1875-amplifier3.JPG
    lm1875-amplifier3.JPG
    28.5 KB · Views: 631
Last edited:
Wow Dave - nice explanation and diagrams !

To Tesladude: Note Dave's two different symbols - circuit common is the three lines in an upside down pyramid, Earth ground looks like a garden rake. He's shown them NOT connected.He could make your top diagram with two 9 volt batteries then try earthing the common and hear effect on hum. 9V batteries would make plenty of milliwatts to hear, but 1875's 100ma quiescent current will run them down in a short while.

It'd be good for learning.
 
  • #10
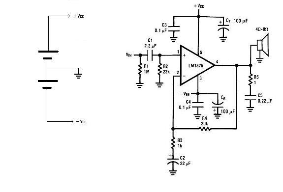
doesn't the power supply ripple filter need some (small) resistors after the 4700 μF caps (in series with the VCC and VEE to the amp)? the only way to make the ripple small is make C1 so damn big that it holds the peak voltage from the rectifier which means it only charges at very thin spikes when the diodes conduct.

in fact, you really need two C1 caps, one from VCC to common and the other from VEE to common (well, actually not the final VCC and VEE but what comes out of the bridge rectifier. it's not good enough to connect a single C1 between the + output of the bridge and the - output because it doesn't deal with any common-mode component to the ripple. both VCC and VEE could be rippling w.r.t. common yet they might seem rock solid to each other.
 
Last edited:
  • #11
also, i am a little concerned about the 1 Ω + 0.22 μF load on the output of the amp. sure it ain't 1 KΩ?
 
  • #12
Ok so normally I work with low voltage analog and digital circuit design, never really anything with a ground or anything past 12v for that matter! So I didn't even know the center tap is the ground in this case!
Don't you miss the good old days when the Earth ground symbol actually meant earth!

Ok so I used the center tap as my ground with a 24v transformer, main decoupling at 4700 just for testing.
And it was slightly amplifying my music up to maybe 1/4 of a watt until when my volume on my phone was at half and I started hearing crackling and everything bad.

When I took pictures my memory card was not even in the camera so I will upload another time.
 
  • #13
rbj said:
also, i am a little concerned about the 1 Ω + 0.22 μF load on the output of the amp. sure it ain't 1 KΩ?

no, its correct, as per datasheet, actually it can be anything from 1E to 10E

Dave
 
  • #14
Ok so I used the center tap as my ground with a 24v transformer, main decoupling at 4700 just for testing.
And it was slightly amplifying my music up to maybe 1/4 of a watt until when my volume on my phone was at half and I started hearing crackling and everything bad.
Hi tesladude

am pleased you are still with us, I thought you may have given up on us all ;)

with the way that circuit is wired, you cannot really use a non centre tapped transformer
The way I am reading that comment is that your transformer DOESNT have a centretap secondary ... it has just 2 wires out ?? please confirm)

if that is so, you really need to get a centre tapped transformer else you really are going to struggle to make it work properly. For reasonable performance you could use any of the following secondary tapping options ...

12 - 0 - 12
15 - 0 - 15...
up to 20 - 0 - 20
and rated for ~ 5 or 6 Amps

cheers
Dave
 
  • #15
Tesladude said:
Ok so normally I work with low voltage analog and digital circuit design, never really anything with a ground or anything past 12v for that matter! So I didn't even know the center tap is the ground in this case!
Don't you miss the good old days when the Earth ground symbol actually meant earth!

Ok so I used the center tap as my ground with a 24v transformer, main decoupling at 4700 just for testing.
And it was slightly amplifying my music up to maybe 1/4 of a watt until when my volume on my phone was at half and I started hearing crackling and everything bad.

When I took pictures my memory card was not even in the camera so I will upload another time.
Sounds like you're making progress. That's how we learn - iterating toward success.
Isn't audio fun? I love it. Back in 1963 I built a tube amp with about same power as this LM1875. Used 6BQ5 pentodes.
It was voted best sounding stereo in the dorm........ To your project:

I'd say rbj has a point there - two filter caps, one for V+ and one for V- is your next step.

Ditto to dave on the 1 ohm resistor, it's for high frequency stability. The .22 uf cap limits low frequency current through it.

Now THIS is interesting ; TI's datasheet gives a schematic and pcb layout for single supply like you tried at first ----
but you used the split(dual) supply schematic instead.

For single supply see fig 2 here, and PCB layout is fig 15.:
http://www.ti.com/lit/ds/symlink/lm1875.pdf
Note how they biased the + input to middle of supply voltage,
provided C3 so amp's output can drive the - input to same DC level as + input,
and added C6 to block the DC out of speaker.
old jim
 
Last edited:
  • #16
rbj said:
in fact, you really need two C1 caps, one from VCC to common and the other from VEE to common (well, actually not the final VCC and VEE but what comes out of the bridge rectifier

Thanks rbj :)
I read this earlier and scratched my head ... then suddenly realized the error with my drawing
DOH, I should have known better, I have built enough dual rail supplies haha

OK here's the corrected diagram

attachment.php?attachmentid=59756&stc=1&d=1371817394.jpg


cheers
Dave
 

Attachments

  • lm1875-amplifier3.JPG
    lm1875-amplifier3.JPG
    28.6 KB · Views: 641
  • #17
davenn said:
Thanks rbj :)

attachment.php?attachmentid=59756&stc=1&d=1371817394.jpg


okay, so now my question is don't you need something (a small resistance) between where VCC comes outa the supply and before it goes to your audio amp circuit? (and similarly for VEE?) otherwize, the only way that your power supply ripple can be low is if the current draw is so tiny that the caps are holding the peak voltage coming outa the bridge (which means they only charge when the rectified voltages reaches this peak).
 
  • #18
okay, so now my question is don't you need something (a small resistance) between where VCC comes outa the supply and before it goes to your audio amp circuit? (and similarly for VEE?)

not something I have personally seen or done on any of my or commercial audio gear I have worked on


Dave
 
  • #19
The ripple will be however much the filter cap decays between peaks. In tube days we had to add more stages of filtering
but look at that LM1875's spec - 94 db of ripple rejection.

if it's not objectionable to the listener ...
 
  • #20
i think that 94 dB of ripple rejection is the saving grace. because the more (DC) current you draw, the more the filter cap decays. those 100 μF caps on the chip (C6 and C7) help, but i think they would help a little more if there was a tiny resistance between them and the mondo power supply caps. in a tiny sense there already is some resistance.

and i still think that 1Ω load resistance is awful small when the loudspeaker is 8Ω. even if that 0.22 μF cap is in series. at higher frequencies (i s'pose i should calculate it... looks like about 1 MHz) all the current goes down the 1Ω load. i guess we need not worry about 1 MHz, but if the spec or design guide says you can make it 10Ω, that's what i would do.

and i might put two 4.7Ω resistors in series with the VCC and VEE supplies. at 100 mA, that would be just a 1/2 volt drop and it might really reduce the ripple that the chip sees. might make it a little cleaner.
 
  • #21
I can't work on it until tomorrow night, just FYI.
But what I was saying about the ground it that yes I have a 12-0-12 transformer but I had no idea that in circuits like this the center tab is used as a ground. So when I saw the ground symbol in the circuit I used Earth ground.
So I will take pics tomorrow and try it with 2x 4700uf on the positive and negative to ground and see what happens.
 
  • #22
So I will take pics tomorrow and try it with 2x 4700uf on the positive and negative to ground and see what happens

cool, looking forward to seeing how you get on.

with those 2 caps, take particular note of how their positive and negative ends are connected

Dave
 
  • #23
OH! sorry I havn't said anything, thought I did.


So yes I am useing a tapped 24v transformer. I had no idea that the tab is the ground in this circuit, I was useing earth. So I tried out the center tab as ground and it still didn't work. I will try again ASAP just incase I messed something up though. Why is there a .1uf cap with bothe the 100uf in the circuit?
 
  • #24
those caps handle filtering of low and hi frequency noise that may be present on the power rails

Dave
 
  • Like
Likes   Reactions: 1 person
  • #25
I'm so sorry I've been buisy! I REALLY appreciate your guys help!
so...I took pics this time.
the audio I am putting into it is from my phone which is out of the pictures. I was getting NO sound out this time, I will try again of course but all I heard was the small 60hz rumble when I put my ear up to it. And I made sure my phone was putting out sound. Also the chip itself was getting VERY hot and I actually burned myself on it.

BTW: I opened up an old audio reciever I got from a friend and
DANG those 6800uf caps were HUGE! lol
 

Attachments

  • 100_2202.jpg
    100_2202.jpg
    60.2 KB · Views: 520
  • 100_2203.jpg
    100_2203.jpg
    45.9 KB · Views: 484
  • 100_2201.jpg
    100_2201.jpg
    48.6 KB · Views: 576
  • #26
I DID IT!

OMG IT'S wonderful!
YOU guys helped me SOOOOO MUCH, I'M SO EXITED! IT'S SO LOUD!




so this is what happened:


I had no idea about the ground as the center tabbe..."thank you!"

and my rectifier was set so the negative was in the labeled "+" side of my breadboard and the positive as "-"
lol so I relized that, switched'em up, AND IT ROCKS! thank you guys so much! And as some way to repay you," because I couldn't have done it without you"
some may use this or some may not;

THE CHEAPEST place to buy parts is Taydaelectronics.com.
they raised prices though just a bit and you can buy 2n3904 transistors for $0.02 each! And some resistors for less than $0.025 each!
I hope maybe some of you can use that!
 

Similar threads

  • · Replies 3 ·
Replies
3
Views
2K
  • · Replies 2 ·
Replies
2
Views
2K
Replies
7
Views
2K
  • · Replies 3 ·
Replies
3
Views
2K
  • · Replies 15 ·
Replies
15
Views
6K
  • · Replies 1 ·
Replies
1
Views
5K
  • · Replies 11 ·
Replies
11
Views
5K
  • · Replies 16 ·
Replies
16
Views
5K
  • · Replies 12 ·
Replies
12
Views
3K
  • · Replies 21 ·
Replies
21
Views
3K