US 2-phase conversion to EU one phase

  • Thread starter Thread starter dabnug
  • Start date Start date
  • Tags Tags
    Phase
Click For Summary

Discussion Overview

The discussion revolves around the conversion of US 220V (240V) power, which is described as split-phase, to the EU's single-phase 230V configuration. Participants explore the electrical characteristics of both systems, the implications for a machine purchased from China that operates on 220V, and the challenges of adapting it to the US power supply. The conversation includes technical details about wiring, grounding, and the frequency differences between the two regions.

Discussion Character

  • Technical explanation
  • Debate/contested
  • Conceptual clarification

Main Points Raised

  • One participant describes the US 220V (240V) as having two hot lines at 120V each, 180 degrees out of phase, and questions how to convert this to a single-phase 220V for EU use.
  • Another participant argues that there is no need to convert if 220V is available, questioning the necessity of stepping up from 120V.
  • Concerns are raised about the difference in wiring configurations between US and EU systems, particularly regarding the potential for damaging onboard electronics if connected incorrectly.
  • Participants discuss the implications of motor frequency differences, noting that motors designed for 60Hz may run faster on 50Hz power.
  • There is a debate about the terminology used to describe US power systems, with some insisting that US wiring is single-phase while others argue it is effectively two-phase.
  • Questions arise about the grounding configuration of the machine and whether it assumes a specific relationship between neutral and ground, which may differ between US and Chinese standards.
  • One participant suggests that the machine may require an isolation transformer due to potential safety issues with the grounding setup.

Areas of Agreement / Disagreement

Participants do not reach consensus on whether the US power system should be classified as single-phase or two-phase. There are competing views on the necessity and method of converting the power supply for the machine, as well as differing opinions on the implications of grounding and wiring configurations.

Contextual Notes

Participants express uncertainty regarding the compatibility of the machine's electrical configuration with US standards, particularly concerning the relationship between neutral and ground. There are also unresolved questions about the machine's design specifications and whether it is rated for double insulation.

  • #31
@Guineafowl I get that everyone has told me how to hook up a machine that is manufactured for the US power grid. Except my manufacture is telling me this is wrong. So my line of questions is to educate myself so that I am confident that they are one in the same.

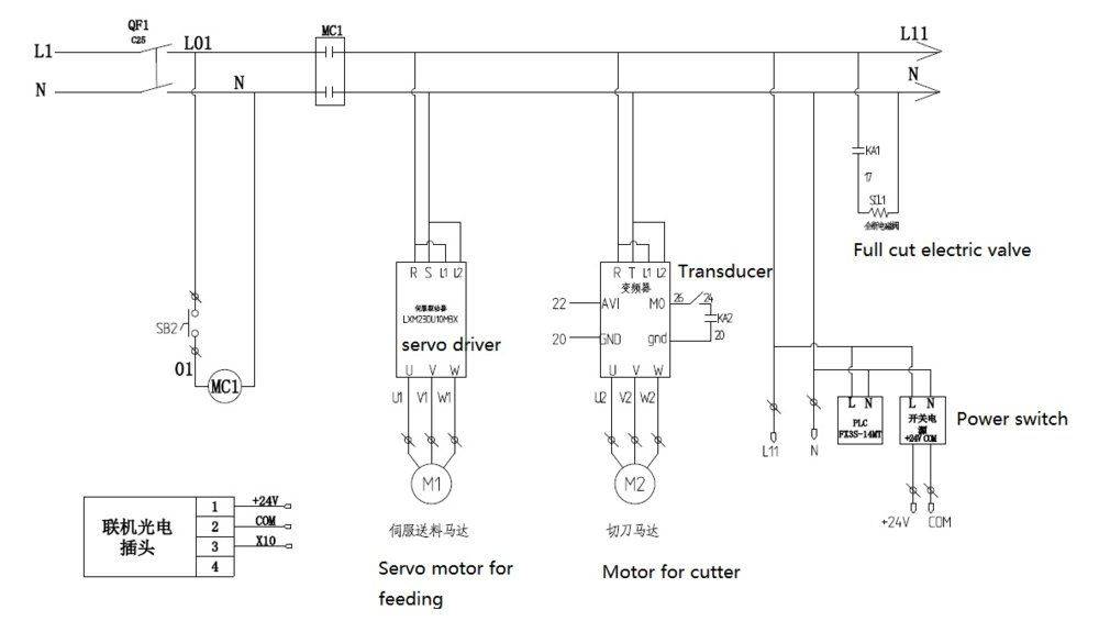
@Asymptotic Attached is the schematic they provided.
 

Attachments

  • 4.jpg
    4.jpg
    42.1 KB · Views: 540
  • 3.jpg
    3.jpg
    30.4 KB · Views: 535
  • 1.jpg
    1.jpg
    33 KB · Views: 471
  • 2.jpg
    2.jpg
    35.9 KB · Views: 561
Engineering news on Phys.org
  • #32
dabnug said:
@Guineafowl I get that everyone has told me how to hook up a machine that is manufactured for the US power grid. Except my manufacture is telling me this is wrong. So my line of questions is to educate myself so that I am confident that they are one in the same.

@Asymptotic Attached is the schematic they provided.
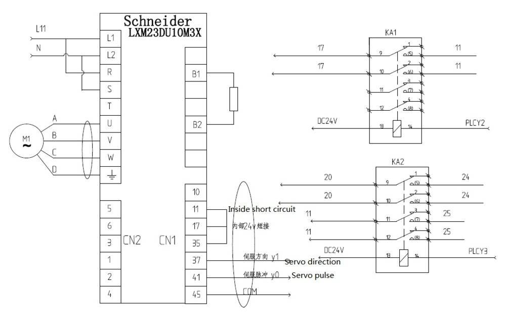
The servo drive for motor M1 is a Schneider Electric model LXM23DU10M3X.

https://www.schneider-electric.com/...s&filter=product_parent_category_id-166406748

The input voltage specification for it when wired for single phase is 220 V nominal with a range from 200V to 255V. It can't be wired for 120V operation.

On the print, the drive is connected to "L1" and "N". In this case, "N" isn't neutral - the center tap on a 230V transformer in a US split single phase system - but is rather the other hot lead "L2".
 
  • Like
Likes   Reactions: CalcNerd and Guineafowl
  • #33
https://www.schneider-electric.com/...s&filter=product_parent_category_id-166406748

The input voltage specification for it when wired for single phase is 220 V nominal with a range from 200V to 255V. It can't be wired for 120V operation.

On the print, the drive is connected to "L1" and "N". In this case, "N" isn't neutral - the center tap on a 230V transformer in a US split single phase system - but is rather the other hot lead "L2".
[/QUOTE]

ok, but this device is designed to operate with the US grid 220v per the spec. So for the input to actually be 220v, you would need to have both L1 and L2 connected, AND a neutral? because just L1 and Neutral would only be 120v?
 
  • #34
dabnug said:
@Guineafowl I get that everyone has told me how to hook up a machine that is manufactured for the US power grid. Except my manufacture is telling me this is wrong. So my line of questions is to educate myself so that I am confident that they are one in the same
You’re absolutely right to check and double-check.

References to the machine “needing a dedicated neutral” aren’t quite accurate and may be something to do with translation. Perhaps they want to be sure you don’t involve the US centre-tap neutral in anything.
 
  • Like
Likes   Reactions: Asymptotic
  • #35
dabnug said:
ok, but this device is designed to operate with the US grid 220v per the spec. So for the input to actually be 220v, you would need to have both L1 and L2 connected, AND a neutral? because just L1 and Neutral would only be 120v?
No, just L1 and L2. Leave the neutral out.
 
  • Like
Likes   Reactions: Asymptotic
  • #36
dabnug said:
https://www.schneider-electric.com/...s&filter=product_parent_category_id-166406748

The input voltage specification for it when wired for single phase is 220 V nominal with a range from 200V to 255V. It can't be wired for 120V operation.

On the print, the drive is connected to "L1" and "N". In this case, "N" isn't neutral - the center tap on a 230V transformer in a US split single phase system - but is rather the other hot lead "L2".
ok, but this device is designed to operate with the US grid 220v per the spec. So for the input to actually be 220v, you would need to have both L1 and L2 connected, AND a neutral? because just L1 and Neutral would only be 120v?
What the manufacturer's print shows as "N" isn't neutral. It is "L2".
Nothing on these prints use 120V so far as I can see.
 
Last edited:
  • #37
Guineafowl said:
References to the machine “needing a dedicated neutral” aren’t quite accurate and may be something to do with translation. Perhaps they want to be sure you don’t involve the US centre-tap neutral in anything.
This is my suspicion as well.
 
  • #38
Guineafowl said:
There is no sensible way of obtaining a neutral like a Chinese/EU system in your country
Having thought about this, I realized you could use a suitably rated step-up autotransformer to achieve this. Still not necessary, though, and potentially hard to find.

How are you getting on?
 
  • #39
I got some electricians that specialize in equipment wiring to come and take a look. After inspecting the wiring and various transformers/power converters they said plug it in. The factory is wrong. Plugged it in and it worked. Sorry for dragging this thing out for so long.

I appreciate all the knowledge and detailed explanations along the way.
 

Attachments

  • IMG_20190522_083403.jpg
    IMG_20190522_083403.jpg
    38 KB · Views: 412
  • Like
Likes   Reactions: Asymptotic, Guineafowl and berkeman
  • #40
It is not uncommon for a factory to be 'wrong' simply because they don't want to open a can or worms so-to-speak. It is their right to do so. The company doesn't want the liability of someone from their organization advising a customer wrongly by accident so the policy is: "Wire it only this way!"
 
  • #41
Welcome to PF.
What is the maximum power or current demand of the printer-drier ?

If it is hard-wired to the building, you will need to call your electrician who will do it safely, according to the code. There should be no voltage problem.

If a power cable and a 3 pin plug, to suit a general purpose power outlet is fitted, then it must have sufficient capacity. The protective Earth PE must be connected, and the integrity checked. That again is a job for a qualified electrician.
 
  • #42
This problem NEEDS a qualified electrician to figure it out. We cannot properly solve it via the internet, so the thread is closed.
 

Similar threads

  • · Replies 1 ·
Replies
1
Views
2K
  • · Replies 5 ·
Replies
5
Views
3K
  • · Replies 19 ·
Replies
19
Views
4K
Replies
23
Views
7K
  • · Replies 6 ·
Replies
6
Views
2K
  • · Replies 7 ·
Replies
7
Views
5K
  • · Replies 5 ·
Replies
5
Views
6K
  • · Replies 16 ·
Replies
16
Views
5K
  • · Replies 7 ·
Replies
7
Views
2K
  • · Replies 6 ·
Replies
6
Views
2K