Using a low voltage supply in a class B amplifier

Click For Summary

Discussion Overview

The discussion revolves around the use of low voltage supplies in Class B amplifiers, exploring the relationship between input signal levels, power supply requirements, and amplifier efficiency. Participants raise questions about the implications of driving different load impedances and how these factors influence amplifier design.

Discussion Character

  • Exploratory
  • Technical explanation
  • Debate/contested
  • Mathematical reasoning

Main Points Raised

  • Some participants suggest that Class B amplifiers allow for smaller power supplies due to higher plate efficiency, as there is no DC base bias current.
  • Others argue that while lower impedance loads may require more current, the overall power supply size does not change significantly.
  • A participant notes that higher input signal levels typically necessitate higher supply voltages, but current requirements for input stages are generally minimal.
  • One participant presents calculations to illustrate how varying signal voltages affect output voltage and power supply size, questioning whether bias voltage is the primary determinant of power supply size.
  • Another participant emphasizes that the design of the preamplifier must consider multiple factors, including noise and distortion, which can influence the choice of power supply voltage.

Areas of Agreement / Disagreement

Participants express differing views on the relationship between input signal levels and power supply requirements, with no consensus reached on the primary factors influencing power supply size in amplifier design.

Contextual Notes

Participants highlight the complexity of amplifier design, noting that factors such as efficiency, load impedance, and signal characteristics can all impact power supply considerations. The discussion includes various assumptions and calculations that remain unresolved.

brainbaby
Messages
232
Reaction score
5
TL;DR
How the value of input signal affects the value of power supply for an amplifier circuit.
Hi, friends,
I have two queries.

I read somewhere that
1. In class B mode higher plate efficiency (tube amp) permits the use of smaller power supplies...and
2.For low level signals a low voltage supply is used, but as the signal level increases, so a high voltage supply is utilised.

Q1. what will happen when I drive a higher load (eg. 2 ohm), instead of a moderate one. Does the lower power supply able to provide higher voltage & current requirement of higher load? If not then why low power supply is recommended as a good design alternative.?

Q2 .what relation exist between the input signal and the value of power supply.?

Thanks!
 
Engineering news on Phys.org
Power supplies are usually rated in Watts which means for a given “size” supply you have higher voltage and lower current or lower voltage and higher current depending on your needs but when it comes to driving the speaker and assuming no change in efficiency bigger supplies give you more power at the speaker. You can go to a lower ohm speaker for a lower voltage but have to use more current to get the same output power so the supply size doesn’t change. A better approach is to improve efficiency in all areas such as heat loss or speaker efficiency. To answer your second question, you need higher voltages to accommodate higher input levels but generally current here is not a concern since input stages consume very little power and have a small effect on supply size
 
brainbaby said:
Summary:: How the value of input signal affects the value of power supply for an amplifier circuit.

1. In class B mode higher plate efficiency (tube amp) permits the use of smaller power supplies
In the class B amplifier, there is no DC base bias current as its quiescent current is zero, so that the dc power is small and therefore its efficiency is much higher than that of the class A amplifier. However, the price paid for the improvement in the efficiency is in the linearity of the switching device.

For more information of the power amplifier classes, see https://www.electronics-tutorials.ws/amplifier/amplifier-classes.html
 
  • Like
Likes   Reactions: brainbaby
Buckethead said:
higher voltages to accommodate higher input levels
could you please elaborate?

does by any mean "accommodate" means voltage at point c which is controlled by input level (signal) and is dictating the output?
hek9Ftg7BTIA6lakjFo440UycaGBowTOMIbRWpbSyP55pDS5m_.png
 
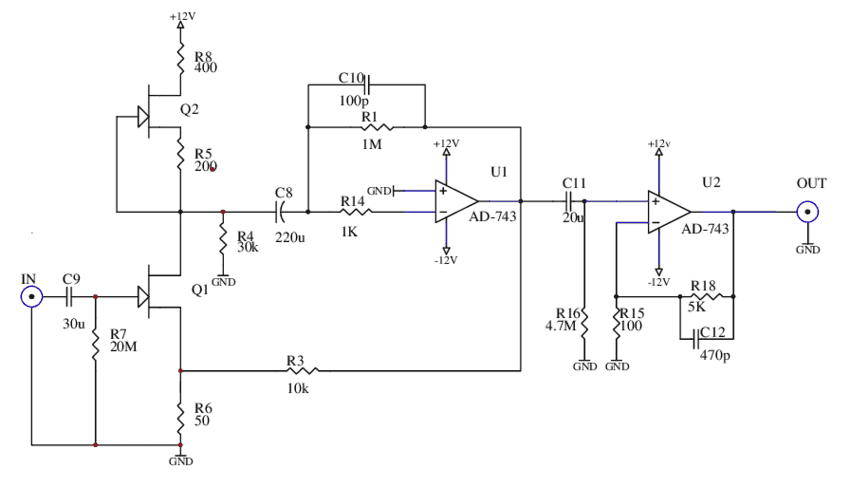
An input stage with a large dynamic range can be very complex, as shown in this figure.
1593094517695.png
 
  • Like
Likes   Reactions: brainbaby
Svein said:
An input stage with a large dynamic range can be very complex, as shown in this figure.
Hi Svein, thanks for your input,
could you please show some further insight on my second query... how exactly does the value of input signal decides the size of the power supply?
 
As usual - it depends.

If the power amplifier part needs 1Vrms at full output, the output swing of the preamplifier must be at least 3V p-p. This swing must be kept in the linear region of the preamplifier output, so assume a mimimum supply of +6V and -6V. A higher supply voltage will usually increase the preamplifier noise level.

But there is also the standardization issue. A standard supply to the preamplifier is usually +-15V. If so you will usually find extra decoupling and regulation for the input stage.
 
Svein said:
If the power amplifier part needs 1Vrms at full output, the output swing of the preamplifier must be at least 3V p-p. This swing must be kept in the linear region of the preamplifier output, so assume a mimimum supply of +6V and -6V.

After reading your prev. post carefully I did some simple calculations to understand what you are saying.

As we know, input voltage (Ec) = bias voltage (Ecc) + signal voltage (Eg)
Now, acc. to you 3 Vp-p is taken as the operating point which is equivalent to the bias voltage (derived from the power supply).

The operating point is kept in the linear region, mid point of the curve... fine.

Now, I have taken two cases of signal voltage (Eg) to be:
i) +- 6V (i.e 12 Vp-p) and..
ii) +- 2V (4 Vp-p)

Case i)
Ecc = -3v; Ecc= -3V;
Eg=+6v; Eg= --6V
Ec= -3 +(+6) Ec= -3 + (-6)
=3v Ec= -9V (As we can see clearly here that the rail to rail is higher)

Case ii)
Ecc= -3 V; Ecc= -3V;
Eg= +2 V Eg= -2 V
Ec= -3+ (+2) Ec= -3 + (-2)
= -1 V Ec= -5 V (here it is compensated to a lower value as the signal voltage was reduced to 2V)

From this calculation i have concluded some points.

1. As per formula the total voltage at input is a sum of bias vol. and the signal voltage.

2.Taking a higher signal voltage in case i) raises the *output voltage to 9V which means that increasing the signal voltage increases the output voltage which in turn increases the size of power supply.

3. In an intuitive sense this can also be thought as: acc to formula:
input voltage (Ec) = bias voltage (Ecc) + signal voltage (Eg)

At a constant input voltage, if signal vol. increases then bias voltage will decrease, in order to mathematically satisfy the equation. Since the bias voltage is provided by the power supply then any decrease in it will lower the size of the supply.

Note:
*output voltage ---> it is the input voltage (or the preamplifier output voltage)

Along with all this I also faced a doubt:
Since input voltage is a sum, the signal voltage is independently provided from a foreign source, bias vol. is ONLY provided by the power supply which is assumed to be a constant 3 V in both cases...
Therefore, Is it not better now to say that, it is the bias voltage which actually decides the size of the power supply??

I hope that I have made some sense...Please comment!
 
brainbaby said:
acc. to you 3 Vp-p is taken as the operating point
I did not say that, I said that the output of the preamplifier had to supply a 3Vp-p swing. The operating point is part of the design, for a +-6V supply, the operating point may well be around 0V. For the preamplifier shown below, the input stage operating point is probably around +6V.

The operating point for a good amplifier is chosen such that the maximum output swing does not leave the linear region (for a transistor input stage this means that whatever happens, no transistor should enter the saturation region).
1593263678373.png
 
  • #10
Svein said:
I did not say that, I said that the output of the preamplifier had to supply a 3Vp-p swing.
I am putting it like this...
3 Vp-p is the input to the output stage of the power amplifier and the bias voltage (operating point) is set to a certain constant voltage in the linear region.

Eventually, I am left with only two variables which are the signal voltage and the input voltage (bias+signal).

As the bias is dependent and the signal vol. is independent of the power supply, then how plausible will it be to say that the signal voltage controls the size of the power supply..!
 
  • #11
brainbaby said:
As the bias is dependent and the signal vol. is independent of the power supply, then how plausible will it be to say that the signal voltage controls the size of the power supply..!
In a way, yes. But remember that the output swing is only one part of the preamplifier design constraints. The input signal to the preamplifier can be about 100mV p-p (a CD-player) or 5mVp-p (a phono input). Other design issues are:
  • Low noise
  • Low distortion
  • No TIM (Transient Intermodulation Distortion)
The distortion requirements tend to push the power supply voltage upwards, the noise requirement tend to push it the other way. There is no absolute best way, therefore the plethora of preamplifier designs.
 
  • #12
brainbaby said:
Summary:: How the value of input signal affects the value of power supply for an amplifier circuit.

Hi, friends,
I have two queries.

I read somewhere that
1. In class B mode higher plate efficiency (tube amp) permits the use of smaller power supplies...and
2.For low level signals a low voltage supply is used, but as the signal level increases, so a high voltage supply is utilised.

Q1. what will happen when I drive a higher load (eg. 2 ohm), instead of a moderate one. Does the lower power supply able to provide higher voltage & current requirement of higher load? If not then why low power supply is recommended as a good design alternative.?

Q2 .what relation exist between the input signal and the value of power supply.?

Thanks!
The Class B amplifier is efficient because at the crest of the waveform the output stage is operating like something approaching a switch, so it wastes very little power. In a Class A amplifier the output stage does not do this and dissipates power throughout the cycle. So a PSU for Class A must deliver more power for a given audio output.
When you chose your 2 Ohm load, the max power you can deliver to it is dictated by the voltage of the power supply. For instance, if the tube or transistor has zero resistance, a 2 volt supply could not give more than 1 amp, or 2 watts peak. More power output can be obtained by using a lower load resistance or higher supply voltage. Regarding the input signal, we cannot drive the amplifier beyond this output power.
As a matter of interest, for a given set up, the output power of a Class B amplifier is proportional to the square of the input voltage; this means it is a linear amplifier.
 
  • #13
Well, I was going to stay out of this one, but in a PM @brainbaby extended an invitaion/request. So here goes.

This thread seems to be wandering from and around the initial questions presented, which were:
  1. the relationship between class B amplifier efficiency and power supply size
  2. signal level versus supply voltage
  3. something (unclear) about heavier load and lower power supply
  4. and a restatement asking about signal level and power supply
Let's start with #2 & #4 above. This post (quoted below) seems to refer to an input or intermediate stage in a multi-stage amplifier.
brainbaby said:
Along with all this I also faced a doubt:
Since input voltage is a sum, the signal voltage is independently provided from a foreign source, bias vol. is ONLY provided by the power supply which is assumed to be a constant 3 V in both cases...
Therefore, Is it not better now to say that, it is the bias voltage which actually decides the size of the power supply??

I hope that I have made some sense...Please comment!
A difficult factor in post #8 is that the OP does not state which device terminal is being talked about when referring to the various voltages. @brainbaby, in the future please explicitly state which device terminal is being referenced. After reading it a few times, I am convinced you had it straight in your mind; bit few of us here are mind readers!

Another confusing factor here is the use of "bias voltage" apparently referring to Collector voltage. While technically correct, in common usage a 'bias' voltage (or bias current) generally refers to the input terminal of a device (Grid, Base). When referring to the output terminal of a device (Plate, Collector), usually the term 'quiescent' is used, referring to the inactive or dormant state/condition.

...bias vol. is ONLY provided by the power supply which is assumed to be a constant 3 V...
The quiescent Collector voltage VC is determined by the power supply, the Collector load resistance RC, and the Collector current IC. For best linearity, lowest distortion, and maximum available output voltage swing, the load resistor and Collector current are usually chosen to obtain 1/2 the supply voltage on the Collector at the no-signal (quiescent) point; this is often called the 'DC operating point.'

Your post #8 SEEMS quite close, but to be sure could you please repost keeping the above comments in mind?
Thanks.

Cheers,
Tom

p.s. Whew, this thread should be in the Homework section!
 
  • #14
I'm learning about this too.

If someone wouldn't mind: I'm seeing comments like stay in the linear region, but isn't the class B amplifier not linear by definition? Wouldn't there be no way to stay in a linear region unless they change to a class A amplifier because class B only conducts for half the sinusoidal?
 
  • #15
Joshy said:
I'm learning about this too.

If someone wouldn't mind: I'm seeing comments like stay in the linear region, but isn't the class B amplifier not linear by definition? Wouldn't there be no way to stay in a linear region unless they change to a class A amplifier because class B only conducts for half the sinusoidal?
Class B is used in Push-Pull power output stages, often of audio amps driving a speaker. The advantage of course is that there is little or no quiescent Collector current required, thus keeping down the power dissipation (and the power supply size.) Here is a tutorial for some bipolar class B transistor circuits.
https://www.electronics-tutorials.ws/amplifier/amp_6.html

Cheers,
Tom
 
  • #16
Joshy said:
I'm seeing comments like stay in the linear region, but isn't the class B amplifier not linear by definition?
Please try to understand what is being said in this thread:
  • A class B amplifier is linear, but it may have some distortion where the output crosses zero.
  • The "stay in the linear region" comments were made by me, and refers to the preamplifier, not the power amplifier
You have been served with various links to power amplifier designs. Read those!
 
  • #17
Is the distortion considered linear too or is that something completely avoidable in class B?
 
  • #18
Joshy said:
Is the distortion considered linear too or is that something completely avoidable in class B?
'Linear' means that the output is an exact copy of the input, ignoring amplitude of course.

To minimize the distortion around the Zero-crossing of the signal, class AB is used in the real world. The AB class has a little bit of quiescent current flowing in the active devices at Zero input. That's why there is some DC Base bias supplied when implementing class B with transistors. Without the Base bias and resulting quiescent Collector current (making the design class AB), the input would have to reach 0.7V to turn on the transistors. The resulting crossover distortion is quite annoying! And the quieter passages never even get played.

When implemented with vacuum tubes, the tubes used normally conduct with no Grid voltage, in fact they generally need a negative grid voltage to avoid self-destruction. Again, strictly class B is rare (absent?) in audio amplifiers, there is always a bit of Plate current making them class AB so they can respond to signal voltages close to Zero.

For other uses where absolute linearity around Zero is not required, perhaps an adjustable power supply that can go + and - on its output, Class B could be used with plenty of negative feedback to minimize the nonlinearity.

Oh, and that is why audio amplifiers generally us negative feedback from the output terminals. No matter how well you try to match all of the components, there are always small mismatches and distortions, especially in the output stage. (and the speakers, but that is a different can of worms.)

Cheers,
Tom
 
  • Like
Likes   Reactions: Carrock, Svein and Jody
  • #19
Tom.G said:
Without the Base bias and resulting quiescent Collector current (making the design class AB), the input would have to reach 0.7V to turn on the transistors.
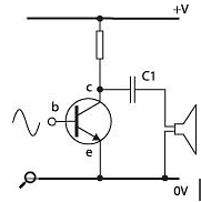
A few nits to pick here - what you describe here is a class C amplifier, which is only used in RF applications. In reality, the difference between class AB and class B can be very small. Take a look at the power amplifier schematic below. Here Q7 determines how much quiescent current the output stage draws - and the bias across Q7 is determined by P1. Thus you can tune the quiescent current by varying P1 - from genuine class B to class AB.

In real life, nobody would use a variable resistor for P1 - not because of the cost of the component, but the cost of having somebody measuring the quiescent current and adjusting P1 to the correct value. Therefore a fixed resistor is used instead of P1, the value having been determined in the development lab.

1593588356584.png
 
  • #20
brainbaby said:
Is it not better now to say that, it is the bias voltage which actually decides the size of the power supply??

Signal voltage is in series with bias voltage which collectively known as input voltage i.e voltage between input terminal and ground.
As the signal voltage goes positive the input voltage becomes less negative which results increase in collector current and this change in the collector current is furnished by the power supply (amplifying action of transistor) thereby increasing its size.
I think so now I am quite close to the concept.
 
  • #21
Joshy said:
I'm learning about this too.

If someone wouldn't mind: I'm seeing comments like stay in the linear region, but isn't the class B amplifier not linear by definition? Wouldn't there be no way to stay in a linear region unless they change to a class A amplifier because class B only conducts for half the sinusoidal?
For Class B you need two transistors or two valves, one for each half cycle. It is then called a push-pull amplifier. An exception is if the amplifier is used in a radio transmitter, when we can use the flywheel effect of a resonant circuit to fill in the missing half cycles. When used in this way it is a linear amplifier.
 
  • Like
Likes   Reactions: brainbaby
  • #22
I've never heard of the flywheel effect. I'm seeing bits and pieces online, but I'd like to know what kind of circuit can produce that or maybe a reference that has more about it? Is it a set of passives after the amplifier or is this something that (intrinsically) happens out of luck? That sounds really cool and relevant to amplifiers. Can flywheel resolve the crossover distortion problem with class B amplifiers?
 
  • #23
Joshy said:
I've never heard of the flywheel effect. I'm seeing bits and pieces online, but I'd like to know what kind of circuit can produce that or maybe a reference that has more about it? Is it a set of passives after the amplifier or is this something that (intrinsically) happens out of luck? That sounds really cool and relevant to amplifiers. Can flywheel resolve the crossover distortion problem with class B amplifiers?
It is a resonant circuit (tuned circuit). Since a resonant circuit that is not overly damped will ring at its resonant frequency, it will supply the missing part of a sine wave at its resonant frequency.

So no, it won't be effective for crossover distortion in the audio band, it would just supply a peak in the frequency response.

A mechanical analogy would be a weight suspended by a spring. If you displace the weight, regardless of how quickly or slowly you do so, when you let go, the weight will oscillate up and down at the weight/spring resonant frequency. That happens to be a mechanical tuned assembly (circuit).

I suspect the 'flywheel effect' naming comes from noting that both a resonant circuit and a flywheel will keep going after excitation.

Svein said:
A few nits to pick here - what you describe here is a class C amplifier, which is only used in RF applications.
Technically, probably class C; and I agree the demarcation line between classes B and C is not well defined. General usage seems that class C most often refers to a 90° or so (25%) conduction angle.

A couple tutorials:
https://www.electronics-tutorials.ws/amplifier/amplifier-classes.html
https://circuitdigest.com/tutorial/classes-of-power-amplifier-explained

brainbaby said:
I think so now I am quite close to the concept.
Yup!

Cheers,
Tom
 
  • Like
Likes   Reactions: brainbaby
  • #24
Joshy said:
I've never heard of the flywheel effect. I'm seeing bits and pieces online, but I'd like to know what kind of circuit can produce that or maybe a reference that has more about it? Is it a set of passives after the amplifier or is this something that (intrinsically) happens out of luck? That sounds really cool and relevant to amplifiers. Can flywheel resolve the crossover distortion problem with class B amplifiers?
Tech99 is talking about a radio circuit.
tech99 said:
... An exception is if the amplifier is used in a radio transmitter, when we can use the flywheel effect of a resonant circuit to fill in the missing half cycles. ( When used in this way it is a linear amplifier.)?*
The circuit used is simply an parallel LC resonant circuit, sometimes called a "tank"circuit.
You can drive such a circuit with a series of short pulses (spaced at the resonant frequency.) Most of the current flowing in such a circuit is oscillating at the resonant frequency. There must be some at harmonic frequencies, because the pulses supply that current, but it does not result in a large oscillating current, nor large voltage across the parallel circuit.
The output from the LC tank circuit, often inductively coupled, is then fed through a low pass filter to further reduce the harmonic content. Then ideally it is fed to a resonant antenna, which again discriminates in favour of the design frequency and against the harmonics.
All that is only possible because the circuit is operating at or very close to a single frequency: not what you'd want in a hifi audio amp! Class C was commonly used for CW transmitters where there is a single RF frequency, amplitude modulated at a very low frequency of 10 Hz or so. That could be very strongly filtered as the sidebands are negligible.
Class C can be used for FM where the distortion has less significant effect on the modulation.
For AM carrying audio it would be difficult to achieve adequate suppression of harmonics without too much distortion, so class A or B is more likely.
(*)These aA, B amps are called linear amplifiers. They generate much less harmonic and intermodulation distortion. Class C generates the harmonics, but filters them out. Since effectively only a single frequency is present, other distortion is irrelevant.
A class C RF amp would be unacceptable without the tank circuit, as irrespective of the quality of the signal, it would cause excessive interference on other frequencies. Also, I don't think it would retain its desirable efficiency, as it would now be generating significant amounts of unwanted RF power.
 
  • Like
  • Love
Likes   Reactions: brainbaby and Tom.G
  • #25
Joshy said:
I've never heard of the flywheel effect. I'm seeing bits and pieces online, but I'd like to know what kind of circuit can produce that or maybe a reference that has more about it? Is it a set of passives after the amplifier or is this something that (intrinsically) happens out of luck? That sounds really cool and relevant to amplifiers. Can flywheel resolve the crossover distortion problem with class B amplifiers?
For radio frequency use, where many cycles are going to be the same, we can use a flywheel effect to avoid using two transistors or tubes. We place a parallel resonant combination of inductance and capacitance across amplifier load resistance. This builds up a store of energy over a few half cycles and then slowly releases it to create the missing half cycles. It is traditionally called a tank circuit because it acts as a storage device. It can be thought of either as a flywheel or as a harmonic filter, in which case we can see that it makes the waveform more sinusoidal. If we use an RF amplifier in Class A it is not essential to have a tank circuit, but for single ended operation in Class AB, B or C, where the cycles are incomplete, we need to have one.
Class C is not a linear mode of operation as the output is not proportional to the input. The linearity deteriorates as we go from Class A to Class B but efficiency improves. Cross over distortion is a feature of transistor amplifiers as they require slight forward bias before conduction, whereas tube amplifiers have a more gentle cut off and are usually operated slightly "on" with zero signal, which avoids cross over distortion. A tank circuit per se will not prevent cross over distortion. And as I mentioned previously, a tank circuit is of no help with an ordinary audio amplifier, where two tubes or transistors are required.
 
  • #26
brainbaby said:
Summary:: How the value of input signal affects the value of power supply for an amplifier circuit.

Hi, friends,
I have two queries.

I read somewhere that
1. In class B mode higher plate efficiency (tube amp) permits the use of smaller power supplies...and
2.For low level signals a low voltage supply is used, but as the signal level increases, so a high voltage supply is utilised.

Q1. what will happen when I drive a higher load (eg. 2 ohm), instead of a moderate one. Does the lower power supply able to provide higher voltage & current requirement of higher load? If not then why low power supply is recommended as a good design alternative.?

Q2 .what relation exist between the input signal and the value of power supply.?

Thanks!
Are you talking about tube amplifier like guitar amp or hifi power amp type?

1) No, just because you are running class B with very low bias current does NOT mean you can use smaller supply. It depends on what power output you want. class A, Class AB or Class B has no baring on the size of the power supply, it's the required output power that govern that. Sure, if you don't put any signal, yes, your class B can use smaller supply, BUT as soon as you put in some signal, the amp will clip at much lower power.

2) Yes, generally there is this relation, the higher the power of the amp, the higher the voltage you need. BUT it's not absolute, for tube amp, it depends on the current capability of the tube, the output transformer turn ratio. For transistor amps, yes, there is a direct relation of supply voltage to the power output.

Q1, for tube amp, you need to match the output transformer tap to the load impedance, You don't get higher or lower power with 2ohm or 8ohm load, it's about matching. don't look at that other parameters. Tube amps are more complicated in calculation as you have transformer taping.

You have to put the schematic, give more information. I design tube guitar amps and SS hifi power amps. I need much more information to help you.
 

Similar threads

  • · Replies 32 ·
2
Replies
32
Views
3K
  • · Replies 8 ·
Replies
8
Views
3K
Replies
7
Views
2K
  • · Replies 11 ·
Replies
11
Views
2K
  • · Replies 7 ·
Replies
7
Views
4K
  • · Replies 32 ·
2
Replies
32
Views
4K
  • · Replies 9 ·
Replies
9
Views
5K
  • · Replies 7 ·
Replies
7
Views
3K
Replies
4
Views
2K
  • · Replies 6 ·
Replies
6
Views
5K