What is the Charge on a Capacitor with Given Area and Plate Separation?

  • Thread starter Thread starter gracy
  • Start date Start date
  • Tags Tags
    Capacitor Charge
Click For Summary

Homework Help Overview

The discussion revolves around determining the charge on the plates of a parallel plate capacitor given the area and separation between the plates. Participants explore the relationship between capacitance, voltage, and charge in the context of electrostatics.

Discussion Character

  • Exploratory, Conceptual clarification, Assumption checking

Approaches and Questions Raised

  • Participants discuss the formula for capacitance and how it relates to charge, questioning the need for voltage in the equation. There are attempts to clarify the implications of grounding and the symmetry of charge distribution on the plates.

Discussion Status

The discussion is ongoing with various interpretations being explored. Some participants have provided guidance on the relationships between charge, voltage, and capacitance, while others are questioning the assumptions made about charge distribution and grounding.

Contextual Notes

There are discussions about the implications of grounding on charge distribution, the assumptions regarding voltage references, and the potential for different charge distributions on the plates based on their connections in the circuit.

gracy
Messages
2,486
Reaction score
83

Homework Statement


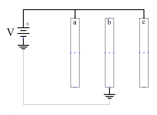
find the charge on each plate given area is a and separation between two consecutive plate is d
CAPACITORPLATE.png


Homework Equations


##Q##=##C####V##

The Attempt at a Solution


E.png
I don't know how to proceed from here.
 
Last edited:
Physics news on Phys.org
You need another relevant equation. What is the capacitance of a parallel plate capacitor with plate area ##a## and plate separation ##d##?
 
gneill said:
What is the capacitance of a parallel plate capacitor with plate area aa and plate separation dd?
##C##=##\frac{aε0}{d}##
 
Yes. Proceed.
 
Q=C##\frac{aε0}{d}##
Will this be charge on each plate?
 
gracy said:
Q=C##\frac{aε0}{d}##
Will this be charge on each plate?
No. That has two capacitance terms. You need a voltage and a capacitance: Q = CV.
 
  • Like
Likes   Reactions: gracy
Haste makes waste!
Q=V##\frac{aε0}{d}##
Will this be charge on each plate?
 
Last edited:
gracy said:
Haste makes waste!
Q=C##\frac{aε0}{d}##
Will this be charge on each plate?
Still too hasty. You've written the same thing again :smile:

Each capacitor plate in your circuit diagram will have the same magnitude of charge on it. You'll have to sort out the signs of the charges. Then determine how to locate those charges on the plates of the original figure -- remember, one physical plate is shared between two capacitors.
 
gneill said:
Each capacitor plate in your circuit diagram will have the same magnitude of charge on it
But hint says plate B would have different charge.
 
  • #10
gracy said:
But hint says plate B would have different charge.
Yes. I presume "plate B" is the middle plate of the physical setup? You didn't label your diagram.

Note that I said: "Each capacitor plate in your circuit diagram will have the same magnitude of charge on it". There is a distinction between the circuit diagram and the physical arrangement in that the circuit diagram shows two plates in two separate capacitors whereas the physical setup uses a shared plate. Re-read the entire contents of my post #8.
 
  • #11
gneill said:
You didn't label your diagram.
H.png
 
  • #12
gneill said:
Each capacitor plate in your circuit diagram will have the same magnitude of charge on it. You'll have to sort out the signs of the charges. Then determine how to locate those charges on the plates of the original figure -- remember, one physical plate is shared between two capacitors.
J.png


Should not plate B cntain zero charge as it is earthed?
 
  • #13
gracy said:
View attachment 92767

Should not plate B cntain zero charge as it is earthed?
No, "earth" is a vast pool of available charges, both positive and negative and overall neutral. It can supply whatever charge is required to respond to electrostatic forces. Or, if you like, it can source or sink any amount of electrons, if you want to go with an atomic model for the plates and conductors.

Your charge placement is not correct. Note that plates A and C are symmetrical and connected to the same potential (V). They should end up with similar charges distributed in the same way. Charges are made available to those plates via their connection to V. So far I think we've been assuming that V is a positive potential with respect to ground (earth), which is fine, but you should state that assumption in your solution.
 
  • Like
Likes   Reactions: gracy
  • #14
gneill said:
that V is a positive potential with respect to ground
I did not understand that.
 
  • #15
gracy said:
I did not understand that.
V is taken to be a voltage supply. Voltage is a potential difference. When a terminal is just labeled "V" then it is assumed that that potential difference is between the terminal and the ground reference.
 
  • #16
gneill said:
Note that plates A and C are symmetrical and connected to the same potential (V). They should end up with similar charges distributed in the same way
I don't quite get the relationship between being symmetrical and connected to the same potential and having same charge distribution.
I distributed charge by only considering charge induction.
 
  • #17
gracy said:
But hint says plate B would have different charge.
e-png.92761.png

Plates 2 and 3 along with the wire joining them, form plate B in your original question.
gracy said:
Q=Vaε0d\frac{aε0}{d}
That is for one capacitor(1-2 or 3-4). The capacitors are in parallel. So you can find the total charge now.
 
  • #18
gracy said:
I don't quite get the relationship between being symmetrical and connected to the same potential and having same charge distribution.
If you rotate the drawing on the page, do you expect the charges on the plates to change? Is there any distinction (electrically) between the two outer plates?
I distributed charge by only considering charge induction.
You'll have to explain how you ended up with different distributions on the two outer plates.
 
  • Like
Likes   Reactions: gracy
  • #19
gracy said:
I don't quite get the relationship between being symmetrical and connected to the same potential and having same charge distribution.
I distributed charge by only considering charge induction.
j-png.92767.png

A and C are connected to same potential V and you have shown net +ve charge on A and other plates neutral. Why A? Why not C?
 
  • Like
Likes   Reactions: gracy
  • #20
Is it correct now?
L.png
 
  • #21
gracy said:
View attachment 92767

Should not plate B cntain zero charge as it is earthed?
Its 'grounded' i.e it is at 0 potential. It doesn't have to be an actual earthing. It can be battery's -ve terminal.
 
  • #22
gracy said:
Is it correct now?
View attachment 92773
Now you've shown all the plates neutral. There should be net charge on each plate.
 
  • #23
gneill said:
V is taken to be a voltage supply. Voltage is a potential difference. When a terminal is just labeled "V" then it is assumed that that potential difference is between the terminal and the ground reference.
As in here V is potential difference between A and B

bridge-png.92753.png


Potential difference is always between two points
But in the following image(my op)there is only one lead connected and it is written "V" so in such cases it is assumed that other point is earth."V "is potential difference between the one terminal shown and the earth.Right?
 
  • #24
cnh1995 said:
There should be net charge on each plate.
Just because question says find the" charge".If this question appeared as MCQ and option was to be zero then?
 
  • #25
cnh1995 said:
It doesn't have to be an actual earthing. It can be battery's -ve terminal.
I did not understand.
 
  • #26
gracy said:
Is it correct now?
View attachment 92773
No. Charges will be "pushed onto" the outer plates by the voltage supply, and "pushed off" the middle plate via the ground connection. The plates will not remain neutral since charge can enter or leave via their external connections. In other words, there's no reason to balance the charges on the faces of any given plate so that they will sum to zero.

And again, the charge distributions on the outer plates should be symmetric with respect to the middle plate.
 
  • Like
Likes   Reactions: cnh1995
  • #27
gracy said:
Just because question says find the" charge".If this question appeared as MCQ and option was to be zero then?
You yourself correctly interpreted the circuit as two capacitors in parallel connected across some voltage V. So the plates MUST have a net charge.
 
  • #28
gracy said:
But in the following image(my op)there is only one lead connected and it is written "V" so in such cases it is assumed that other point is earth."V "is potential difference between the one terminal shown and the earth.Right?
Right. Here's an alternative depiction of your circuit:

Fig2.PNG
 
  • Like
Likes   Reactions: cnh1995 and gracy
  • #29
gracy said:
I did not understand.
The symbol used is normally called 'ground' i.e. a reference point in the circuit. Normally, it is the negative terminal of the battery (exceptions do exist), however, you can choose any point in the circuit as reference. All the voltages are measured w.r.t. that point. Earthing is done from protection point of view. Anyways, this is not the point of the discussion, so I won't say much.
 
  • #30
I still don't understand why plates can not be neutral.
 

Similar threads

  • · Replies 18 ·
Replies
18
Views
3K
Replies
1
Views
1K
Replies
11
Views
4K
  • · Replies 14 ·
Replies
14
Views
2K
  • · Replies 16 ·
Replies
16
Views
4K
Replies
4
Views
2K
  • · Replies 18 ·
Replies
18
Views
3K
  • · Replies 31 ·
2
Replies
31
Views
5K
Replies
5
Views
2K