What is the Charge on a Capacitor with Given Area and Plate Separation?

  • Thread starter Thread starter gracy
  • Start date Start date
  • Tags Tags
    Capacitor Charge
Click For Summary

Homework Help Overview

The discussion revolves around determining the charge on the plates of a parallel plate capacitor given the area and separation between the plates. Participants explore the relationship between capacitance, voltage, and charge in the context of electrostatics.

Discussion Character

  • Exploratory, Conceptual clarification, Assumption checking

Approaches and Questions Raised

  • Participants discuss the formula for capacitance and how it relates to charge, questioning the need for voltage in the equation. There are attempts to clarify the implications of grounding and the symmetry of charge distribution on the plates.

Discussion Status

The discussion is ongoing with various interpretations being explored. Some participants have provided guidance on the relationships between charge, voltage, and capacitance, while others are questioning the assumptions made about charge distribution and grounding.

Contextual Notes

There are discussions about the implications of grounding on charge distribution, the assumptions regarding voltage references, and the potential for different charge distributions on the plates based on their connections in the circuit.

  • #61
How can we know this time Earth will give charges and at the other instance it won't?
 
Last edited:
Physics news on Phys.org
  • #62
gracy said:
Should not q transfer direction be other way around in #54?
How so? The batteries are driving charge in the direction that a current would flow.
 
  • Like
Likes   Reactions: gracy
  • #63
I am taking q to be electron because it is electron which actually travels.
 
  • #64
My bad that would be -q then not q,right?
 
  • #65
gracy said:
How can we know this time Earth will give charges and the other it won't?
The charges are available if needed. If they are not needed, none are "borrowed".
 
  • Like
Likes   Reactions: cnh1995 and gracy
  • #66
gracy said:
How can we know this time Earth will give charges and the other it won't?
When there is a potential difference between earthed plate and other plate(s), Earth will give charge.
 
  • #67
What is called " need" in this context?
 
  • #68
gracy said:
What is called " need" in this context?
I believe its the potential difference.
 
  • #69
gracy said:
I am taking q to be electron because it is electron which actually travels.
I've assumed conventional current, where charge carriers are assumed to be positive. It's less likely to confuse others if we stick to the convention.
 
  • Like
Likes   Reactions: gracy
  • #70
cnh1995 said:
When there is a potential difference between earthed plate and other plate(s), Earth will give charge.
And when Earth takes charge?
 
  • #71
gracy said:
And when Earth takes charge?
When Earth is at higher potential then the other plate(s).
 
  • #72
gracy said:
What is called " need" in this context?
A potential difference that requires charges to move. They have to come from somewhere. If they are available from an external connection then that's where they come from. If the plate were isolated then existing charges could only be re-arranged, and charge separation would occur.
 
  • Like
Likes   Reactions: gracy and cnh1995
  • #73
Why there is no potential difference between earthed plate and other plate(s) in #39
 
  • #74
cnh1995 said:
When Earth is at higher potential then the other plate(s).

You meant when earthed plate is at higher potential then the other plate(s)?
 
  • #75
When Earth gives electron?

when earthed plate is at lower potential then the other plate(s)?
 
  • #76
gracy said:
You meant when earthed plate is at higher potential then the other plate(s)?
Yes. When 'ground' is assumed at +ve terminal.
 
  • #77
How can we know earthed plate is at higher or lower potential than the other plate(s)?
 
  • #78
gracy said:
When Earth gives electron?

when earthed plate is at lower potential then the other plate(s)?
Yes.
 
  • #79
gracy said:
How can we know earthed plate is at higher or lower potential than the other plate(s)?
By convention, +ve side is considered as higher potential side.
 
  • #80
cnh1995 said:
By convention, +ve side is considered as higher potential side.
Here side means?
 
  • #81
gracy said:
Here side means?
Sorry, I meant +ve charged part of the circuit like +ve terminal of the battery.
 
  • #82
cnh1995 said:
Sorry, I meant +ve charged part of the circuit like +ve terminal of the battery.
plate with net positive charge is at higher potential and plate with net negative charge is at lower potential,right?
 
  • #83
gracy said:
plate with net positive charge is at higher potential and plate with net negative charge is at lower potential,right?
Yes, by convention.
 
  • #84
gracy said:
Why there is no potential difference between earthed plate and other plate(s) in #39
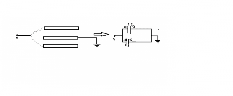
There is. It's established by the two batteries. Plate a is at +V with respect to the middle plate, and plate c is at -V with respect to the middle plate.
 
  • #85
Then why no charge transfer occur from Earth as charge are transferred from Earth if there is potential difference between earthed plate and the other plate(s)?
 
  • #86
gracy said:
Then why no charge transfer occur from Earth as charge are transferred from Earth if there is potential difference between earthed plate and the other plate(s)?
I believe that's because it is connected to +ve terminal of one battery and -ve terminal of the other battery.
 
  • #87
cnh1995 said:
I believe that's because it is connected to +ve terminal of one battery and -ve terminal of the other battery.
Formation of net -ve charge is avoided by the +ve terminal of one battery and formation of +ve charges is avoided by the -ve terminal of the other battery. However, if the two battery voltages were different, there would be net charge on the middle plate.
 
Last edited:
  • #88
cnh1995 said:
Yes, by convention.
This is not correct as I have pointed out previously. The charge on a plate does not determine its potential. The potential of a plate does not determine its charge.
 
  • Like
Likes   Reactions: davenn
  • #89
jbriggs444 said:
This is not correct as I have pointed out previously. The charge on a plate does not determine its potential. The potential of a plate does not determine its charge.
I agree. But in case of a battery, isn't +ve terminal considered as higher potential conventionally? Also, conventional current is assumed to be from higher potential to lower potential and its direction is shown from +ve to -ve terminal of the battery. So, if a capacitor is connected across a battery, its +vely charged plate will be at higher potential than the -ve plate. That's what I meant in that post.
 
  • #90
cnh1995 said:
I agree. But in case of a battery, isn't +ve terminal considered as higher potential conventionally? Also, conventional current is assumed to be from higher potential to lower potential and its direction is shown from +ve to -ve terminal of the battery. So, if a capacitor is connected across a battery, its +vely charged plate will be at higher potential than the -ve plate. That's what I meant in that post.
Agreed, the relatively more positively charged plate will be at a higher potential than the relatively less positively charged plate.
 

Similar threads

  • · Replies 18 ·
Replies
18
Views
3K
Replies
1
Views
1K
Replies
11
Views
3K
  • · Replies 14 ·
Replies
14
Views
1K
  • · Replies 16 ·
Replies
16
Views
4K
Replies
4
Views
2K
  • · Replies 18 ·
Replies
18
Views
3K
  • · Replies 31 ·
2
Replies
31
Views
3K
Replies
5
Views
942