What is the Charge on a Capacitor with Given Area and Plate Separation?

  • Thread starter Thread starter gracy
  • Start date Start date
  • Tags Tags
    Capacitor Charge
AI Thread Summary
The discussion centers on calculating the charge on capacitor plates given their area and separation. The capacitance of a parallel plate capacitor is defined as C = (aε0)/d, leading to the charge formula Q = CV. Participants clarify that each plate in a circuit diagram has the same magnitude of charge, but the physical arrangement may differ due to shared plates and grounding. Grounding affects charge distribution, as it allows for charge flow, meaning plates can have excess charge despite being neutral in potential. Ultimately, the relationship between symmetry, potential, and charge distribution is emphasized, with a focus on understanding how voltage influences charge on the plates.
  • #51
Plate A and C would have net positive charge,right?
 
Physics news on Phys.org
  • #52
gracy said:
Plate A and C would have net positive charge,right?
Yes. The middle plate alone will have -ve charge whose magnitude will be twice the +ve charge on each plate.
 
  • #53
gneill said:
The middle plate is externally connected (to ground), but is situated between two plates that have opposite potentials with respect to ground reference. The net result will be no excess charge on the middle plate, although it will have equal and opposite charges on its surfaces.
I did not understand.Why can not Earth take or give any charges to plate b?
 
  • #54
gracy said:
Plate b would have negative charges on it because of plate a and would have positive charges on it because of plate c,right?
Right. Sometimes it helps to sketch in the electric field lines that are imposed by the potential differences, and recall that electric field lines always begin on a positive charge and end on a negative charge.

Fig3.PNG
 
  • Like
Likes gracy
  • #55
cnh1995 said:
The middle plate alone will have -ve charge whose magnitude will be twice the +ve charge on each plate.
Because Earth can give as much plate needs.
 
  • #56
gracy said:
I did not understand.Why can not Earth take or give any charges to plate b?
It can. But it doesn't in this case. The situation calls for equal amounts of + and - charges on the middle plate, for a net sum of zero charge.
 
  • #57
gneill said:
The situation calls for equal amounts of + and - charges on the middle plate, for a net sum of zero charge.
But Earth does not give them.Plate b already possesses that.
 
  • #58
gracy said:
Because Earth can give as much plate needs.
That's one way to look at it.
fig2-png.92774.png

If you look at this diagram, +ve terminal provides +Q charge to each plate, thus giving out total +2Q of charge. Hence, -ve terminal(ground) provides -2Q charge.
 
  • #59
gracy said:
But Earth does not give them.Plate b already possesses that.
Correct.
 
  • #60
Should not q transfer direction be other way around in #54?I am taking q to be electron because it is electron which actually travels.
 
  • #61
How can we know this time Earth will give charges and at the other instance it won't?
 
Last edited:
  • #62
gracy said:
Should not q transfer direction be other way around in #54?
How so? The batteries are driving charge in the direction that a current would flow.
 
  • Like
Likes gracy
  • #63
I am taking q to be electron because it is electron which actually travels.
 
  • #64
My bad that would be -q then not q,right?
 
  • #65
gracy said:
How can we know this time Earth will give charges and the other it won't?
The charges are available if needed. If they are not needed, none are "borrowed".
 
  • Like
Likes cnh1995 and gracy
  • #66
gracy said:
How can we know this time Earth will give charges and the other it won't?
When there is a potential difference between earthed plate and other plate(s), Earth will give charge.
 
  • #67
What is called " need" in this context?
 
  • #68
gracy said:
What is called " need" in this context?
I believe its the potential difference.
 
  • #69
gracy said:
I am taking q to be electron because it is electron which actually travels.
I've assumed conventional current, where charge carriers are assumed to be positive. It's less likely to confuse others if we stick to the convention.
 
  • Like
Likes gracy
  • #70
cnh1995 said:
When there is a potential difference between earthed plate and other plate(s), Earth will give charge.
And when Earth takes charge?
 
  • #71
gracy said:
And when Earth takes charge?
When Earth is at higher potential then the other plate(s).
 
  • #72
gracy said:
What is called " need" in this context?
A potential difference that requires charges to move. They have to come from somewhere. If they are available from an external connection then that's where they come from. If the plate were isolated then existing charges could only be re-arranged, and charge separation would occur.
 
  • Like
Likes gracy and cnh1995
  • #73
Why there is no potential difference between earthed plate and other plate(s) in #39
 
  • #74
cnh1995 said:
When Earth is at higher potential then the other plate(s).

You meant when earthed plate is at higher potential then the other plate(s)?
 
  • #75
When Earth gives electron?

when earthed plate is at lower potential then the other plate(s)?
 
  • #76
gracy said:
You meant when earthed plate is at higher potential then the other plate(s)?
Yes. When 'ground' is assumed at +ve terminal.
 
  • #77
How can we know earthed plate is at higher or lower potential than the other plate(s)?
 
  • #78
gracy said:
When Earth gives electron?

when earthed plate is at lower potential then the other plate(s)?
Yes.
 
  • #79
gracy said:
How can we know earthed plate is at higher or lower potential than the other plate(s)?
By convention, +ve side is considered as higher potential side.
 
  • #80
cnh1995 said:
By convention, +ve side is considered as higher potential side.
Here side means?
 
  • #81
gracy said:
Here side means?
Sorry, I meant +ve charged part of the circuit like +ve terminal of the battery.
 
  • #82
cnh1995 said:
Sorry, I meant +ve charged part of the circuit like +ve terminal of the battery.
plate with net positive charge is at higher potential and plate with net negative charge is at lower potential,right?
 
  • #83
gracy said:
plate with net positive charge is at higher potential and plate with net negative charge is at lower potential,right?
Yes, by convention.
 
  • #84
gracy said:
Why there is no potential difference between earthed plate and other plate(s) in #39
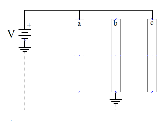
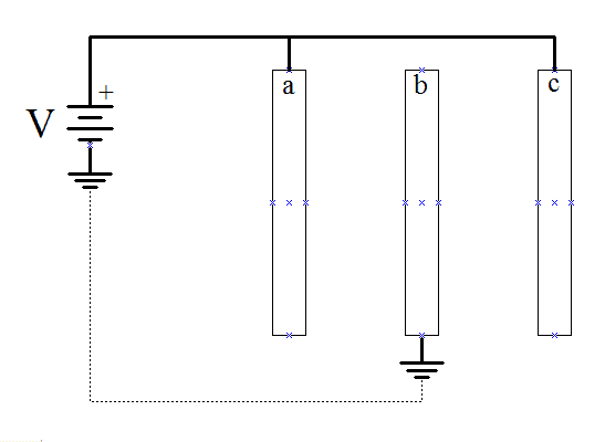
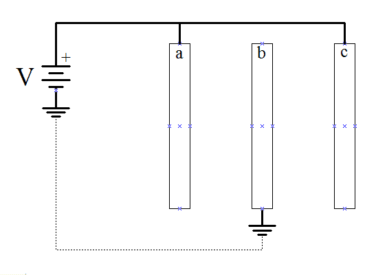
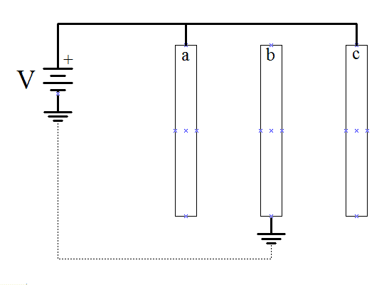
There is. It's established by the two batteries. Plate a is at +V with respect to the middle plate, and plate c is at -V with respect to the middle plate.
 
  • #85
Then why no charge transfer occur from Earth as charge are transferred from Earth if there is potential difference between earthed plate and the other plate(s)?
 
  • #86
gracy said:
Then why no charge transfer occur from Earth as charge are transferred from Earth if there is potential difference between earthed plate and the other plate(s)?
I believe that's because it is connected to +ve terminal of one battery and -ve terminal of the other battery.
 
  • #87
cnh1995 said:
I believe that's because it is connected to +ve terminal of one battery and -ve terminal of the other battery.
Formation of net -ve charge is avoided by the +ve terminal of one battery and formation of +ve charges is avoided by the -ve terminal of the other battery. However, if the two battery voltages were different, there would be net charge on the middle plate.
 
Last edited:
  • #88
cnh1995 said:
Yes, by convention.
This is not correct as I have pointed out previously. The charge on a plate does not determine its potential. The potential of a plate does not determine its charge.
 
  • Like
Likes davenn
  • #89
jbriggs444 said:
This is not correct as I have pointed out previously. The charge on a plate does not determine its potential. The potential of a plate does not determine its charge.
I agree. But in case of a battery, isn't +ve terminal considered as higher potential conventionally? Also, conventional current is assumed to be from higher potential to lower potential and its direction is shown from +ve to -ve terminal of the battery. So, if a capacitor is connected across a battery, its +vely charged plate will be at higher potential than the -ve plate. That's what I meant in that post.
 
  • #90
cnh1995 said:
I agree. But in case of a battery, isn't +ve terminal considered as higher potential conventionally? Also, conventional current is assumed to be from higher potential to lower potential and its direction is shown from +ve to -ve terminal of the battery. So, if a capacitor is connected across a battery, its +vely charged plate will be at higher potential than the -ve plate. That's what I meant in that post.
Agreed, the relatively more positively charged plate will be at a higher potential than the relatively less positively charged plate.
 
  • #91
gracy said:
Then why no charge transfer occur from Earth as charge are transferred from Earth if there is potential difference between earthed plate and the other plate(s)?
If you are referring to the example where one outer plate is connected to +V and the other to -V, and the middle plate is connected to the ground reference, then the net required charge on the middle plate is zero. Hence no charge moves onto or off of the middle plate.
 
  • Like
Likes gracy
  • #92
gneill said:
then the net required charge on the middle plate is zero.
What does required charge mean?
 
  • #93
According to @cnh1995
cnh1995 said:
When there is a potential difference between earthed plate and other plate(s), Earth will give charge.
And there is potential difference between earthed plate and other plate(s) then why no charge transfer occur from Earth to plate b as charge are transferred from Earth if there is potential difference between earthed plate and the other plate(s)?
 
  • #94
gracy said:
According to @cnh1995
And there is potential difference between earthed plate and other plate(s) then why no charge transfer occur from Earth to plate b as charge are transferred from Earth if there is potential difference between earthed plate and the other plate(s)?
That will depend also on where the other end of the middle plate is connected. Here, it is connected in between +ve terminal of one battery and -ve terminal of the other battery. Both batteries have same voltage V. Hence, charge formation on the plate is avoided. I've mentioned it in #89.
 
  • Like
Likes gracy
  • #95
How to figure out that there is potential difference between earthed plate and other plate(s) or not?
 
  • #96
gracy said:
What does required charge mean?
The total charge required to establish the electric fields between the plates. When the circuit is at steady state (equilibrium), the potential difference across a pair of plates matches the potential difference applied externally (by the voltage source). When the potentials match, charge stops moving. The required charge is the charge needed to establish equilibrium.

I provided a drawing previously where the electric field lines were shown.
 
  • Like
Likes gracy
  • #97
cnh1995 said:
That will depend also on where the other end of the middle plate is connected. Here, it is connected in between +ve terminal of one battery and -ve terminal of the other battery. Both batteries have same voltage V. Hence, charge formation on the plate is avoided. I've mentioned it in #89.
If the two voltages were different, there would be some charge "needed" on the middle plate to establish electrostatic balance.
 
  • #98
gracy said:
How to figure out that there is potential difference between earthed plate and other plate(s) or not?
Look for batteries or current sources in the external circuit. The external circuitry establishes the potential differences.
 
  • Like
Likes gracy
  • #99
fig2-png.92774.png

cnh1995 said:
The middle plate alone will have -ve charge whose magnitude will be twice the +ve charge on each
Why?
Isn't this possible
possible.png

Why middle plate can not have negative charge equal to positive charge present on plate a or plate c?(Arrow should be reversed ;electric field does not start with negative charge)
 
  • #100
gracy said:
fig2-png.92774.png


Why?
Isn't this possible
View attachment 92793
Why middle plate can not have negative charge equal to positive charge present on plate a or plate c?(Arrow should be reversed ;electric field does not start with negative charge)
Plate B is shared by the two capacitors. Hence, charge on plate B must be equal(and opposite)to the sum of the charges on plate A and plate C.
 
Back
Top