Why Does the Phase Shift Oscillator Frequency Drop with the TL072?

Click For Summary

Discussion Overview

The discussion revolves around the observed frequency drop in a phase shift oscillator circuit when substituting an ideal op-amp with a TL072. Participants explore the reasons behind this anomaly, focusing on the impact of the op-amp's characteristics on the circuit's performance, including phase shifts and gain responses. The context includes circuit analysis, simulation results, and theoretical considerations related to oscillator behavior.

Discussion Character

  • Exploratory
  • Technical explanation
  • Debate/contested
  • Mathematical reasoning

Main Points Raised

  • Some participants suggest that the input impedance of the TL072 may load the RC network, affecting the oscillation frequency.
  • Others highlight the differences between ideal and real op-amps, noting that actual op-amps have finite gain, input impedance, and output impedance.
  • A participant mentions the importance of parasitic phase shifts contributed by the op-amp, which could lead to a lower frequency of oscillation.
  • It is noted that the circuit oscillates at a frequency where the loop gain phase is -360 degrees, with contributions from both the inverting input and the op-amp's characteristics.
  • Some participants discuss the need to analyze the closed-loop gain and phase shift to understand the frequency drop, with references to specific equations and simulation tools like PSpice.
  • There is mention of the TL072's gain and phase characteristics at the designed frequency of oscillation, indicating a significant deviation from ideal behavior.
  • Participants express uncertainty about the exact causes of the phase shift in the real op-amp and its contribution to the frequency drop.

Areas of Agreement / Disagreement

Participants generally agree that the frequency drop is related to the non-ideal characteristics of the TL072, particularly its phase shift and gain. However, there is no consensus on the precise mechanisms or calculations involved, with multiple competing views on how to analyze and model the circuit's behavior.

Contextual Notes

Limitations include the dependence on specific assumptions about the op-amp's behavior, the complexity of the calculations involved, and the need for simulations to verify theoretical predictions. Some participants note that the transfer function may not be applicable under certain conditions, adding to the uncertainty in the analysis.

Who May Find This Useful

This discussion may be useful for students and practitioners interested in oscillator design, op-amp characteristics, and circuit simulation, particularly those working with phase shift oscillators and real-world op-amp behavior.

topcat123
Messages
77
Reaction score
1
1. The problem
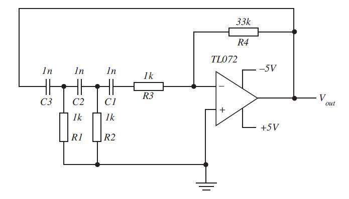
FIGURE 4(a) shows the circuit of an oscillator and FIGURE 4(b) gives
the gain and phase response of the op-amp used.
When the circuit was simulated in PSpice using an ideal op-amp, the
circuit oscillated at the designed frequency. However when the ideal opamp
was replaced by the TL072 the frequency of oscillation was observed
to be about 15% lower.
Investigate this anomaly giving your answer in the form of a report of
about 750 words. The report should attempt an analysis of the circuit
and include the results of any PSpice simulations. You may wish to use
the transfer function derived as equation (6) in the appendix to lesson
3-1 to calculate the phase shift in the RC network.

Homework Equations



[tex]arctan\frac{w_c}{w}=60^o[/tex]

3. The Attempt at a Solution

so this is what i have written so far, but i don't actual now the reason why.
I'm thinking it is to do with the input impedance of the TL072 causing load on the RC network?The figure show is a phase shift oscillator. the frequency determining network (FDN) RC network in the feedback loop is designed to produce 180° phase shift at the desired frequency. Each RC element of FDN will give 60° phase shift so that the three sections together give the required 180°. The 180° phase shift occurs between the input to a RC network and the output from the network. The inverting op amp with its 180°phase dang completes the unity loop gain at 360°. The phase shift occurs only for the selected frequency to which the FDN is tuned.

 
Physics news on Phys.org
topcat123 said:
when the ideal opamp
was replaced by the TL072
List the ways that an actual OP-AMP can differ from the ideal OP-AMP.
 
Where are the circuits?
Don`t forget the (parasitic) phase shift contributed by the opamp.
 
Last edited:
Thanks
for your help I have included some screen grabs with more info.

The ideal op-amp will have;
  • infinite gain
  • Infinite input impedance
  • no output impedance.
 

Attachments

  • TL072 (1).JPG
    TL072 (1).JPG
    14 KB · Views: 862
  • TL072 (2).JPG
    TL072 (2).JPG
    18 KB · Views: 695
The oscillation frequency of your circuit is designed for app. 60 kHz.
From the frequency characteristics of the used opamp you can derive if (and how much) the parasitic phase shift of the closed-loop gain amplifier will influence the frequency of oscillation. That is the most important influence of the real opamp. In addition, you should analyse the slewing properties of the opamp used.
 
LvW said:
parasitic phase shift
I have never heard this in my study but after looking up
so the inverting input will not give 180 deg?
Because of capacitor between the output and the negative input.
 
The circuit will oscillate at a frequency where the loop gain phase is -360deg.
The inverting input will contribute -180deg and the non-ideal opamp will contribute another -X deg.
Hence, the oscillator will have a frequency where the passive feedback network contributes -(180-X)deg.
This will be a lower value than designed.
It is your main task to find the value of X.
 
topcat123 said:
However when the ideal opamp
was replaced by the TL072 the frequency of oscillation was observed
to be about 15% lower.
The OP-AMP graphs show a voltage gain much lower than you might have hoped, and a phase shift markedly different from what you probably expected, in this circuit's region of operation.
 
LvW said:
It is your main task to find the value of X.
Additional hints: The opamps open-loop gain and phase function shows a remarkable phase shift at app. 60 kHz.
From this you can derive an estimate for the closed-loop (unwanted, but unavoidable) additional phase shift X.
This gives some information on the actual oscillation frequency.
 
  • #10
I calculate the frequency of operation to be 65 kHz.
from the graph we can see the phase shirt is 90 deg.

The question also says
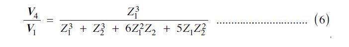
"You may wish to use the transfer function derived as equation (6)"

the info given is
(where ωo is the angular frequency at which the transfer function of the RC ladder is purely resistive) see attached.
 

Attachments

  • Eq 6 pt2.JPG
    Eq 6 pt2.JPG
    11.6 KB · Views: 621
  • Eq 6.JPG
    Eq 6.JPG
    5.6 KB · Views: 607
  • Trans func.JPG
    Trans func.JPG
    8.2 KB · Views: 619
  • #11
Any further question?
Don`t forget: The 90deg phase shift is for the open-loop gain.
But your opamp is eqipped with feedback leading to a much lower closed-loop gain (which, of course, effects the phase).
 
  • #12
You may wish to use the transfer function derived as equation (6) in the appendix to lesson
3-1 to calculate the phase shift in the RC network.

This won't be of any use if the transfer function is V4/V1 since this network feeds into a virtual ground.
Model the op amp as k/s using its 60 KHz ol gain to give you k. Then write the equations of the total circuit which will comprise k, the r-c network and the feedback resistor. Use software as much as possible to solve the equations.

If you don't get close to the empirical (test) results then add the op amp's input capacitance, but the impedance level of your r and c network is low enough that I would omit it (the input capacitance) at first.
You could also add the finite output impedance of the op amp at 60 KHz.
A messy set of computations which is why PSPICE is always used in the 'real world'!
 
  • #13
rude man said:
This won't be of any use if the transfer function is V4/V1 since this network feeds into a virtual ground.
The equation is appropriate (providing we can regard the input as a virtual ground), because the phase-shifter's R has been repositioned so OP-AMP input current is proportional to V4.
 
  • #14
There is no virtual ground. The gain of the op amp at 60 KHz is far below infinity! The V4/V1 transfer function is useless, R "repositioning" or not.
 
  • #15
In any case, all theoretical considerations should/could be supplemented (confirmed) by SPICE simulations.
And - as you know - it is the LOOP GAIN that matters only. Loop gain simulations involving opamps with feedback are exact enough if you open the loop between the opamps output and C3.
Then, verification of the oscillation condition gives the actual oscillation frequency.
 
Last edited:
  • #16
So as far as i can figure i need an closed loop gain of 29 in order to maintain oscillation.

I am a bit stuck What courses the phase shift in the real op-amp.
why does the frequency setal 15% lower.
 
  • #17
Look at my answer in post#7.
Do you know any amplifier that has no parasitic (unwanted) phase shift?
 
  • #18
topcat123 said:
So as far as i can figure i need an closed loop gain of 29 in order to maintain oscillation.
I am a bit stuck. What causes the phase shift in the real op-amp?
why does the frequency sit al 15% lower.
Post 12 paragraph 1.

Your op amp has a gain of only 100 at the frequency of oscillation, and the phase shift is close to 90 degrees lag which is characteristic of a unity-gain op amp in your frquency region of operation (never mind what that means if you don't already know).
Additionally, finite input and output impedances could also add to the low frequency of oscillation but ignore that for your first analysis.

Analyze the open-loop (per post #15) or closed-loop circuit per the usual KVL (or KCL) method using my suggested model for the op amp.
 
  • #19
rude man said:
Additionally, finite input and output impedances could also add to the low frequency of oscillation but ignore that for your first analysis.

Yes - I also expect that the primary influence on the frequency comes from the unwanted phase contribution of the amplifier.
We remember the name: "Phase-shift"-oscillator!
 
  • #20
LvW said:
Yes - I also expect that the primary influence on the frequency comes from the unwanted phase contribution of the amplifier.
All op amps (except "undercompensated" ones) have around 90 deg phase shift from a very low frequency (typically < 100 Hz) all the way to the unity-gain frequency.
 
  • #21
topcat123 said:
I am a bit stuck What courses the phase shift in the real op-amp.

You have apparently not studied the performance of real opamps in detail.
Have a look at this: https://en.wikipedia.org/wiki/Operational_amplifier

That page doesn't discuss the TL072 in detail, but it does discuss the classic 741. Half way down is a section titled "Internal circuitry of 741-type op-amp".

Further down is a section titled "Frequency compensation", where it says:

"The innovation of the Fairchild μA741 was the introduction of frequency compensation via an on-chip (monolithic) capacitor, simplifying application of the op amp by eliminating the need for external components for this function. The 30 pF capacitor stabilizes the amplifier via Miller compensation and functions in a manner similar to an op-amp integrator circuit. Also known as 'dominant pole compensation' because it introduces a pole that masks (dominates) the effects of other poles into the open loop frequency response; in a 741 op amp this pole can be as low as 10 Hz (where it causes a −3 dB loss of open loop voltage gain)."

You can see this in the second image of post #4. But the phase shift shown is for open loop behavior. Since your oscillator circuit is closed loop, you will need to include the closed loop phase shift rather than the open loop phase shift.

This is essentially true of all internally compensated opamps, This internal compensation causes the open loop gain of an opamp to have about 90 degrees phase shift over a wide frequency range.

I think you should just perform an analysis of the complete circuit with the loop opened where the opamp output drives the left end of C3. Do you know how to analyze complete circuits containing an opamp?
 
  • #22
rude man said:
All op amps (except "undercompensated" ones) have around 90 deg phase shift from a very low frequency (typically < 100 Hz) all the way to the unity-gain frequency.
Yes - however, this may confuse the OP (because - as it seems - he is not too experienced).
Therefore: Any negative feedback will drastically change this frequency-dependent behaviour of an opamp.
This is the main purpose of negative feedback: Changing (reducing) the gain, increasing the bandwidth and "flattening" the phase.
Therefore, for an opamp with feedback the unwanted (parasitic) phase shift will certainly be far below the 90deg line - but it will not be negligible.
 
  • #23
so the passive feedback network must proved -270deg phase shift to create the 360 needed for oscillation.
so each RC section must provide 90deg .?
can i then use3 this to predict the actual output frequency?
 
  • #24
topcat123 said:
so the passive feedback network must proved -270deg phase shift to create the 360 needed for oscillation.
so each RC section must provide 90deg .?
can i then use3 this to predict the actual output frequency?

No - didn`t you read my post#7 ?
There I have mentioned an additional phase shift of (X deg<90 deg) caused by the real opamp with feedback.
Do you know how to handle a BODE plot - in particular, how to deribe a phase plot from the magnitude plot?
Otherwise, you cannot solve your problem (without circuit simulation).

(By the way - I hope you are aware of the fact that a single RC section NEVER can provide 90deg phase shift. These are basic considerations!).
 
  • #25
LvW said:
Yes - however, this may confuse the OP
It should not be confusing to the OP to set up a schematic with an integrator in place of the op amp, then to write the (unfortunately rather extensive) equations for the op amp, r-c network, feedback resistor, etc. Omitting the 90 deg phase shift in a gain of only 100 is probaby a mistake. Doing it open-loop is a good idea but keep in mind there are two loops, the one around the r-c network and the one (the feedback resistor) around the op amp itself.
 
  • #26
rude man said:
......
It should not be confusing to the OP..
.........
but keep in mind there are two loops
rude man - certainly, it was not my intention to critisize your contribution. My post#22 was just a hint to remind the OP that the open-loop phase shift of app. -90deg must not be confused with closed-loop behaviour that is different (you remember the OP´s mentioning of 270deg?).
However, I must ask you: Two loops? Where is the second loop? I can identify one single feedback loop only (the non-inv. input node is grounded!).
 
  • #27
I get the feeling that the OP is reluctant to attempt an analysis of the circuit. Perhaps he hasn't learned how to do one yet.
 
  • #28
The Electrician said:
I get the feeling that the OP is reluctant to attempt an analysis of the circuit. Perhaps he hasn't learned how to do one yet.
Yes - I have the feeling that he does not know too much about opamps (real), BODE plot, feedback, loop gain, oscillation condition,...
In my post#24 I have asked him about BODE plot knowledge - no response.
 
  • #29
LvW said:
However, I must ask you: Two loops? Where is the second loop? I can identify one single feedback loop only (the non-inv. input node is grounded!).
The second loop is the feedback resistor around the op amp. It's a loop inside the major loop which you cite.
The right approach is to open the major loop the way you describe, then do a rigorous analysis of the circuit with KVL or whatever, and replacing the op amp itself (just the op amp, not the op amp plus feedback resistor) with a gain k/s, k = 100(2π)(60 KHz).
 
  • #30
The gain is even lower than your expression k/s, k = 100(2π)(60 KHz) gives.

If you look at the TL072 gain and phase parameter plot posted earlier, and reproduced here for reference:

TL072 (2).JPG


the gain curve crosses a gain of 100 just a little less than halfway between 10k and 100k. Considering that the frequency axis is logarithmic, the frequency at which the gain is 100 is nearer 30 kHz than 60 kHz, so the gain is more like 50; worse yet.

The OP didn't post any information about the output impedance of the opamp, but the data sheet: http://www.ti.com/lit/ds/symlink/tl072.pdf
figure 6 allows us to infer that a reasonable value would be 200 ohms.
 

Similar threads

  • · Replies 26 ·
Replies
26
Views
5K
  • · Replies 27 ·
Replies
27
Views
3K
Replies
2
Views
2K
  • · Replies 6 ·
Replies
6
Views
3K
  • · Replies 41 ·
2
Replies
41
Views
8K
  • · Replies 6 ·
Replies
6
Views
3K
  • · Replies 3 ·
Replies
3
Views
2K
  • · Replies 1 ·
Replies
1
Views
4K
Replies
2
Views
2K
  • · Replies 4 ·
Replies
4
Views
6K