A Question about Series-Parallel Circuits

  • Context: Engineering 
  • Thread starter Thread starter bibo_dvd
  • Start date Start date
  • Tags Tags
    Circuits
Click For Summary

Discussion Overview

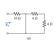
The discussion revolves around understanding the total resistance in series-parallel circuits, specifically analyzing two circuit configurations labeled (a) and (d). Participants are exploring how to calculate total resistance and the implications of circuit design on current flow.

Discussion Character

  • Technical explanation, Conceptual clarification, Debate/contested, Homework-related

Main Points Raised

  • One participant calculates the total resistance in circuit (a) as 18 Ω by summing the resistances of 4 Ω, 10 Ω, and 4 Ω, but expresses confusion about the current flow.
  • Another participant states that in circuit (d), the total resistance is 10 Ω due to a short wire, suggesting that current will bypass other resistances.
  • A follow-up question challenges the reasoning by asking why the two 4 Ω resistors are not considered in the total resistance for circuit (d), proposing an alternative calculation of 8 Ω.
  • Another participant queries what is in parallel with the two resistors and seeks clarification on how to determine the resistance of a parallel network.

Areas of Agreement / Disagreement

Participants express differing views on the calculations of total resistance in the circuits, indicating that there is no consensus on the correct interpretation of the configurations and the resulting resistance values.

Contextual Notes

Participants do not provide complete definitions or assumptions regarding the circuit configurations, which may affect the interpretations of resistance calculations. The role of the short wire in circuit (d) is also not fully clarified.

Who May Find This Useful

Individuals interested in electrical engineering, circuit analysis, or students working on homework related to series-parallel circuits may find this discussion relevant.

bibo_dvd
Messages
37
Reaction score
0
Hello Guys !

In This photos i found that
in (a) : RT= 4 Ω+ 10 Ω+ 4 Ω= 18 Ω
and
in (d) : RT= 10 Ω

but i can't understand why in (a) the total resistance equals to 18 and how will the current would pass ??

and in (d) i can't understand why the total resistance equals to 10 and why we didn't take the two 4 ohm resistances in the count ?!

iwjzxqo.png
8bOFRph.png
Thank you Guys ! :))
 
Physics news on Phys.org
Current can flow only in close loops so for example A
attachment.php?attachmentid=63194&stc=1&d=1382384432.png


In circuit D you have a short wire. And all current will flow through shorted wire.
attachment.php?attachmentid=63196&stc=1&d=1382384651.png
 

Attachments

  • iwjzxqo.png
    iwjzxqo.png
    2.5 KB · Views: 471
  • 8bOFRph.png
    8bOFRph.png
    2.2 KB · Views: 531
Jony130 said:
Current can flow only in close loops so for example A
attachment.php?attachmentid=63194&stc=1&d=1382384432.png


In circuit D you have a short wire. And all current will flow through shorted wire.
attachment.php?attachmentid=63196&stc=1&d=1382384651.png

why not R=4+4=8Ω ??
 

Attachments

What is in parallel with those 2 resistors? What is the resistance of a wire? How do you find the resistance of a parallel network?.
 

Similar threads

  • · Replies 26 ·
Replies
26
Views
3K
  • · Replies 22 ·
Replies
22
Views
3K
  • · Replies 8 ·
Replies
8
Views
2K
  • · Replies 8 ·
Replies
8
Views
5K
Replies
6
Views
2K
  • · Replies 35 ·
2
Replies
35
Views
6K
  • · Replies 34 ·
2
Replies
34
Views
6K
  • · Replies 6 ·
Replies
6
Views
3K
  • · Replies 2 ·
Replies
2
Views
1K
  • · Replies 4 ·
Replies
4
Views
2K