Find the Thevenin Equivalent circuit

Click For Summary

Discussion Overview

The discussion revolves around finding the Thevenin equivalent circuit external to a load resistor (RL) in a given electrical circuit. Participants engage in calculations related to resistances, voltages, and currents, while exploring the differences between Thevenin and Norton equivalents. The scope includes theoretical calculations and practical applications of circuit analysis.

Discussion Character

  • Technical explanation
  • Mathematical reasoning
  • Debate/contested

Main Points Raised

  • One participant calculates the Thevenin resistance (Rth) as 7Ω and attempts to find the Thevenin voltage (Vth) based on circuit configurations.
  • Another participant questions the identification of a 2Ω resistor in the circuit, indicating a lack of clarity in the initial post.
  • Some participants provide simulation results, indicating a Thevenin current of 1.786A, but express confusion about current values in series and parallel configurations.
  • There is a discussion about the differences between Thevenin and Norton equivalents, with some participants noting that textbooks may mix the two concepts.
  • Several participants attempt to clarify the steps for calculating the Thevenin equivalent, emphasizing the need to find the open circuit voltage (VAB) when RL is removed.
  • One participant calculates V3 as 25V and Isc as 175A, but another challenges the correctness of these calculations based on circuit configurations.
  • There are multiple calculations presented for voltages across different resistors, with participants attempting to reconcile their results with the expected values.
  • Confusion arises regarding the voltage across R2 and the relationship to Vth, with participants debating the correct approach to find these values.
  • One participant expresses uncertainty about the origin of a specific current value (2.173), indicating a need for clarification on its calculation.

Areas of Agreement / Disagreement

Participants do not reach a consensus on the calculations and interpretations of the Thevenin equivalent. There are competing views on the correct approach to finding the Thevenin voltage and resistance, as well as confusion regarding the definitions and applications of Thevenin and Norton theorems.

Contextual Notes

Some calculations depend on assumptions about circuit configurations, and there are unresolved mathematical steps regarding the relationships between different resistors and currents. The discussion reflects varying levels of understanding and interpretations of circuit analysis principles.

  • #31
The Electrician said:
I don't know where that value of 2.173 came from, so I can't explain. You'll have to tell me how you calculated I2.
R4 and R3 in parallel --> R* = 2*10/(2+10) = 5/3Ω
R* and R2 in series --> R total = 5/3 +5 = 20/3Ω
I1 = R total / (R total + R 1)* is
I1 = (20/3) / ((20/3)+5) * 5 = 2.857 A
Is = I1 + I2
I2 = 5 - 2.857 = 2.143 A
 
Physics news on Phys.org
  • #32
We got the value of 6.25 volts across R2 with RL removed. If RL is not there then R3 and R4 are not in parallel; R3 and R4 are only in parallel if RL is replaced with a short. You are trying to compare the voltage across R2 with RL removed to the voltage across R2 with RL replaced with a short. You can't expect the voltage in the two cases to be the same.
 
  • Like
Likes   Reactions: Fatima Hasan
  • #33
The Electrician said:
We got the value of 6.25 volts across R2 with RL removed. If RL is not there then R3 and R4 are not in parallel; R3 and R4 are only in parallel if RL is replaced with a short. You are trying to compare the voltage across R2 with RL removed to the voltage across R2 with RL replaced with a short. You can't expect the voltage in the two cases to be the same.
OK , Thank you for your help
 
  • #34
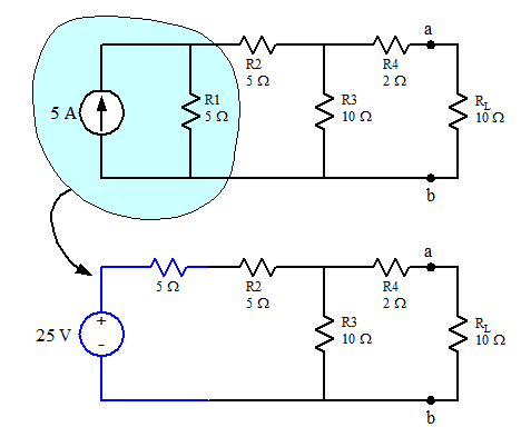
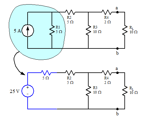
Since the OP has reached a correct result I can offer an alternative method to get to the solution.

You can use successive source transformations (essentially Norton to Thevenin or Thevenin to Norton transformations), working your way from left to right through the circuit while "absorbing" new resistances along the way. For example, you can convert the original current source and its parallel resistor to a voltage source with a series resistor:

upload_2018-3-16_15-57-28.png


As you can see, the "new" 5 Ω resistor can be combined with R2 into a single 10 Ω resistor and the result is a 25 V voltage source in series with 10 Ω. That pair can in turn be converted to its Norton equivalent of a current source in parallel with a resistor and you'll then find that its resistor will be in parallel with R3, so you can combine them. Continue in such a fashion until you've absorbed all the components into a single Thevenin or Norton model driving the load.
 

Attachments

  • upload_2018-3-16_15-57-28.png
    upload_2018-3-16_15-57-28.png
    4.3 KB · Views: 846
  • Like
Likes   Reactions: Fatima Hasan and cnh1995
  • #35
gneill said:
Since the OP has reached a correct result I can offer an alternative method to get to the solution.

You can use successive source transformations (essentially Norton to Thevenin or Thevenin to Norton transformations), working your way from left to right through the circuit while "absorbing" new resistances along the way. For example, you can convert the original current source and its parallel resistor to a voltage source with a series resistor:

View attachment 222127

As you can see, the "new" 5 Ω resistor can be combined with R2 into a single 10 Ω resistor and the result is a 25 V voltage source in series with 10 Ω. That pair can in turn be converted to its Norton equivalent of a current source in parallel with a resistor and you'll then find that its resistor will be in parallel with R3, so you can combine them. Continue in such a fashion until you've absorbed all the components into a single Thevenin or Norton model driving the load.
Thanks for the explanation.
Can I know what software did you use to draw the circuits?
 
  • #36
Fatima Hasan said:
Thanks for the explanation.
Can I know what software did you use to draw the circuits?
I used an ancient copy of Microsoft Visio. Still works great for quickly putting together a drawing to accompany a physics problem.
 

Similar threads

  • · Replies 5 ·
Replies
5
Views
3K
  • · Replies 1 ·
Replies
1
Views
2K
  • · Replies 42 ·
2
Replies
42
Views
7K
Replies
9
Views
2K
  • · Replies 4 ·
Replies
4
Views
2K
  • · Replies 12 ·
Replies
12
Views
3K
  • · Replies 10 ·
Replies
10
Views
3K
  • · Replies 1 ·
Replies
1
Views
1K
  • · Replies 13 ·
Replies
13
Views
3K
  • · Replies 3 ·
Replies
3
Views
3K