Simplifying a Circuit Using a Y-to-Δ Transformation

Click For Summary

Discussion Overview

The discussion revolves around simplifying a circuit using a Y-to-Δ transformation involving specific resistors and determining the equivalent resistance between two terminals. It includes aspects of circuit analysis and mathematical reasoning related to resistor configurations.

Discussion Character

  • Homework-related
  • Mathematical reasoning
  • Technical explanation
  • Debate/contested

Main Points Raised

  • One participant presents a Y-to-Δ transformation for resistors R2, R3, and R5, providing calculated values for Ra, Rb, and Rc.
  • Another participant suggests that Ra and R1 are in parallel, and R4 is in parallel with Rc, questioning the simplification process.
  • Further clarification is provided that no two individual resistances are in series in the network, indicating a complex arrangement.
  • One participant proposes trying different transformations (wye-delta and delta-wye) to further simplify the network.
  • Another participant challenges the correctness of the initial resistance values and provides alternative calculations based on a reverse transformation.
  • A participant acknowledges a typo in their original post regarding the value of Rc and clarifies the value of R2.
  • Finally, a participant shares a corrected calculation for the equivalent resistance between terminals a and b, thanking others for their input.

Areas of Agreement / Disagreement

There is disagreement regarding the correctness of the initial resistance values calculated by one participant. Multiple competing views on the simplification process and the configuration of resistors remain unresolved.

Contextual Notes

Participants note the absence of a value for R2 in the initial post, which affects the ability to verify the correctness of the calculated resistances. There are also indications of potential typos in the resistance values provided.

Drakkith
Mentor
Messages
23,207
Reaction score
7,695

Homework Statement


[/B]
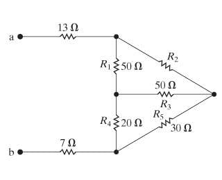
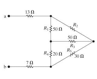
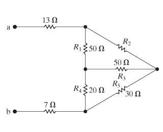
A.) Simplify the circuit (Figure 1) by using a Y-to-Δ transformation involving the resistors R2, R3, and R5 as shown in (Figure 2) . Determine the resistances of the equivalent Δ.

B.) Determine the equivalent resistance Rab in the circuit.

Hopefully these two figures show up. If not, just say so and I'll try to fix them.

Figure 1.
Nilsson10.ch3.p58_1.jpg


Figure 2.

Nilsson10.ch3.p58_2.jpg


Homework Equations

The Attempt at a Solution



I've simplified the circuit and found:
Ra = 154 Ω
Rb = 92.4 Ω
Rc = 18 Ω 118 Ω

I know these values are correct. My problem is with part B. Now that I've got the resistance of the 3 new resistors, I'm unsure about how to find the equivalent resistance between terminals a and b. What about this Y-to-Δ transformation makes this circuit easier to work with?
 
Last edited:
Physics news on Phys.org
It looks like Ra and R1 are in parallel. R4 is in parallel with Rc.

Does that help?
 
  • Like
Likes   Reactions: Drakkith and cnh1995
magoo said:
It looks like Ra and R1 are in parallel. R4 is in parallel with Rc.

Does that help?

R1 looks like it is in parallel with Ra and Rb+Rc, which wouldn't be a problem except that there's a node connecting Rb to the other side of R4, which is in series with R1.
 
Drakkith said:
What about this Y-to-Δ transformation makes this circuit easier to
As magoo showed, you can see it converts the network into a simplified circuit (series or parallel resistances).
Drakkith said:
R1 looks like it is in parallel with Ra and Rb+Rc, which wouldn't be a problem except that there's a node connecting Rb to the other side of R4, which is in series with R1.
No two (individual) resistances are in series in this network.
 
  • Like
Likes   Reactions: Drakkith
cnh1995 said:
As magoo showed, you can see it converts the network into a simplified circuit (series or parallel resistances).

Oh I see it now. I see that R1 and Ra are in parallel, and it looks like R4 and Rc are in parallel too, as Magoo said.

cnh1995 said:
No two (individual) resistances are in series in this network.

Ah, that's right.
 
Drakkith said:
Oh I see it now. I see that R1 and Ra are in parallel, and it looks like R4 and Rc are in parallel too, as Magoo said.
If you have time, you can try solving the same problem using
i)wye-delta transform on R1, R3 and R4
ii) delta-wye transform on R1, R2 and R3.
You'll see how they simplify the network.
 
  • Like
Likes   Reactions: Drakkith
Drakkith said:

Homework Statement


[/B]
A.) Simplify the circuit (Figure 1) by using a Y-to-Δ transformation involving the resistors R2, R3, and R5 as shown in (Figure 2) . Determine the resistances of the equivalent Δ.

B.) Determine the equivalent resistance Rab in the circuit.

Hopefully these two figures show up. If not, just say so and I'll try to fix them.

Figure 1.
View attachment 211331

Figure 2.

View attachment 211332

Homework Equations

The Attempt at a Solution



I've simplified the circuit and found:
Ra = 154 Ω
Rb = 92.4 Ω
Rc = 18 Ω

I know these values are correct. My problem is with part B. Now that I've got the resistance of the 3 new resistors, I'm unsure about how to find the equivalent resistance between terminals a and b. What about this Y-to-Δ transformation makes this circuit easier to work with?

I don't think your 3 values for Ra, Rb and Rc are corrrect. One can work backwards with a delta to wye transformation and get the original R2, R3 and R5. If I do this I get:

53.82
10.48
6.29

Since you didn't give a value for R2 in post #1 we can't compare one of the three to it, but two of the three just calculated should equal 50 and 30 (R3 and R5); they don't. How do you know your values are correct?
 
  • Like
Likes   Reactions: Drakkith and NascentOxygen
The Electrician said:
Since you didn't give a value for R2 in post #1 we can't compare one of the three to it

My apologies, I had forgotten that they don't give us the value of R2 in the figure, but in the previous question. I assume it changes for every student and they didn't want to make a different figure for each person.

For this question R2 = 39 Ω.

Also, it appears I made a typo in my original post. Rc = 118 Ω, not 18.

The Electrician said:
How do you know your values are correct?

The online program we're using for class had me find those values prior to this question and it says they are correct. I just didn't double-check my post closely enough to make sure I hadn't made any typos.
 
Alright, I finally got the right answer.

R1 in parallel with Ra: R1a= 37.745 Ω
R4 in parallel with Rc: R4c= 17.101 Ω

R1a4c in parallel with Rb: R1a4cb = 34.417 Ω

Req between terminals a and b: Req = 34.417 + 7 + 13 = 54.417 Ω

Thanks all. Sorry for the confusion.
 

Similar threads

  • · Replies 1 ·
Replies
1
Views
2K
  • · Replies 2 ·
Replies
2
Views
2K
Replies
5
Views
4K
  • · Replies 8 ·
Replies
8
Views
2K
  • · Replies 26 ·
Replies
26
Views
3K
  • · Replies 1 ·
Replies
1
Views
2K
Replies
6
Views
2K
  • · Replies 43 ·
2
Replies
43
Views
17K
  • · Replies 1 ·
Replies
1
Views
2K
  • · Replies 8 ·
Replies
8
Views
2K