Calculating Total Resistance Without Prefix

Click For Summary

Homework Help Overview

The discussion revolves around calculating the net resistance of a circuit with multiple resistors, where each resistor has the same resistance R. The original poster presents two parts to the problem, with the second part involving a diagonal resistor replaced by a resistance of 1.9R.

Discussion Character

  • Exploratory, Assumption checking, Mathematical reasoning

Approaches and Questions Raised

  • Participants discuss the method of combining resistors in series and parallel, with specific attention to labeling and calculating equivalent resistances. Some express uncertainty about their calculations and seek clarification on the correct approach to combining resistors.

Discussion Status

Several participants have provided feedback on the original poster's calculations, pointing out potential errors in combining resistors. There is an ongoing exploration of the correct steps to take, with some participants offering corrections and others confirming the original poster's understanding of the resistor combinations.

Contextual Notes

There is some confusion regarding the labeling of the resistors, particularly the diagonal resistor, which has led to differing interpretations of the problem setup. Participants are also addressing the need to take reciprocals correctly when calculating equivalent resistances.

Angie K.
Messages
108
Reaction score
1

Homework Statement



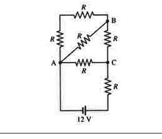
upload_2015-4-21_17-54-36.png


a. What is the net resistance of the circuit connected to the battery in the figure above? Each resistor has the same resistance R. Give your answer as a number times R

b. What is the net resistance if the diagonal resistor between nodes A and B is replaced by a resistance of 1.9 R?

Homework Equations


Combining Resistors

Resistors in Series:
R(eq)=R1+R2+R3...

Resistors in Parallel:
R(eq)=1/R1+1/R2+1/R3...

The Attempt at a Solution


I feel like I did everything right but my answer or 13R/7 is wrong.
I labeled the Resistors: starting from the left side of square, R1, then the top R2, diagonal resistor R3, bottom of square R4 and right side of square R5 and the bottom resistor R6 (maybe I didn't need to go through all that to label them but I feel like it would be easier to understand my attempt of solving this).

R1 and R2 are in series so adding them, I get 2R
Substituting R1 and R2 with a single 2R resistor, that one resistor would be in parallel to R3 so I get 3/2R
Then substituting one resistor for those, that one would be in series to R5 so I got 5R/3
then substituting one resistor for those, that one would be in parallel to R4 (bottom of square) so adding those, I got 6R/7 and adding the last resistor (in series) I got a total of 13R/7

Not sure where I went wrong, please help.
 
Physics news on Phys.org
When you combine 2R in parallel with R on your second line:

[tex]\frac{1}{R_{eq}} = \frac{1}{2R} + \frac{1}{R} = \frac{3}{2R}[/tex]
Then you have to flip it to get the reciprocal:
[tex]\frac{1}{R_{eq}} = \frac{3}{2R} \implies R_{eq} = \frac{2R}{3}[/tex]
Don't forget to find that last reciprocal when finding the equivalent of two parallel resistors.

It helps to remember that, for two resistors in parallel (with a little algebra):
[tex]R_{eq} = \frac{R_1 R_2}{R_1 + R_2}.[/tex]
 
Angie K. said:

Homework Statement



View attachment 82340

a. What is the net resistance of the circuit connected to the battery in the figure above? Each resistor has the same resistance R. Give your answer as a number times R

b. What is the net resistance if the diagonal resistor between nodes A and B is replaced by a resistance of 1.9 R?

Homework Equations


Combining Resistors

Resistors in Series:
R(eq)=R1+R2+R3...

Resistors in Parallel:
R(eq)=1/R1+1/R2+1/R3...

The Attempt at a Solution


I feel like I did everything right but my answer or 13R/7 is wrong.
I labeled the Resistors: starting from the left side of square, R1, then the top R2, diagonal resistor R3, bottom of square R4 and right side of square R5 and the bottom resistor R6 (maybe I didn't need to go through all that to label them but I feel like it would be easier to understand my attempt of solving this).

R1 and R2 are in series so adding them, I get 2R
Substituting R1 and R2 with a single 2R resistor, that one resistor would be in parallel to R3 so I get 3/2R
Then substituting one resistor for those, that one would be in series to R5 so I got 5R/3
then substituting one resistor for those, that one would be in parallel to R4 (bottom of square) so adding those, I got 6R/7 and adding the last resistor (in series) I got a total of 13R/7

Not sure where I went wrong, please help.
axmis has given you good information.

An additional point of information: If two resistors are in parallel, the equivalent resistance is less that the resistance of either one.

Your analysis of which resistor combinations are in parallel & which are in series is completely correct. That is usually what confuses people in these problems.
 
Angie K. said:
R1 and R2 are in series so adding them, I get 2R
Substituting R1 and R2 with a single 2R resistor, that one resistor would be in parallel to R3 so I get 3/2R (taking the reciprocal, I get 2R/3)
Then substituting one resistor for those, that one would be in series to R5 so I got 5R/3
then substituting one resistor for those, that one would be in parallel to R4 (bottom of square) so adding those, I got (7/6R and taking the reciprocal, it's 6R/7) and adding the last resistor (in series) I got a total of 13R/7
I made sure to take the reciprocal of the ones added in parallel but the answer is wrong.
 
Angie K. said:
I made sure to take the reciprocal of the ones added in parallel but the answer is wrong.
You made a mistake combining R4 with the 5R/3 combo.
 
Angie K. said:
Substituting R1 and R2 with a single 2R resistor, that one resistor would be in parallel to R3 so I get 3/2R
As noted, that should have been (2/3)R, but it looks like that was just a typo in the OP since the next one is right:
Angie K. said:
Then substituting one resistor for those, that one would be in series to R5 so I got 5R/3
But the one after is wrong:
Angie K. said:
then substituting one resistor for those, that one would be in parallel to R4 (bottom of square) so adding those, I got 6R/7
Try that again.
 
Angie K. said:
R1 and R2 are in series so adding them, I get 2R
Substituting R1 and R2 with a single 2R resistor, that one resistor would be in parallel to R3 so I get 3/2R
Then substituting one resistor for those, that one would be in series to R5 so I got 5R/3
then substituting one resistor for those, that one would be in parallel to R4 (bottom of square) so adding those, I got 6R/7 and adding the last resistor (in series) I got a total of 13R/7
I saw where I went wrong adding the R4 to 5R/3 so 1/(5R/3)+1/R gives me 16/15R and the reciprocal is 15R/16 then adding the last R to that, which is in series, I get 31R/16 which is also not right.
 
Angie K. said:
I saw where I went wrong adding the R4 to 5R/3 so 1/(5R/3)+1/R gives me 16/15R and the reciprocal is 15R/16 then adding the last R to that, which is in series, I get 31R/16 which is also not right.
Try 1/(5R/3)+1/R again.

It may be easier if you notice that 1/(5R/3) = 3/(5R)
 
Angie K. said:
adding the R4 to 5R/3 so 1/(5R/3)+1/R gives me 16/15R
Still wrong. What's 1/(5/3)?
 
  • #10
I got 13/8 R and it's the right answer. Thank you all for helping me catch my mistakes!

Now for part b, would I just substitute 1.9 and add everything else the same?
 
  • #11
Angie K. said:
Now for part b, would I just substitute 1.9 and add everything else the same?

I'm getting 46/29 R when I plug in 1.9R for R3 (sorry this was supposed to be R3) I just edited it.
 
Last edited:
  • #12
Angie K. said:
I'm getting 46/29 R when I plug in 1.9R for R4
Which are you labelling R4? The question says AB in the diagram.
 
  • #13
The one that is on a diagonal.
 
  • Like
Likes   Reactions: SammyS
  • #14
Angie K. said:
The one that is on a diagonal.
Isn't that R3 ? . . . not R4 .
 
  • #15
Angie K. said:
The one that is on a diagonal.
I get a slightly smaller answer. please post all your steps.
 
  • #16
SammyS said:
Isn't that R3 ? . . . not R4 .
If Angie is calling the one on the diagonal R4 then that's the one that's to become 1.9. But I'm a bit confused because in the earlier posts Angie used R4 for a different one.
 
  • #17
The one on a diagonal is R3 at least that's what I attempted to say earlier.
 
  • #18
Angie K. said:
The one on a diagonal is R3 at least that's what I attempted to say earlier.
OK, we're on the same wavelength now. So please post your steps.
 
  • #19
Angie K. said:
R1 and R2 are in series so adding them, I get 2R
Substituting R1 and R2 with a single 2R resistor, that one resistor would be in parallel to R3 (which is now 1.9R) so I get 1/2R+1.9R = 12/5R and taking the reciprocal, it's 5/12R
Then substituting one resistor for those, that one would be in series to R5 so 5/12R+R=17/12R
then substituting one 17/12R resistor for those, that one would be in parallel to R4 (bottom of square) so adding 1/(17R/12R)+1/R= 12/17R and taking the reciprocal, it's 12/17R and then adding that to the last R (12/17R+R=and adding the last resistor (in series) I got a total of 29R/17 which is a different number than the first time I tried but it's still wrong.
 
  • #20
Angie K. said:
1/2R+1.9R
1/1.9?
 
  • #21
Oh I didn't take the reciprocal of 1.9

I got my answer thanks!
 

Similar threads

  • · Replies 7 ·
Replies
7
Views
2K
  • · Replies 11 ·
Replies
11
Views
2K
  • · Replies 3 ·
Replies
3
Views
2K
  • · Replies 1 ·
Replies
1
Views
3K
  • · Replies 13 ·
Replies
13
Views
2K
  • · Replies 7 ·
Replies
7
Views
2K
  • · Replies 6 ·
Replies
6
Views
2K
  • · Replies 19 ·
Replies
19
Views
7K
Replies
4
Views
2K
  • · Replies 2 ·
Replies
2
Views
3K