Calculating total resistance of a combination circuit

Click For Summary

Homework Help Overview

The discussion revolves around calculating the total resistance of a combination circuit involving resistors in both parallel and series configurations. Participants are attempting to understand the relationships between the resistors and how to approach the problem using various methods.

Discussion Character

  • Exploratory, Conceptual clarification, Mathematical reasoning, Problem interpretation, Assumption checking

Approaches and Questions Raised

  • Participants express confusion regarding how to add resistors, particularly with a junction present. There are suggestions to use loop equations and Kirchhoff's laws, as well as a Delta to Y transformation for simplifying the circuit. Questions arise about the necessity of finding total resistance before calculating current.

Discussion Status

Several methods have been proposed, including the loop-equation method and the Delta to Y transformation. Participants are exploring different interpretations of the circuit setup and discussing the implications of their approaches. There is no explicit consensus on a single method, but productive dialogue is ongoing.

Contextual Notes

Participants note the complexity of the circuit and the presence of multiple loops, which may affect the equations needed to solve for total resistance. There is also mention of homework constraints that may limit the approaches taken.

Ketchup4684
Messages
5
Reaction score
0
combination circuit.png

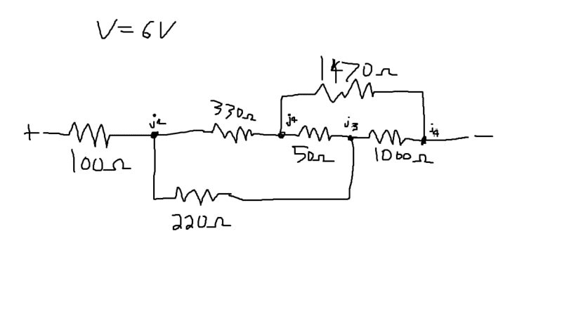
Homework Statement


Find the total resistance of the circuit

Homework Equations


Parallel resistance: 1/Rtotal = 1/R1 + 1/R2 + 1/R3 + ..., Series resistance: R1 + R2 + R3...

The Attempt at a Solution


The 1470 ohm resistor is parallel to the 50 ohm resistor and the 1000 ohm resistor, but there is a junction between them, which confuses me on how to add the 1470 ohm resistor to each of them... that probably didn't make sense but it's the best way I could word it. Once that is solved I know how to do the rest.
 
Last edited:
Physics news on Phys.org
Ketchup4684 said:

Homework Statement


Find the total resistance of the circuit

Homework Equations


Parallel resistance: 1/Rtotal = 1/R1 + 1/R2 + 1/R3 + ..., Series resistance: R1 + R2 + R3...

The Attempt at a Solution


The 1470 ohm resistor is parallel to the 50 ohm resistor and the 1000 ohm resistor, but there is a junction between them, which confuses me on how to add the 1470 ohm resistor to each of them... that probably didn't make sense but it's the best way I could word it. Once that is solved I know how to do the rest.
Try adding a picture.
 
Isaac0427 said:
Try adding a picture.
(facepalm) oops... there it is
 
None of the resistors are in series or in parallel with any other.
 
vela said:
None of the resistors are in series or in parallel with any other.
How would i go about adding up the resistances then?
 
Connect the combination to a voltage source V and calculate the current I it draws. The equivalent resistance is V/I.
 
vela said:
Connect the combination to a voltage source V and calculate the current I it draws. The equivalent resistance is V/I.
But to find the current that is drawn from the battery (6V) i need to know the total resistance of the circuit...
 
You're just going to have to write down equations using Kirchoff's laws and solve the resulting system of equations.
 
I would perform a Delta to Y transform on the 1470, 50, & 1000, which are currently in Delta (a triangle). See these for info on Delta-Y
http://ux.brookdalecc.edu/fac/engtech/andy/elec111/powerpoint/12_deltatowye.pdf and https://en.wikipedia.org/wiki/Y-Δ_transform
 
  • #10
vela said:
Connect the combination to a voltage source V and calculate the current I it draws. The equivalent resistance is V/I.
I would think that there is no point to this. You need the total resistance to calculate the current, then use I=V/R, and then go back to use R=V/I. That's just a lot of unnecessary extra steps that you would take after you find the total resistance.

To solve this you would need to either use kirchhoffs laws or kirchhoffs laws with the delta y transform.
 
  • Like
Likes   Reactions: scottdave
  • #11
Isaac0427 said:
I would think that there is no point to this. You need the total resistance to calculate the current, then use I=V/R, and then go back to use R=V/I. That's just a lot of unnecessary extra steps that you would take after you find the total resistance.

To solve this you would need to either use kirchhoffs laws or kirchhoffs laws with the delta y transform.
At first, I thought @vela was joking (like actually get a battery and some resistors.. Ha). But I think what was meant is to create a circuit on paper, then go through the loop analysis. Once you find the current delivered by the test voltage, then R = Vsource/Isource.
 
  • #12
Isaac0427 said:
I would think that there is no point to this. You need the total resistance to calculate the current, then use I=V/R, and then go back to use R=V/I. That's just a lot of unnecessary extra steps that you would take after you find the total resistance.
Really? There's no other way to find the current I? Like perhaps the way you mention below...

To solve this you would need to either use kirchhoffs laws or kirchhoffs laws with the delta y transform.
 
  • #13
vela said:
Really? There's no other way to find the current I? Like perhaps the way you mention below...
Right, but to find the current that way wouldn't you have to find the total resistance first?
 
  • #14
I can't help but feel you're trolling here.
 
  • #15
Isaac0427 said:
Right, but to find the current that way wouldn't you have to find the total resistance first?
No. Solve the circuit, and you'll find all the currents even if you only really require one of them.
 
  • Like
Likes   Reactions: Isaac0427
  • #16
gneill said:
No. Solve the circuit, and you'll find all the currents even if you only really require one of them.
Ah ok.
 
  • #17
Ketchup4684 said:
View attachment 203597

Homework Statement


Find the total resistance of the circuit

Homework Equations


Parallel resistance: 1/Rtotal = 1/R1 + 1/R2 + 1/R3 + ..., Series resistance: R1 + R2 + R3...

The Attempt at a Solution


The 1470 ohm resistor is parallel to the 50 ohm resistor and the 1000 ohm resistor, but there is a junction between them, which confuses me on how to add the 1470 ohm resistor to each of them... that probably didn't make sense but it's the best way I could word it. Once that is solved I know how to do the rest.

One method is the loop-equation method. Draw out the possible current loops for the circuit, write an equation for each loop, and then solve the simultaneous equations to find each loop current. The sum of these give you the total current for any given source voltage, and from that you can determine the total resistance of the circuit. Here's the circuit redrawn with the loop currents marked:
bridge.gif
 
  • #18
Janus said:
Here's the circuit redrawn with the loop currents marked:

just out of personal curiosity for my learning

can you do that with just the three loops you have done or should it really be for all loops ?
as there is a 4th loop
 
  • #19
davenn said:
just out of personal curiosity for my learning

can you do that with just the three loops you have done or should it really be for all loops ?
as there is a 4th loop
You'd find that only three of the loop equations are independent. The equations from the other loops would be linear combinations of the three.
 
  • #20
davenn said:
just out of personal curiosity for my learning

can you do that with just the three loops you have done or should it really be for all loops ?
as there is a 4th loop
Independent loops are needed, and there are three in this case. Assign current to each loops, so that there is one or two loop currents flowing through each resistor. If it is possible, the loops are separate. @davenn's construction is too complicated. See the next one:
upload_2017-5-18_6-25-8.png


The currents through the resistors are: I1, through 100Ω, I2, through 330Ω, I2-I1, through 220Ω, I2-I3, through 50Ω, and I3-I1, through 1000Ω. The generator current is I1. Anti-clockwise direction is positive. Write Kirchhoff's Loop Rule for each loops, that makes three equations for the three currents, eliminate I2 and I3, solve for I1. The total resistance is R=V/I1.
 

Similar threads

  • · Replies 7 ·
Replies
7
Views
2K
  • · Replies 14 ·
Replies
14
Views
2K
  • · Replies 11 ·
Replies
11
Views
2K
  • · Replies 6 ·
Replies
6
Views
2K
Replies
5
Views
2K
  • · Replies 3 ·
Replies
3
Views
953
  • · Replies 7 ·
Replies
7
Views
2K
  • · Replies 13 ·
Replies
13
Views
2K
Replies
4
Views
2K
  • · Replies 3 ·
Replies
3
Views
2K