Can This Circuit be Used for Charge Recycling?

Click For Summary

Discussion Overview

The discussion revolves around the feasibility of using a specific circuit configuration for charge recycling, particularly focusing on the discharge behavior of capacitors within the circuit.

Discussion Character

  • Exploratory
  • Technical explanation
  • Debate/contested

Main Points Raised

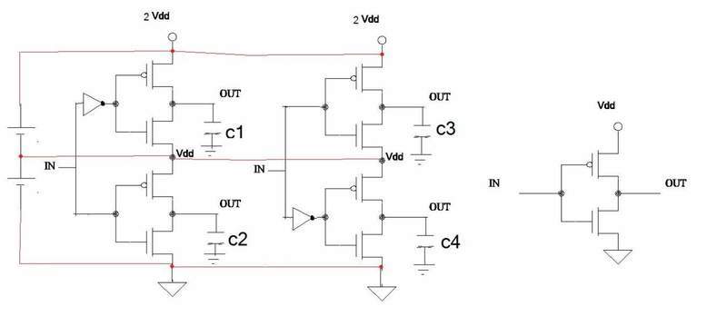
  • One participant questions whether capacitors C1 and C3 can discharge into C2 and C4 in the given circuit, raising the idea of charge recycling.
  • Another participant asserts that a capacitor requires a resistor to discharge, suggesting that in an ideal scenario, the capacitors cannot discharge as proposed.
  • A different participant discusses the behavior of a normal inverter circuit, proposing that if the circuit is not grounded, it might be possible to use the discharged charge from upper capacitors to charge lower capacitors.
  • Another participant expresses confidence that charge recycling is possible, noting that the output section of the circuit will yield some output, either in voltage or current.

Areas of Agreement / Disagreement

Participants express differing views on the discharge behavior of capacitors and the potential for charge recycling, indicating that multiple competing views remain without a consensus.

Contextual Notes

Some assumptions regarding ideal conditions and the role of resistors in capacitor discharge are not fully explored, and the implications of grounding in the circuit configuration are also not resolved.

1990a
Messages
2
Reaction score
0
hi

will c1 and c3 discharge in c2 and c4 in this circuit? and can something like this be used for charge recycling?
 

Attachments

  • Untitled2.jpg
    Untitled2.jpg
    13.7 KB · Views: 458
Engineering news on Phys.org


As far as I know a capacitor needs a resistor to discharge.So I think in above circuit considering ideal situation,they can't discharge.If I m wrong please tell me.
 


the normal inverter circuit like the one in the right the nmos is grounded and the load capacitor will dissipate it's charge in the nmos
i am wondering if it is not a ground and the circuit is connected to another circuit can i use the discharged charge from the upper capacitors to charge the lower capacitors?
 


I think definitely we can do it because the capacitors are at output section and definitely it will get some output either voltage or current.Isn't it?
 

Similar threads

  • · Replies 2 ·
Replies
2
Views
2K
  • · Replies 4 ·
Replies
4
Views
2K
  • · Replies 12 ·
Replies
12
Views
2K
  • · Replies 4 ·
Replies
4
Views
2K
  • · Replies 19 ·
Replies
19
Views
4K
  • · Replies 2 ·
Replies
2
Views
2K
  • · Replies 16 ·
Replies
16
Views
2K
Replies
2
Views
2K
  • · Replies 1 ·
Replies
1
Views
1K
  • · Replies 32 ·
2
Replies
32
Views
4K