Capacitor circuit simplification

  • Thread starter Thread starter delgeezee
  • Start date Start date
  • Tags Tags
    Capacitor Circuit
Click For Summary
SUMMARY

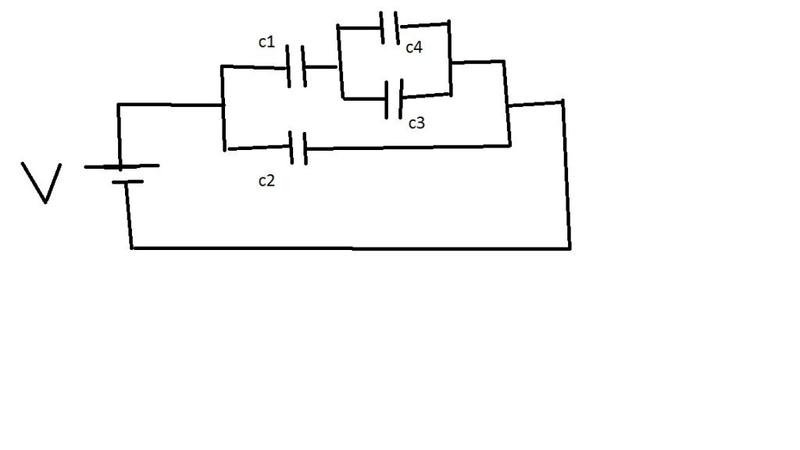
The discussion focuses on simplifying a capacitor circuit to determine the voltage across Capacitor 3 (C3). The circuit includes four capacitors with values C1 = 5.3 μF, C2 = 1.2 μF, C3 = 1.3 μF, and C4 = 9.4 μF, connected to a 20V battery. Participants confirm that the proposed equivalent circuit is valid, suggesting a 180° rotation for clarity.

PREREQUISITES
  • Understanding of capacitor values and their units (microfarads).
  • Knowledge of series and parallel capacitor configurations.
  • Familiarity with voltage division in capacitor circuits.
  • Basic circuit diagram interpretation skills.
NEXT STEPS
  • Study the principles of capacitor combinations in series and parallel.
  • Learn how to calculate equivalent capacitance for complex circuits.
  • Explore voltage division in capacitor circuits to find voltages across individual capacitors.
  • Investigate circuit simulation tools like LTspice for visualizing capacitor behavior.
USEFUL FOR

Electronics students, circuit designers, and hobbyists looking to simplify capacitor circuits and analyze voltage distribution effectively.

delgeezee
Messages
12
Reaction score
0
i just want to simplify this circuit so i can find the voltage across Capacitor 3.
c1= 5.3 μF c2=1.2μF c3=1.3μF c4=9.4μF
Vbattery=20V
php1oROPj.png


Is this picture I made the equivalent of the circuit above??
cmam.jpg
 
Last edited:
Physics news on Phys.org
hi delgeezee! :smile:
delgeezee said:
Is this picture I made the equivalent of the circuit above??

yes …

if you flip the top structure through 180°, it makes that fairly obvious :wink:
 

Similar threads

Replies
2
Views
1K
  • · Replies 15 ·
Replies
15
Views
1K
Replies
5
Views
2K
  • · Replies 2 ·
Replies
2
Views
14K
  • · Replies 1 ·
Replies
1
Views
3K
  • · Replies 4 ·
Replies
4
Views
4K
  • · Replies 11 ·
Replies
11
Views
3K
  • · Replies 9 ·
Replies
9
Views
2K
  • · Replies 11 ·
Replies
11
Views
2K
  • · Replies 7 ·
Replies
7
Views
3K