Create a Phasor Diagram for Steady State Circuits

Click For Summary
SUMMARY

The discussion focuses on creating a phasor diagram for steady state circuits, specifically addressing the current and power distribution within these circuits. Participants emphasize the importance of understanding impedance in phasor form, particularly for parallel RLC circuits. The conversation highlights the necessity of demonstrating effort before receiving assistance, indicating a collaborative learning environment. Key concepts include phasor diagrams and their application in analyzing circuit behavior.

PREREQUISITES
  • Understanding of phasor diagrams in electrical engineering
  • Knowledge of impedance in parallel RLC circuits
  • Familiarity with steady state circuit analysis
  • Basic concepts of current and power distribution in AC circuits
NEXT STEPS
  • Research the calculation of impedance in parallel RLC circuits
  • Learn how to construct phasor diagrams for AC circuits
  • Explore the relationship between current, voltage, and power in steady state conditions
  • Study the principles of AC circuit analysis using complex numbers
USEFUL FOR

Electrical engineering students, circuit designers, and professionals involved in AC circuit analysis and phasor diagram creation.

nobodyjusttrying
Messages
1
Reaction score
0
New poster has been reminded to show their work on schoolwork problems
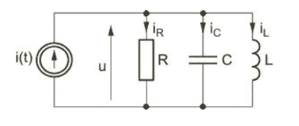
Homework Statement
Find the current and power distribution in the steady state circuit. Create a phasor diagram.
Relevant Equations
i(t)=5√2sin⁡(1000𝑡)A, R= 10Ω, C= 0.0001 F, L=5mH
So all we have to do is find the current and power distribution in the steady state circuit. Create a phasor diagram. I don't exactly know how to tell it in english, but i think there is a thing I called c. & p. paths.
 

Attachments

  • pobrany plik.png
    pobrany plik.png
    6.3 KB · Views: 174
Physics news on Phys.org
Welcome to PhysicsForums. :smile:

We are not allowed to help you until you show more effort. What is the impedance (in phasor form) of the parallel RLC? How does that help you to start working on this problem? What do phasor diagrams look like for this type of circuit?
 

Similar threads

  • · Replies 8 ·
Replies
8
Views
3K
  • · Replies 20 ·
Replies
20
Views
2K
  • · Replies 3 ·
Replies
3
Views
3K
  • · Replies 3 ·
Replies
3
Views
993
  • · Replies 10 ·
Replies
10
Views
1K
  • · Replies 10 ·
Replies
10
Views
2K
  • · Replies 1 ·
Replies
1
Views
3K
  • · Replies 7 ·
Replies
7
Views
2K
  • · Replies 3 ·
Replies
3
Views
1K
  • · Replies 6 ·
Replies
6
Views
3K