Designing an Efficient RC Circuit for Linear Ramp Control

Click For Summary

Discussion Overview

The discussion revolves around designing an efficient RC circuit to achieve a linear ramp control for activating a solenoid with a voltage range of 0 to 24VDC over a specified time period. Participants explore various circuit configurations, including the use of constant current sources and operational amplifiers, to achieve both a soft start and a linear ramp down in voltage.

Discussion Character

  • Exploratory
  • Technical explanation
  • Debate/contested
  • Mathematical reasoning

Main Points Raised

  • One participant suggests that a constant current source can charge/discharge an RC circuit to achieve a linear voltage ramp.
  • Another participant questions the practicality of using a constant current source in the proposed circuit, noting potential issues with maintaining a ramp voltage across the solenoid.
  • A derivation is referenced that relates to the behavior of RC circuits under constant current conditions.
  • Participants discuss the need for a resistor to achieve the desired current for the solenoid, with one participant proposing a specific circuit configuration involving a PNP and NPN transistor setup.
  • Concerns are raised about power dissipation and the need for a resistor to lower the power in the circuit.
  • There is mention of using an operational amplifier as a linear voltage ramp generator, with references to external resources for further understanding.
  • One participant expresses uncertainty about the specifics of achieving a soft start and requests clarification on the circuit design.

Areas of Agreement / Disagreement

Participants express a variety of views on the best approach to achieve a linear ramp control, with no consensus reached on a single solution. Multiple competing ideas and configurations are presented, indicating ongoing debate and exploration of the topic.

Contextual Notes

Participants highlight limitations related to circuit design, including the need for specific component values and the practical challenges of implementing proposed solutions. There is also mention of the dependence on the characteristics of the solenoid and the power supply.

Who May Find This Useful

Individuals interested in circuit design, particularly those working with solenoids, RC circuits, and linear voltage control applications may find this discussion beneficial.

eegeek
Messages
7
Reaction score
0
Hello!

I'm trying to activate a solenoid with a linear ramp in voltage of 0 - 24VDC in 2 seconds. An RC series circuit helps achieve soft start but in an exponential way (with 63% of supply voltage in 1 time constant). Can I use a single circuit for charging and discharging? (linear ramp down also preferred). Ideal ramp down time should be less than 1 second. Trying to figure out if this circuit is possible with resistor/ capacitor elements and without the use of an expensive proportional amplifier.

Any help is much appreciated!
 
Engineering news on Phys.org
eegeek said:
Hello!

I'm trying to activate a solenoid with a linear ramp in voltage of 0 - 24VDC in 2 seconds. An RC series circuit helps achieve soft start but in an exponential way (with 63% of supply voltage in 1 time constant). Can I use a single circuit for charging and discharging? (linear ramp down also preferred). Ideal ramp down time should be less than 1 second. Trying to figure out if this circuit is possible with resistor/ capacitor elements and without the use of an expensive proportional amplifier.

Any help is much appreciated!

Hello. A constant current source will charge/discharge an RC circuit to have a linear voltage.
 
Last edited:
Here is a derivation I did for it a while ago.
 

Attachments

Thanks DragonPetter for the quick response! This equation looks more like the one for RC discharging circuit. And to achieve constant current source, I connect a resistor between voltage source and capacitor?
 
How much is your maximum current?
 
The coil can take upto about 1.6A..
 
eegeek said:
Thanks DragonPetter for the quick response! This equation looks more like the one for RC discharging circuit. And to achieve constant current source, I connect a resistor between voltage source and resistor?

It is for the voltage on a capacitor as it is charged or discharged by a constant current. Forget the R component, I eliminated that when I made the current constant.

One possible way to do what you want is to charge a capacitor up to the desired start voltage, and then to put a current source in series between the capacitor and the solenoid, where the current source's supply is from the capacitor. I don't know what problems you may have doing this in a practical circuit tho. I see a problem in that the voltage at the inductor would be 0 if it is given a constant current, which defeats your goal to have a ramp voltage across the solenoid. You could still use the linear V discharging cap as a reference voltage.
 
Last edited:
@DragonPetter: You're right. I actually have to use a 8Ω resistor anyway to have a current of 1.6A at the solenoid coil (7Ω) from a 24V DC source. So my circuit currently has a 24V source in series with an 8 ohm resistor, a .056 F capacitor and the coil. Of course linear ramp is difficult here. Don't have much experience with op-amps, will they help?
 
What are you using the solenoid for, eegeek, and why do you want a soft-start?
 
  • #10
@NascentOxygen: The solenoid is used for steering a large equipment and a sudden step input might result in jerk resulting from force needed to overcome the moment of inertia (infact an exponential voltage coming from series RC circuit might do the same). Hence the soft start..Do you have a solution?
 
  • #11
DragonPetter said:
Hello. A constant current source will charge/discharge an RC circuit to have a linear voltage.

DragonPetter said:
Here is a derivation I did for it a while ago.
A true linear voltage ramp requires a linear op amp current integrator. See http://www.wisc-online.com/Objects/ViewObject.aspx?ID=SSE5303
 
  • #12
I concur. Cool little display animation with the integrator amp there Bob S.

To add to what Bob s is saying:

The TRANSFER FUNCTION you are looking for is -1/JωRC.

The gain of the amp shown is -RF/RA

(1/JωC)/R = -1/JωRC.

Test your limits at max frequencies. When ω=0...gain will be infinite or saturated in steady state...The time it takes to get there is the RC constant...

When ω=infinity....gain will equal zero.

Reminder: db is 20 log |Gain|...that's how that peske minus sign goes away as far as gain goes...as far as output voltage, it absolutely plays a part.

Look at this (-1/JωRC) in regards to sin and cosine.

We know that sin is the intregal of cosine.

Take your cosine and flip it across the horizontal acces according to the minus sign in the formula.
Now phase shift it -90 according to the J in the denominator. You now have the Sin.

To someone smarter than me...Does what I just wrote make sense? I kinda made it up as I went along...lol.
 
Last edited:
  • #13
Thanks all for the helpful replies...
 
  • #14
A constant current source needed to be use with a capacitor to create a linear ramp. A constant current source can easily be implemented by just a transistor.

I still don't quite know what you are trying to do. Do you mean you want to achieve a soft start by using a linear Ramp to ramp the voltage from 0 to 24V across the solenoid to create a soft start. Then when you want to turn off the solenoid, you want to ramp down the voltage to achieve soft turning off?

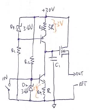
This is a circuit I whipped out quickly and see whether it works for you:

151550[/ATTACH]"]
346vr5h.jpg


I have two constant current source by the PNP and NPN. The PNP is always on. The current is about 3V/R3. The NPN is a switchable current source where it is controlled by the switch on the left. When the switch is closed, the NPN is off so the ramp is generated by the current source of the PNP charging C1. When the switch is open, the NPN current source turns on. R3 is 3 times the value of R4, so current by NPN is 3 times the current of PNP. With that, you achieve charging up at a current called I1, but the discharge current is I2-I1=-2I1. You adjust the ramp by adjust the I1 and C1 to get 2 second ramp up and 1 second ramp down.
The N channel enhancement mode MOSFET is the buffer. I use 30V supply to get 24V at the output. I'll let you work out the detail values. Remember the input capacitance of the MOSFET is quite high, so you need to take that into consideration. This is not a precision circuit in any stretch, but it should do what I understand from you post. This is a cheesy circuit, but you are only driving a solenoid! The only formula need is C1V=It as it is constant current and ramp is linear( well roughly).

R1 and R2 is just to bias the zeners on with very low current.

Let me know is that what you want.
 

Attachments

  • 346vr5h.jpg
    346vr5h.jpg
    11.2 KB · Views: 575
Last edited:
  • #15
Bob S said:
A true linear voltage ramp requires a linear op amp current integrator. See http://www.wisc-online.com/Objects/ViewObject.aspx?ID=SSE5303

I see. This is specifically when you want to convert a DC voltage to a ramp voltage, as the integration of a constant is a sloped line? I never thought about using the integrator opamp, but that seems like a really good way to do it.

I believe a constant current charge or discharge from a capacitor also gives a truly linear voltage ramp as well, but in this case you don't use a control voltage, but rather a control current.

http://www.maxim-ic.com/app-notes/index.mvp/id/3655
http://www.ti.com/lit/ds/symlink/lm555.pdf (page 10)
http://www.vk2zay.net/article/196 (about a third down)

Those circuits are using a constant current charge/discharge on a capcaitor to generate their ramps. What would make them not truly linear (within their operating ranges)?
 
Last edited:
  • #16
@yungman You were quick off the mark with that circuit. :smile: A couple of things as I understand it: his supply is 24V, and the solenoid requires a max drive of 11.2V (1.6A into 7Ω). So possibly include a resistor in the drain of the MOSFET to allow a lower power device.
 
  • #17
Oh yeh, anything to lower the power. In fact I am kind of concern with the power dissipation also. I just throw the circuit out as an idea, definitely need some messaging.
 
  • #18
@yungman: Thanks! Would you mind a quick sketch for this novice?

"I still don't quite know what you are trying to do. Do you mean you want to achieve a soft start by using a linear Ramp to ramp the voltage from 0 to 24V across the solenoid to create a soft start. Then when you want to turn off the solenoid, you want to ramp down the voltage to achieve soft turning off?"

Yes, this is what I want to do.
 
  • #19
eegeek said:
@yungman: Thanks! Would you mind a quick sketch for this novice?

"I still don't quite know what you are trying to do. Do you mean you want to achieve a soft start by using a linear Ramp to ramp the voltage from 0 to 24V across the solenoid to create a soft start. Then when you want to turn off the solenoid, you want to ramp down the voltage to achieve soft turning off?"

Yes, this is what I want to do.

That was the schematic, You mean you want the value of the components? Do you understand how the circuit works? I rather you understand the circuit so you can put in the value yourself.

The key is the PNP and NPN transistor setting up as constant current source. You understand the emitter of the NPN is about 0.7V lower from the base ( 0ne diode drop). I use a 3.6V zener to put +3.6V on the base of the NPN, so the emitter is about 3V( don't need to be exact). So you can set up any emitter current by choosing R4. Say if you want Ie=3mA, you put R4=1KΩ. Assume β>100, so collector current Ic≈3mA also.

Same idea as for the PNP where R3=3R4 to get 1mA current from the PNP. So R3=3KΩ.This is just an example, you have to choose your own value and choose C1 to get the ramp time. Remember no need for fancy formula, CV=It is good enough where I is the charging current, t is time, C is capacitance of C1, V is the voltage of the ramp.

R1 and R2 is just to set up the minimum current to bias the zener to operating voltage. Look at the spec of the zener to determine the resistance.
 
  • #20
Also include a diode (normally reverse biased) across the coil terminals to protect the electronics against flyback when/if power is accidently disconnected.

If you went with a PWM design (say 2 NE555s and an emitter follower) it would do away with the need to dissipate that unwanted power as heat.
 
  • #21
Yes, flyback diode is good. There are so many way to design this, mine is only one of many. Also the Drain resistance to take some power load off the MOSFET.
 

Similar threads

  • · Replies 41 ·
2
Replies
41
Views
8K
  • · Replies 6 ·
Replies
6
Views
9K
  • · Replies 2 ·
Replies
2
Views
2K
  • · Replies 12 ·
Replies
12
Views
4K
  • · Replies 2 ·
Replies
2
Views
3K
Replies
3
Views
4K
Replies
7
Views
9K
  • · Replies 9 ·
Replies
9
Views
2K
  • · Replies 4 ·
Replies
4
Views
2K
  • · Replies 1 ·
Replies
1
Views
2K