Determine forces in beam with hinges

Click For Summary

Discussion Overview

The discussion revolves around determining the forces acting on a beam with hinges, specifically focusing on the vertical reactions at points A, B, and C. Participants explore various methods to solve the problem, including the use of equilibrium equations and moments about different points. The context is primarily homework-related, involving technical reasoning and mathematical calculations.

Discussion Character

  • Homework-related
  • Technical explanation
  • Debate/contested
  • Mathematical reasoning

Main Points Raised

  • One participant questions whether it is possible to find the reactions VA, VB, and VC without breaking the beam into two parts.
  • Another participant points out errors in the initial equations, particularly regarding the hinge force at B, suggesting that breaking the beam apart is necessary.
  • Subsequent posts involve participants revising their equations and attempting to solve for the unknowns, but they express confusion over discrepancies with the author's solution.
  • Some participants argue that summing moments about multiple points does not yield additional useful equations, emphasizing the need to break the beam at B to solve the problem correctly.
  • There is a discussion about the correct inclusion of an unknown moment at the fixed end, which some participants believe is crucial for solving the problem.
  • One participant asserts that while the equations may be correct, the underlying concept is flawed due to the number of unknowns exceeding the available equilibrium equations.

Areas of Agreement / Disagreement

Participants do not reach a consensus on the best approach to solve the problem. There are competing views on whether breaking the beam is necessary and how to correctly apply equilibrium equations. The discussion remains unresolved regarding the correct methodology.

Contextual Notes

Participants express uncertainty about the assumptions made in their calculations and the definitions of forces and moments involved. There are unresolved mathematical steps and dependencies on the approach taken to analyze the beam.

fonseh
Messages
521
Reaction score
2

Homework Statement

Is it possible to find the VA , VB and VC without ' breaking ' the beam into 2 parts ?

Homework Equations

The Attempt at a Solution


Here's my working , i gt

Moment about A = 10(1) -VB(2) -VC(4) +5(3)(4 + (3/2) ) = 0 Hence , 92.5-2VB -4VC= 0

moment about B = VA(2) -10-VC(2) +(5)(3)(2 + (3/2) ) = 0 Hence , 42.5 + 2VA -2VC = 0

Moment about C = VA(4) -10(3) +VB(2) + (5)(3)(3/2) =0, Hence , -7.5 +4VA +2VB = 0

and sum of vertical force = VA +VB +VC = 25

Then , i solve the 4 equations using online calculator , i found that some of the values couldn't be found .

Or there's something wrong with my working ?
 

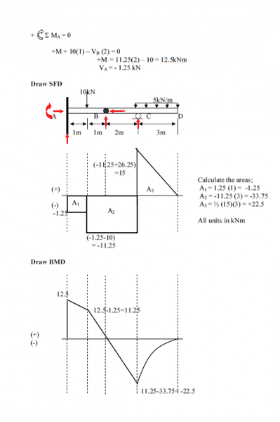
Attachments

  • 446.PNG
    446.PNG
    50.1 KB · Views: 559
  • 447.PNG
    447.PNG
    31.6 KB · Views: 498
Physics news on Phys.org
Bump
 
you are making a few errors here, particularly when including the hinge force at B in your equations when looking at the whole beam, because it is not an external support. But anyway, looking at the entire beam, you can sum moments = 0 about countless points and get an infinite number of equations , but you won't get anywhere, because you only have --?-- equilibrium equations to work with. Break the beam apart.
 
  • Like
Likes   Reactions: fonseh
Do you mean for Moment about A = 10(1) -VC(4) +5(3)(4 + (3/2) ) = 0 Hence , 92.5 -4VC= 0 , it should be like this ?

For Moment about C = VA(4) -10(3) + (5)(3)(3/2) =0, Hence , -7.5 +4VA = 0 , is should be like this ?

For moment about B , = VA(2) -10-VC(2) +(5)(3)(2 + (3/2) ) = 0 Hence , 42.5 + 2VA -2VC = 0 ?

sollving 3 equations , i have VA = 1.875 , VC = 23.125 , VB =0 ?
bUT , my ans is still different from the author ans
 
fonseh said:
Do you mean for Moment about A = 10(1) -VC(4) +5(3)(4 + (3/2) ) = 0 Hence , 92.5 -4VC= 0 , it should be like this ?

For Moment about C = VA(4) -10(3) + (5)(3)(3/2) =0, Hence , -7.5 +4VA = 0 , is should be like this ?

For moment about B , = VA(2) -10-VC(2) +(5)(3)(2 + (3/2) ) = 0 Hence , 42.5 + 2VA -2VC = 0 ?

sollving 3 equations , i have VA = 1.875 , VC = 23.125 , VB =0 ?
bUT , my ans is still different from the author ans
You are not paying attention , you forgot to include the unknown moment , M, at the fixed end. The problem cannot be solved unless you break up the beam at B. Follow the book solution.
 
  • Like
Likes   Reactions: fonseh
PhanthomJay said:
You are not paying attention , you forgot to include the unknown moment , M, at the fixed end. The problem cannot be solved unless you break up the beam at B. Follow the book solution.

after making correction ,

Moment about A = 10(1) -VC(4)+M +5(3)(4 + (3/2) ) = 0 Hence , 92.5 -4VC +M= 0For moment about B , = VA(2) -10-VC(2) +(5)(3)(2 + (3/2) )+M = 0 Hence , 42.5 + 2VA -2VC +M= 0 ?For Moment about C = VA(4) -10(3) +M+ (5)(3)(3/2) =0, Hence , -7.5 +4VA+M = 0 ,

here's my answer , M = 0 , VA = 1.875 , VC = 23.125 , which is still not same as the author's working
 
Last edited:
fonseh said:
after making correction ,

Moment about A = 10(1) -VC(4)+M +5(3)(4 + (3/2) ) = 0 Hence , 92.5 -4VC +M= 0For moment about B , = VA(2) -10-VC(2) +(5)(3)(2 + (3/2) )+M = 0 Hence , 42.5 + 2VA -2VC +M= 0 ?For Moment about C = VA(4) -10(3) +M+ (5)(3)(3/2) =0, Hence , -7.5 +4VA+M = 0 ,

here's my answer , M = 0 , VA = 1.875 , VC = 23.125 , which is still not same as the author's working
well, you didn't do it right. You do not get any more useful equations when summing moments about multiple different points. Suppose you had 2 equations, x + y = 0 and 2x +2y = 0. 2 equations, 2 unknowns, but I bet you can't solve for x and y.
If you do not wish to believe that you must break up the beam to solve, then I can't help you any further.
 
  • Like
Likes   Reactions: fonseh
PhanthomJay said:
well, you didn't do it right. You do not get any more useful equations when summing moments about multiple different points. Suppose you had 2 equations, x + y = 0 and 2x +2y = 0. 2 equations, 2 unknowns, but I bet you can't solve for x and y.
If you do not wish to believe that you must break up the beam to solve, then I can't help you any further.
do you mean my equation is correct ? just my concept is incorrect ?
 
fonseh said:
do you mean my equation is correct ? just my concept is incorrect ?
Yes, your equations are ok but if you try to solve them correctly you get 0 = 0. The concept is wrong. When you look at the entire beam, you have 4 unknowns...the moment at A, VA, HA, and VC. Four unknowns, with only 3 useful equilibrium equations: sum of forces in y direction = 0, sum of forces in x direction =0, and sum of moments about a point = 0. So you need to resort to another method to solve, which is the one described in the solution.
 
  • Like
Likes   Reactions: fonseh

Similar threads

  • · Replies 1 ·
Replies
1
Views
2K
  • · Replies 7 ·
Replies
7
Views
2K
  • · Replies 2 ·
Replies
2
Views
1K
  • · Replies 5 ·
Replies
5
Views
3K
  • · Replies 16 ·
Replies
16
Views
4K
Replies
2
Views
1K
  • · Replies 22 ·
Replies
22
Views
3K
  • · Replies 9 ·
Replies
9
Views
2K
  • · Replies 1 ·
Replies
1
Views
3K
  • · Replies 11 ·
Replies
11
Views
5K