Discrete Differential Amplifier

Click For Summary

Discussion Overview

The discussion revolves around calculating the open loop output impedance and the open loop differential gain of a discrete differential amplifier circuit. Participants explore various aspects of the circuit design, including the input, second, and output stages, while addressing specific component values and their implications on the overall gain.

Discussion Character

  • Homework-related
  • Technical explanation
  • Debate/contested

Main Points Raised

  • One participant presents a detailed calculation of the open loop gain, arriving at a value of approximately 2473.8 or 68 dB, and questions its feasibility.
  • Another participant suggests disregarding beta and re parameters, arguing that they complicate the problem unnecessarily, and proposes focusing only on the npn input stage.
  • A participant questions the presence of R115 in a calculation, prompting a correction that it should be R153 instead.
  • One participant points out a discrepancy in the calculation of Rtot, suggesting that it should be 10814 ohms instead of 14441 ohms based on the values of R117 and Rin.
  • A later reply acknowledges the correction and recalculates the gain at this stage to be 22, leading to an updated total gain of approximately 3281.3 or 70.32 dB.
  • Another participant corrects a previous statement regarding the load impedance, clarifying that it is 600 ohms, not 10 ohms.

Areas of Agreement / Disagreement

Participants express differing views on the inclusion of certain parameters in the calculations, and there are multiple corrections and clarifications regarding component values and calculations. The discussion remains unresolved regarding the best approach to take for the calculations.

Contextual Notes

There are limitations in the assumptions made regarding the parameters used in the calculations, and the discussion reflects ongoing corrections and refinements of earlier claims without reaching a consensus.

oteggis
Messages
9
Reaction score
0

Homework Statement


Calculating the open loop output Impedance at 1kHz and the open loop differential gain

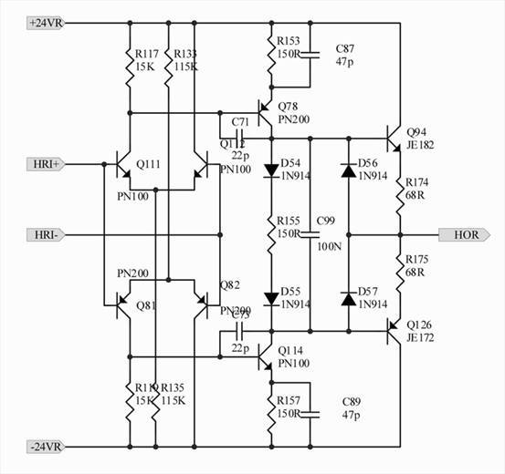
Circuit.jpg

The Attempt at a Solution


Here is the approach.

INPUT STAGE: Q111 and Q112

Av1 = Rtot/2re, where Rtot is the total resistance of R117 and the input resistance of Q78 which is Rin.
So the gain Av = Rtot/500 ohms.

If hFE for Q78 is 250,

Rin = hFE*(R115+re) = 250(155) = 38750 ohms.
So Rtot = R117||Rin = 14441ohms = 14000 ohms.

Using this value the gain G1 = 14000/500 = 28.

If the load is 10 ohms

hFE for Q78 and Q94 are 250 and 100 respectively.

Load impedance RL= (250)(100)(600 ohms) = 15000000 ohms.

SECOND STAGE: Q78

Output resistance of Q78:
Using Early voltage of BC557 is 50V,

ro = (VA + VCE)/IC.

ro = 14360 ohms.
Early Effect Resistance Rout = 14360 ohmsThe early effect resistance and load impedance are parallel.
So Rtot2 = RL|| Rout = 14346 ohms.

Gains at stage 2: G2 = 14346/155 = 93.

OUTPUT STAGE: Q94 and Q126

For Q94, IE = 10.3mA = 10mA
So re = VT/IE - 25mV/10mA = 2.5 ohms

Rtot3 = R174 + re = 68 ohms + 2.5 ohms = 70.5 ohms

Both halves are in parallel, So

Output Impedance Zout = 70.5 ohms || 70.5 ohms = 35.25 ohms = 35 ohms

Gain in the output stage G3 = RL/(RL + Zout) = 600 ohms/(600 ohms + 35 ohms)= 0.95

Thus open loop gain G = G1*G2*G3 = (28)(93)(0.95) = 2473.8

Converting to dB : Gain in dB = 20log(2473.8) = 68 dB

I have calculated the open loop gain considering a load of 600 ohms. I ended up with an open loop gain of about 2473.8 which is about 68dB.

Is this feasible?
 
Last edited by a moderator:
Physics news on Phys.org
oteggis said:
INPUT STAGE: Q111 and Q112
Av1 = Rtot/2re, where Rtot is the total resistance of R117 and the input resistance of Q78 which is Rin.
So the gain Av = Rtot/500 ohms.
If hFE for Q78 is 250, ...
Disregard beta and re. Beta is infinite and re is zero. This problem is complicated enough without including those two parameters.
I would also disregard the capacitors, hoping that at 1 KHz they are ignorable. But if you're really ambitious, include them.
The circuit is mirror-identical between the npn and pnp input stages so work with the npn only, assuming HRI+ > HRI- so the pnp's are not in the gain stages.
 
You have the following expression: Rin = hFE*(R115+re) = 250(155) = 38750 ohms.

Where is R115?
 
Sorry, it is a mistake, I wanted to write R153
 
I also see this calculation: So Rtot = R117||Rin = 14441ohms = 14000 ohms.

If R117 = 15k and Rin = 38750 ohms, we should have 15000||38750 = 10814 ohms, not 14441 ohms.
 
You are correct. Using the value Rtot = 10814, the gain at this stage G1 is 22

Making the total gain to be

The open loop Gain G = G1*G2*G3 = (22)(157)(0.95) = 3281.3
Converting to dB: GaindB = 20 log(3281.3) ≈ 70.32dB
 
Another Mistake, If the load is 10 ohms

The load is 600 ohms and not 10 ohms
 

Similar threads

  • · Replies 2 ·
Replies
2
Views
3K
Replies
4
Views
2K
  • · Replies 7 ·
Replies
7
Views
2K
  • · Replies 2 ·
Replies
2
Views
5K
Replies
6
Views
2K