Dot convention inductors in series: equation confusion

Click For Summary

Discussion Overview

The discussion revolves around the confusion regarding the use of mutual inductance and the dot convention in inductors connected in series. Participants explore the implications of positive and negative mutual inductance values, the application of absolute values in equations, and the interpretation of concordant and discordant coupling in various scenarios.

Discussion Character

  • Homework-related
  • Debate/contested
  • Technical explanation

Main Points Raised

  • One participant expresses confusion over whether to use absolute values for mutual inductance in series inductance equations, questioning the reasoning behind the examples provided in their textbook.
  • Another participant explains that mutual inductance can be positive or negative, depending on the orientation of the coils and the direction of current flow, referencing the dot convention.
  • Some participants note that mutual inductance is often presented as a positive value in schematics, with the dot notation helping to determine its sign based on current flow.
  • There is a discussion about the relationship between mutual inductance and induced voltage, with references to standard transformer equations that include both positive and negative values for mutual inductance.
  • Participants highlight the importance of understanding the direction of flux and how it affects the sign of mutual inductance in practical applications.

Areas of Agreement / Disagreement

Participants do not reach a consensus on the use of absolute values in the equations or the interpretation of mutual inductance signs. There are competing views on how mutual inductance is represented in schematics and the implications of the dot convention.

Contextual Notes

Some participants mention that their experiences with schematics may differ, indicating a potential variability in how mutual inductance is presented in different contexts or educational backgrounds.

Granger
Messages
165
Reaction score
7

Homework Statement


So I'm really confused with mutual inductors and dot convention. If your answer is going to be a link to any website I can assure you I read them all and that only left me more confused. So here are my questions:

Homework Equations


3. The Attempt at a Solution [/B]
-> Should we write the absolute values of the mutual inductance? If so, why? Here is the example provided by my book:

dZsUJ.png


They say that for the left side we have concordant coupling (mutual inductance positive) and therefore the series inductance is going to be:

$$L = L_{11} + L_{22} + 2 |L_M|$$

Why the use of the absolute value though? Isn't the coupling concordant and mutual inductance positive? What if it was negative, do you still have concordant coupling? I can see that if we apply the right-hand screw rule the fluxes have the same direction.

And for the right side discordant coupling (mutual inductance negative) and therefore the series inductance is going to be:

$$L = L_{11} + L_{22} - 2 |L_M|$$

Again: Why using the absolute value though? Isn't the coupling discordant (mutual inductance negative)? What if it was positive, do you still have discordant coupling? I can see that if we apply the right-hand screw rule the fluxes have opposite directions.

Next example my book provides is this one:

5CjI2.png
By applying the same thinking pattern of the previous one we have discordant coupling (mutual inductance negative) and therefore the series inductance is going to be:

$$L = L_{11} + L_{22} - 2 |L_M|$$

HOWEVER, my book now provides this:

$$L = L_{11} + L_{22} + 2 L_M$$

I know that because \$L_M\$ is indeed negative this will lead us to the same result, however, why remove the absolute value now? Or are they assuming concordant coupling even though the mutual inductance is negative? Or is there a step I'm missing? This one didn't bother me so much because I ended up with the same answer.

However, the final case is where I drop the ball:

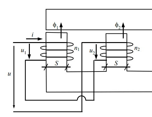
ixICR.png


So here I had previously calculated the mutual inductance and found out it was indeed negative. The series connection also suggests to me that we have discordant coupling (by dot convention) and therefore the series inductance is going to be:

$$L = L_{11} + L_{22} - 2 |L_M|$$

But now my book gives the answer:

$$L = L_{11} + L_{22} - 2 L_M$$

And since ##L_M## is negative this will originate different values.

I feel so confused right now, I have no idea how am I supposed to solve problems right this because I keep getting different answers. Can someone help me organize my line of thought. I think I understand concept of mutual inductance. What I don't understand is this thing with absolute values and series connection and I don't really know what to do.
 

Attachments

  • dZsUJ.png
    dZsUJ.png
    5.6 KB · Views: 840
  • 5CjI2.png
    5CjI2.png
    5.7 KB · Views: 847
  • ixICR.png
    ixICR.png
    5.3 KB · Views: 837
Physics news on Phys.org
Whew, didn't read it all But:
Mutual inductance can be + or - . If you have 2 coupled coils i and j, mutual inductance is Mji = Vji/dIi/dt where Vji is the voltage induced in coil j due to the current in coil i and Ii is the current in coil i. It is by no means easy to show that Mij = Mji but it's always true. So there is only one M (one LM in your book. Your book uses LM for mutual inductance; I prefer simply M).

Or you can look at it in terms of flux: Vji = Njji/dt so that allows you to associate flux with mutual inductance.

In either case it should be apparent that the flux from one coil can generate a + or - voltage on the other coil depending on the mutual orientation of the coils. This means that mutual inductance can also be + or - by the above equations. . You surely know what the absolute sign | | does so there should be nothing more that needs saying.

Except to remind you that there is something called the dotting convention. Mutual inductance is + if + currents flow into both dotted ends of i and j. Etc.
 
Last edited:
Whenever I've seen a schematic with coupled inductances the mutual inductance is always given as a positive value. The dot notation allows you to sort out whether the mutual inductance is going to be "concordant" or "discordant" as you put it. As @rude man stated,
rude man said:
Mutual inductance is + if + currents flow into both dotted ends of i and j.

For your final case, look at the way the current flows through each inductor. It should be apparent that ##\phi_2## will be pointing in the opposite direction to what they've shown. Trace the path that the flux from coil one will take through the laminated core. Will it add to or subtract from the flux of coil 2?
 
gneill said:
Whenever I've seen a schematic with coupled inductances the mutual inductance is always given as a positive value.
But consider the expressions for a transformer:
V1 = L1 di1/dt + M di2/dt
V2 = M di1/dt + L2 di2/dt.
This I think is pretty standard form and M can of course be either + or - .
 
rude man said:
But consider the expressions for a transformer:
V1 = L1 di1/dt + M di2/dt
V2 = M di1/dt + L2 di2/dt.
This I think is pretty standard form and M can of course be either + or - .
I've seen them, but when I've seen schematics the M is always a positive value and the dot notation sorts out its sign. It may well be that your experience has been different.
 
gneill said:
I've seen them, but when I've seen schematics the M is always a positive value and the dot notation sorts out its sign. It may well be that your experience has been different.
OK. I haven't encountered any schematics with "M" or "LM" designated thereon but I agree it does make more sense in those (rare?) cases.
 
rude man said:
OK. I haven't encountered any schematics with "M" or "LM" designated thereon but I agree it does make more sense in those (rare?) cases.
Dunno about rare. It's what I've experienced. Much of that experience comes from my university exposure to circuit analysis, so it might well be a "localized" purview. I'd welcome other's input on their practical experience.
 

Similar threads

  • · Replies 20 ·
Replies
20
Views
5K
  • · Replies 13 ·
Replies
13
Views
2K
  • · Replies 1 ·
Replies
1
Views
5K
  • · Replies 10 ·
Replies
10
Views
6K
  • · Replies 16 ·
Replies
16
Views
5K
  • · Replies 7 ·
Replies
7
Views
3K
Replies
4
Views
5K
  • · Replies 3 ·
Replies
3
Views
3K
  • · Replies 20 ·
Replies
20
Views
5K
  • · Replies 1 ·
Replies
1
Views
2K