Equivalent capacitance A hard one?

Click For Summary

Homework Help Overview

The discussion revolves around calculating the equivalent capacitance between two points in a circuit involving multiple capacitors, with specific values provided for some of the capacitors. The original poster expresses difficulty in approaching the problem due to the combination of series and parallel configurations.

Discussion Character

  • Mixed

Approaches and Questions Raised

  • Participants suggest simplifying the circuit by identifying capacitors that can be treated as either in series or parallel. There are discussions about using transformations, such as Delta-Y, and applying Kirchhoff's Voltage Law (KVL) to analyze the circuit. Some participants also question how to approach the problem without a voltage source.

Discussion Status

The discussion is ongoing, with various strategies being proposed to tackle the problem. Some participants have offered guidance on potential methods, while others are exploring different interpretations of the circuit configuration.

Contextual Notes

There are constraints regarding the visibility of the circuit diagram, which has led to some confusion. The original poster has provided capacitor values but has not included a voltage source in their analysis, prompting questions about its necessity.

PwnagePanda
Messages
3
Reaction score
0
Equivalent capacitance... A hard one!?

Homework Statement


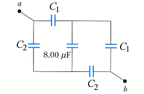
Calculate Equivalent capacitance between A and B:
[PLAIN]http://scsupport.org/moodle/file.php/13/Chapter26/imgch26q14.gif
EDIT: If you can't see the picture, see 3rd post for file attachment, sorry!

Homework Equations


C1 = 3.55 µF
C2 = 1.90 µF

The Attempt at a Solution


I know how to solve for equivalent capacitance with capacitors in series and parallel, but not both at the same time! Unless I'm seeing the problem wrong this is a complicated problem that I have never seen before! My mind is blown...

Any help at how to approach this would be greatly appreciated!
 
Last edited by a moderator:
Physics news on Phys.org


Hard to help without seeing a picture - but usual approach is to simplify the task by finding those that can be treated as just parallel or just in series, calculating their equivalent capacitance - and then treat them as one capacitor.
 


Shoot, is the picture not showing up for you guys? It must've been cached in my browser and not visible to you guys since it requires a login. Diagram attached to this reply.

C1 = 3.55 µF
C2 = 1.90 µF
 

Attachments

  • imgch26q14.gif
    imgch26q14.gif
    4.4 KB · Views: 814
Last edited:


If you know how to do it as resistors, then treat each as a resistor with value 1/(k.C) if you prefer.

Once you have a value for that 'resistance', 'X', reconvert it to C ( = 1/k.X)
 


I suggest redrawing the circuit more symmetrically for yourself to reviel the role played by the 8 uF capacitor that is neither in series nor parallel with any other capacitor.
 


You could use a Delta-Y transformation on one of the Δ configurations and then proceed as usual to identify parallel and serial opportunities.

Or you could slap a voltage source V between a and b, creating a third loop, and solve the mesh equations for the current being driven by that source. The impedance of the circuit is then V/I. I'd start by assigning symbols Z1, Z2, Z3 to the capacitor impedances and finding a symbolic result... you may find that the result has an obvious form that you can exploit.
 


Applying KVL to the circuit, could something be said about Vc in relation to V1 and V2 (Vc is the voltage across the 8µF capacitor)? Looking at several different routes, I think I found a result that would massively simplify this problem.
 


Nytik said:
Applying KVL to the circuit, could something be said about Vc in relation to V1 and V2 (Vc is the voltage across the 8µF capacitor)? Looking at several different routes, I think I found a result that would massively simplify this problem.

Could be! :wink:
 


I'm not exactly sure how to apply KVL to the circuit because there's no voltage source.
 
  • #10


PwnagePanda said:
I'm not exactly sure how to apply KVL to the circuit because there's no voltage source.

For purposes of analysis it's perfectly acceptable to add one as long as it doesn't change the results. You can assume a voltage Vab is applied across terminals a and b. It won't change the impedance.
 

Similar threads

  • · Replies 4 ·
Replies
4
Views
6K
  • · Replies 11 ·
Replies
11
Views
3K
  • · Replies 12 ·
Replies
12
Views
2K
  • · Replies 67 ·
3
Replies
67
Views
13K
  • · Replies 19 ·
Replies
19
Views
2K
Replies
5
Views
1K
  • · Replies 12 ·
Replies
12
Views
8K
  • · Replies 7 ·
Replies
7
Views
3K
Replies
4
Views
1K
  • · Replies 1 ·
Replies
1
Views
4K