Find Current in 3-Phase System Using Millman's Theorem?

Click For Summary

Homework Help Overview

The discussion revolves around finding the current in a three-phase electrical system using Millman's Theorem. Participants explore the implications of phase differences and the application of various circuit analysis methods, including Thevenin's theorem.

Discussion Character

  • Exploratory, Conceptual clarification, Mathematical reasoning, Problem interpretation, Assumption checking

Approaches and Questions Raised

  • Participants discuss the use of Millman's Theorem and Thevenin's theorem, questioning when it is appropriate to apply these methods. There are attempts to clarify the relationship between line voltages and currents, particularly regarding their phases and magnitudes.

Discussion Status

Several participants provide insights into the complexity of the problem, noting the importance of considering phase relationships and the implications of the neutral line in the circuit. There is an ongoing exploration of different approaches, with some participants suggesting that the original poster's initial method may still yield a valid result.

Contextual Notes

Participants note that the line-to-line voltage is given as 400V, which leads to further discussions about the corresponding line-to-neutral voltage and its implications for the calculations. There is also mention of the need to clarify the definitions and assumptions regarding voltage and phase angles.

crom1
Messages
57
Reaction score
1

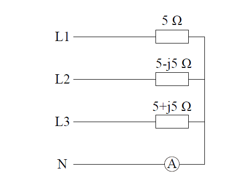
Homework Statement


Find the current measured by Ammeter .
zad2.png

Homework Equations


$$ U_f=\frac{U_l}{\sqrt{3}} $$, Millman's theorem ...

The Attempt at a Solution

[/B]
I know I can't just find U_f, divide it with impedance, and add all three currents (I am not 100% sure why I can't do that, can someone explain when can I do just that, and when exactly is forbidden?)
My first idea was to find U_f, find U_{0'0} (with Millman's theorem), subtract those two, and then find current for every phase, add them up and that's it.
However, after trying something else, I found that finding U_{0'0} , and then evaulating
$$ U_{0'0}\cdot (\frac{1}{Z_1}+\frac{1}{Z_2}+\frac{1}{Z_3}) \approx 60 $$

gives correct solution.
Can someone explain why , because it doesn't make any sense to me.
Point 0' is where where 3 lines L1,L2,L3 meet
 
Physics news on Phys.org
The individual currents will not be in phase since each of the line voltages, while having the same magnitude, have different phases with respect to each other. So you can't simply add the current magnitudes.

Now, thinking of Millman's Theorem was an interesting idea, but consider that you're not looking for the voltage at the end of a set of parallel branches here. The Neutral line effectively shorts your branches. Further, the voltage sources are not in phase so you can't just use their magnitudes. Here's your circuit with the implied voltage sources, including their return path via the neutral line:

upload_2016-1-27_17-22-5.png


I suppose you might use Millman's Theorem as a step in finding a Thevenin equivalent voltage with the neutral open, then find the short circuit current. But you'll still need to incorporate the phases of the voltage sources somehow.
 
  • Like
Likes   Reactions: crom1
For the first one, I wasn't thinking of adding their effective values. I meant $$ \frac{U1 \angle 0}{Z1}+ \frac{U2 \angle -120}{Z2}+\frac{U3 \angle -240}{Z3}$$, and looking at your diagram, I would do just that. I do get around 63, which is the closest to correct solution,although the given answers are 40,50,60,70,80.
I forgot to mention that U_{l} = 400V and that makes U_f= 231 V

Should I use Thevenin theorem instead?

EDIT: I do get the same with thevenin's theorem.
 
Last edited:
I think your first solution is fine and that you need to choose the closest match from the solutions. The Thevenin method should give you the same results.
 
  • Like
Likes   Reactions: crom1
Not an area I know, but from a little reading I think you might be making this more complicated than it is.
##V=400e^{j\omega t}## (defining t such that the phase is 0), right?
In those terms, ##I=\Sigma \frac V{Z_r}##. Isn't that easy to evaluate?
I believe that gives one of the offered solutions exactly.
 
haruspex said:
Not an area I know, but from a little reading I think you might be making this more complicated than it is.
##V=400e^{j\omega t}## (defining t such that the phase is 0), right?
In those terms, ##I=\Sigma \frac V{Z_r}##. Isn't that easy to evaluate?
I believe that gives one of the offered solutions exactly.
I'm not sure what your V represents, or how t is being chosen.

The 400V value that the OP provided should be the line-to-line voltage magnitude (So, |L2 - L1| = |L3 - L2| = |L3 - L1| = 400V). For the star configuration for the sources that I drew, that gives each voltage source the magnitude of 400V/√3, with relative phases of 120° between each.
 
gneill said:
I'm not sure what your V represents, or how t is being chosen.

The 400V value that the OP provided should be the line-to-line voltage magnitude (So, |L2 - L1| = |L3 - L2| = |L3 - L1| = 400V). For the star configuration for the sources that I drew, that gives each voltage source the magnitude of 400V/√3, with relative phases of 120° between each.
Then I misunderstood what Voltage the 400 referred to, and I forgot to put back in the phases (whoops)
So writing v for amplitude of the line-to-neutral voltage, whatever that is, the current should be ##\Sigma \frac{ve^{j(\omega t+r\alpha)}}{Z_r}##, where ##\alpha=2\pi/3##. With v=400/√3, that agrees with the 63.
 

Similar threads

  • · Replies 8 ·
Replies
8
Views
3K
  • · Replies 11 ·
Replies
11
Views
2K
  • · Replies 1 ·
Replies
1
Views
2K
Replies
13
Views
4K
  • · Replies 26 ·
Replies
26
Views
4K
  • · Replies 14 ·
Replies
14
Views
3K
  • · Replies 33 ·
2
Replies
33
Views
4K
  • · Replies 5 ·
Replies
5
Views
10K
  • · Replies 2 ·
Replies
2
Views
2K
Replies
19
Views
3K