FPGA-Based System Design with Multiplexed Ring Oscillators

Click For Summary
SUMMARY

The discussion focuses on implementing a multiplexed ring oscillator system using FPGAs, specifically selecting between two asynchronous oscillators as clock sources. The key challenge is to ensure that the output states of both oscillators maintain their timing integrity during switching. The proposed solution involves using OR and AND gates to control the clock selection while ensuring that the first clock stops before the second clock is connected. The user emphasizes the necessity of testing and simulating the logic to validate its functionality.

PREREQUISITES
  • Understanding of FPGA architecture and design principles
  • Knowledge of ring oscillator functionality and characteristics
  • Familiarity with digital logic design, including OR and AND gates
  • Experience with asynchronous circuit design and clock management
NEXT STEPS
  • Research techniques for glitch-free clock switching in digital circuits
  • Explore FPGA design tools such as Xilinx Vivado or Intel Quartus
  • Learn about the simulation of asynchronous circuits using tools like ModelSim
  • Investigate the design and implementation of multiplexers in FPGA environments
USEFUL FOR

This discussion is beneficial for VLSI design students, FPGA developers, and engineers working on clock management in digital systems, particularly those interested in optimizing asynchronous circuit designs.

elayaraja
Messages
1
Reaction score
0
Hello Sir,
I am PG scholar in VLSI design.I am doing my project on FPGA based system in that i have to used ring oscillator.From number oscillator i need to choose two oscillator based on multiplexer.Can anyone tell me how it is?
 
Engineering news on Phys.org
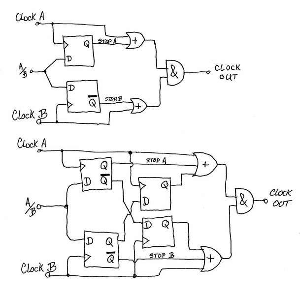
As I understand the question, you have two asynchronous oscillators and must dynamically select one of those two as the clock.

I assume both oscillators run continuously. When switching between two asynchronous oscillators you must guarantee that the time of the 0 and 1 states of the output are not reduced below that of either oscillator.

See attachment.
The upper diagram shows the theory of how to stop and hold the clocks when high, after the positive edge. The OR gates followed by the AND gate make the data selector controlled by A/B.

BUT, we must also make sure that the first clock has stopped before connecting the second clock. That requires more logic as shown in the second diagram.

I seem to remember something like this from the 1980s, but I cannot find my old documentation.
WARNING, I have not tested or simulated this logic. It may be wrong. You must test it.
 

Attachments

  • Clock selector.jpg
    Clock selector.jpg
    26.5 KB · Views: 468
Last edited:

Similar threads

  • · Replies 1 ·
Replies
1
Views
1K
  • · Replies 41 ·
2
Replies
41
Views
8K
  • · Replies 27 ·
Replies
27
Views
3K
  • · Replies 3 ·
Replies
3
Views
2K
Replies
17
Views
3K
  • · Replies 6 ·
Replies
6
Views
3K
  • · Replies 51 ·
2
Replies
51
Views
5K
Replies
5
Views
3K
  • · Replies 2 ·
Replies
2
Views
2K
  • · Replies 5 ·
Replies
5
Views
2K