Op-amp Oscillator Circuit Design (10-50 MHz)

Click For Summary

Discussion Overview

The discussion revolves around the design of an op-amp oscillator circuit capable of operating in the frequency range of 10-50 MHz. Participants explore various aspects of oscillator design, including component selection, feedback circuit configurations, and alternative approaches using CMOS technology.

Discussion Character

  • Exploratory
  • Technical explanation
  • Debate/contested
  • Mathematical reasoning

Main Points Raised

  • Some participants question the capability of the LM741 op-amp to oscillate at 10 MHz and suggest looking for more suitable, affordable op-amps.
  • There is a suggestion that op-amps are generally more suited for audio frequency oscillators, raising doubts about their effectiveness at higher frequencies.
  • One participant proposes using an unbuffered CMOS inverter gate with a crystal oscillator as an alternative, questioning the accuracy requirements for the project.
  • Another participant provides details on designing a parallel mode crystal oscillator circuit using the 74LVU04, including component values and configurations.
  • Participants discuss the need for accurate time bases for applications such as PLL phase detectors and frequency multipliers, emphasizing the importance of using crystal oscillators for these purposes.
  • There are references to specific feedback network designs for both non-inverting and inverting op-amp configurations, including the use of bandpass and lowpass filters.

Areas of Agreement / Disagreement

Participants express differing views on the suitability of op-amps for high-frequency oscillation, with some advocating for alternative components like CMOS inverters. The discussion remains unresolved regarding the best approach for the oscillator design, with multiple competing views presented.

Contextual Notes

Participants mention specific component values and configurations that may depend on particular circuit requirements, but these details are not universally agreed upon. The discussion includes assumptions about the capabilities of various components and their applicability to the proposed designs.

Who May Find This Useful

This discussion may be useful for beginners in electronics and RF design, particularly those interested in oscillator circuit design and component selection for high-frequency applications.

tadeh89
Messages
8
Reaction score
8
TL;DR
Hi everyone,

I have a good understanding of how an oscillator circuit is supposed to work, meaning zero phase shift and gain bigger than unity; however, I have not been able to make one work in practice. I am trying to utilize an LM741 op-amp. I have tried a colpitts circuit, but I will use any topology at this point just to see it work at this high of a frequency, 10-50MHz.
Questions:

1. Is LM741 capable of oscillating at 10MHz? If not, could you suggest me an affordable op-amp for this operation?
2. How likely am I, as a beginner to be able to design a zero phase shift feedback filter to use with a non-inverting op-amp circuit to create an oscillator?
3. If an inverting op-amp circuit is the way to go, how should I go about the feedback circuit? I have been trying to make a feedback circuit with low loss in the pass-band (-6dBish), and 180 degrees phase shift, but I can't get both of them at the same time. At best, I was able to get -13dB loss and 180 degrees phase shift, but I am unsure if my op-amp gain can compensate for 13dB plus a little.

Please take a look at my simulation for the filter/feedback portion in ADS. (images forum1 and forum2 belong to the same simulation, forum 3 is independent)

Any help/input will be appreciated.

Thanks all!
 

Attachments

  • forum1.PNG
    forum1.PNG
    6.9 KB · Views: 281
  • forum2.PNG
    forum2.PNG
    14.9 KB · Views: 300
  • forum3.PNG
    forum3.PNG
    17.1 KB · Views: 284
Engineering news on Phys.org
Yeah, 10-50MHz is way too fast for a typical opamp oscillator, IMO. Opamps are more for audio frequency oscillators.

What accuracy do you need from this oscillator? Can you just use an unbuffered CMOS inverter gate and a crystal in either parallel or series oscillation mode? What does this oscillator feed?
 
berkeman said:
Yeah, 10-50MHz is way too fast for a typical opamp oscillator, IMO. Opamps are more for audio frequency oscillators.

What accuracy do you need from this oscillator? Can you just use an unbuffered CMOS inverter gate and a crystal in either parallel or series oscillation mode? What does this oscillator feed?

Thanks you for responding.

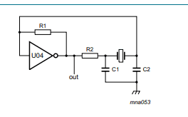
It does not need to be very accurate, at least for now, as it is my weekend project., but what would be the next step sort of design for a more accurate frequency? Your comment lead me to the datasheet for 74LVU04.
1587147478820.png


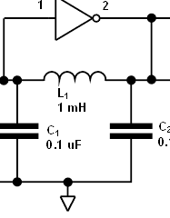
Is this what you have in mind? If yes, then is this considered series? And if I wanted to try the crystal in parallel, I would have to have two inductors in series, and the crystal in shunt? I apologize if I don't make any sense.

I will use this oscillator for different purposes, such as referencing a PLL phase detector, or to feed a frequency multiplier. I am a newbie in the RF field. I think I have a very basic understanding about all of the RF blocks, which really makes me want to design a cheap version of each block at home to better my understanding.

Thanks for your help
 

Attachments

  • forum4.PNG
    forum4.PNG
    1.6 KB · Views: 249
tadeh89 said:
Your comment lead me to the datasheet for 74LVU04.
1587147478820-png.png


Is this what you have in mind?
Yes, that is the classic parallel mode circuit for a crystal oscillator. The crystal you choose will have a parallel resonant capacitance value associated with it in the datasheet (like 30pF for example), and you will choose the two caps shown in that diagram so that their series combination in parallel with the gate capacitance is close to that rated capacitance in the datasheet. R2 is typically a couple hundred Ohms, and R1 is 1Meg Ohm or similar. Keep the output loading on the U04 low, like have it feed only one other IC or use a buffer gate if you need to fan out the clock signal.

tadeh89 said:
I will use this oscillator for different purposes, such as referencing a PLL phase detector, or to feed a frequency multiplier.
For those applications you want an accurate time base, so using this crystal oscillator circuit is a good match.

BTW, I'm not familiar with the circuit that you show at the bottom of your post with the inductor across the gate.
 

Attachments

  • 1587147478820-png.png
    1587147478820-png.png
    1.7 KB · Views: 255
Last edited:
I will get on it and I will update with the results. Thanks again for your help!
 
  • Like
Likes   Reactions: berkeman
tadeh89 said:
2. How likely am I, as a beginner to be able to design a zero phase shift feedback filter to use with a non-inverting op-amp circuit to create an oscillator?
3. If an inverting op-amp circuit is the way to go, how should I go about the feedback circuit?

* For a non-inverting amplifier the feedback network is, in most cases, a bandpass (RC-CR or RLC) which has zero phase shift at the mid-frequency (Example: WIEN oscillator)
* For an inverting amplifier , in most cases we are using a third-order lowpass or highpass (Example: Phase-shift oscillator) or - as a very useful modification - a second-order lowpass with an inverting MILLER integrator (instead of an amplifier)
 

Similar threads

Replies
9
Views
8K
  • · Replies 3 ·
Replies
3
Views
2K
  • · Replies 6 ·
Replies
6
Views
3K
  • · Replies 9 ·
Replies
9
Views
5K
  • · Replies 27 ·
Replies
27
Views
3K
  • · Replies 21 ·
Replies
21
Views
3K
  • · Replies 6 ·
Replies
6
Views
2K
  • · Replies 6 ·
Replies
6
Views
2K
Replies
34
Views
4K
  • · Replies 15 ·
Replies
15
Views
6K