How Can You Maximize Gain in Ideal Op-Amps?

  • Thread starter Thread starter Cocoleia
  • Start date Start date
  • Tags Tags
    Gain
Click For Summary

Homework Help Overview

The discussion revolves around determining the gain in a circuit involving ideal operational amplifiers (op-amps). Participants are exploring the implications of infinite gain in ideal op-amps and how feedback affects the overall gain of the circuit.

Discussion Character

  • Exploratory, Conceptual clarification, Assumption checking

Approaches and Questions Raised

  • Participants are attempting to calculate gain using the formula Vo/Vs and questioning the logic behind arriving at Vs being zero. There are discussions about writing KCL equations and simplifying the resistor network before proceeding with calculations.

Discussion Status

Some participants have provided guidance on simplifying the circuit and have pointed out the importance of feedback in determining the gain. There is an ongoing exploration of circuit behavior and the implications of infinite gain without reaching a consensus on the specific calculations needed.

Contextual Notes

Participants are navigating the complexities of circuit analysis with ideal op-amps, including the role of feedback and the assumptions made about input and output relationships. There is mention of potential confusion due to the original poster's approach to solving for Vs as a dependent variable.

Cocoleia
Messages
293
Reaction score
4

Homework Statement


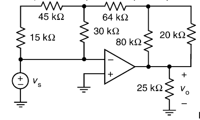
upload_2017-1-25_12-11-49.png

I need to find the gain in this question.

Homework Equations

The Attempt at a Solution


I know gain will be Vo/Vs. I did many calculations to end up with Vs being 0. Would this be logical? I know ideal op amps will have infinite voltage gain, so if you divide by 0 then it will go towards infinity? So I'm not sure if that would be correct for this question.
 
Physics news on Phys.org
Cocoleia said:

Homework Statement


View attachment 112102
I need to find the gain in this question.

Homework Equations

The Attempt at a Solution


I know gain will be Vo/Vs. I did many calculations to end up with Vs being 0. Would this be logical? I know ideal op amps will have infinite voltage gain, so if you divide by 0 then it will go towards infinity? So I'm not sure if that would be correct for this question.
You should find Vo/Vs as you say, you don't "find" Vs.

Write the KCL equations for the nodes, and use the properties of an ideal opamp to help simplify the problem. Please show us the KCL equations, and your work toward solving them. :smile:
 
berkeman said:
You should find Vo/Vs as you say, you don't "find" Vs.

Write the KCL equations for the nodes, and use the properties of an ideal opamp to help simplify the problem. Please show us the KCL equations, and your work toward solving them. :smile:
upload_2017-1-25_12-25-16.png


upload_2017-1-25_12-25-42.png


I'm not really sure what to do in these problems but that was what I tried
 
Sorry, I'm not able to read that. Can you try scanning the pages to see if they are more readable that way?
 
You might want to simplify the resistor network first, since it looks like there are parallel and series opportunities to exploit. You'll have fewer nodes and equations that way!
 
Can I suggest you take a good look at the circuit and see it you can simplify it before starting with equations.

Oh bother gneil beat me too it.
 
CWatters said:
Can I suggest you take a good look at the circuit and see it you can simplify it before starting with equations.

Oh bother gneil beat me too it.
Ok, I will try to simplify that first. But do I have the right idea, would I use the same methods once I simplify?
 
Cocoleia said:
Ok, I will try to simplify that first. But do I have the right idea, would I use the same methods once I simplify?
Let's see your reduced circuit first. It may not be worth writing equations for it :wink:
 
gneill said:
Let's see your reduced circuit first. It may not be worth writing equations for it :wink:
upload_2017-1-25_20-50-3.png
 
  • #10
Looks like you can still simplify it a bit more.
 
  • #11
gneill said:
Looks like you can still simplify it a bit more.
upload_2017-1-25_21-3-35.png
 
  • #12
No, you've lost the path from the output to the "-" input. When you combined the 60 kΩ and 30 kΩ, the resulting 20 kΩ should still be connected to the 80 kΩ resistor.
 
  • #13
gneill said:
No, you've lost the path from the output to the "-" input. When you combined the 60 kΩ and 30 kΩ, the resulting 20 kΩ should still be connected to the 80 kΩ resistor.
upload_2017-1-25_21-27-40.png


like this? I don't know how to connect the op amp. After do I write equations?
 
  • #14
The 80 kΩ and 20 kΩ resistors are in series and can be reduced to a single 100 kΩ resistor. But the circuit layout is fine. The op-amp is connected as it was in the original circuit and will behave the same.

You should be able to spot the problem with this circuit without writing any equations, and in fact you were on the right track in your early posts where you recognized that the magnitude of the gain would be the full gain of the ideal op-amp (infinite).
 
  • #15
gneill said:
The 80 kΩ and 20 kΩ resistors are in series and can be reduced to a single 100 kΩ resistor. But the circuit layout is fine. The op-amp is connected as it was in the original circuit and will behave the same.

You should be able to spot the problem with this circuit without writing any equations, and in fact you were on the right track in your early posts where you recognized that the magnitude of the gain would be the full gain of the ideal op-amp (infinite).
I'm not sure what the problem is.

Is what I did in my first posts correct or completely wrong?
 
  • #16
Cocoleia said:
I'm not sure what the problem is.
Ask yourself if there is any effective feedback that will limit the gain of the circuit. Can any amount of current fed back from the output through the 100 kΩ change the voltages that the op-amp sees at its inputs?
Is what I did in my first posts correct or completely wrong?
It was a bit off track since you were solving for Vs, which should be an independent variable and not dependent on the circuit operation. It's an input. However, you did recognize that there was some kind of problem since it appeared that infinities were springing up.
 
  • #17
gneill said:
Ask yourself if there is any effective feedback that will limit the gain of the circuit. Can any amount of current fed back from the output through the 100 kΩ change the voltages that the op-amp sees at its inputs?

It was a bit off track since you were solving for Vs, which should be an independent variable and not dependent on the circuit operation. It's an input. However, you did recognize that there was some kind of problem since it appeared that infinities were springing up.
Isn't the current entering the op amp supposed to be 0A? for both inputs
 
  • #18
Cocoleia said:
Isn't the current entering the op amp supposed to be 0A? for both inputs
Yes, but feedback is supposed to cause changes in potential differences on components leading to those inputs. Can any amount of current through the "feedback" path make any difference in the potentials at the op-amp inputs in this circuit?
 
  • #19
gneill said:
Yes, but feedback is supposed to cause changes in potential differences on components leading to those inputs. Can any amount of current through the "feedback" path make any difference in the potentials at the op-amp inputs in this circuit?
If it is too big? I'm not sure I understand, my professor never mentioned feedback in his notes.
 
  • #20
Cocoleia said:
If it is too big? I'm not sure I understand, my professor never mentioned feedback in his notes.
Feedback is what sets the gain of an op-amp circuit. The so-called open-loop gain of an (ideal) op-amp is infinite. Feedback "closes the loop" and controls the overall gain of the circuit, limiting it to some finite value.

Effectively in this circuit the 100 kΩ resistor does nothing to control the op-amp's gain.
 
  • #21
gneill said:
Feedback is what sets the gain of an op-amp circuit. The so-called open-loop gain of an (ideal) op-amp is infinite. Feedback "closes the loop" and controls the overall gain of the circuit, limiting it to some finite value.

Effectively in this circuit the 100 kΩ resistor does nothing to control the op-amp's gain.
How can I explain that is going to be infinity in my answer ? How do I prove this, are there calculations etc ?
 
  • #22
Cocoleia said:
How can I explain that is going to be infinity in my answer ? How do I prove this, are there calculations etc ?
It's a property of the ideal op-amp. All you have to say is that the potential difference between the inputs is driven directly by Vs. Then refer to the relevant property of the ideal op-amp.
 
  • #23
gneill said:
It's a property of the ideal op-amp. All you have to say is that the potential difference between the inputs is driven directly by Vs. Then refer to the relevant property of the ideal op-amp.
Ok, thank you very much !
 

Similar threads

  • · Replies 1 ·
Replies
1
Views
1K
  • · Replies 10 ·
Replies
10
Views
2K
  • · Replies 14 ·
Replies
14
Views
2K
Replies
7
Views
7K
  • · Replies 2 ·
Replies
2
Views
3K
  • · Replies 7 ·
Replies
7
Views
2K
  • · Replies 5 ·
Replies
5
Views
1K
  • · Replies 9 ·
Replies
9
Views
4K
  • · Replies 8 ·
Replies
8
Views
4K
  • · Replies 7 ·
Replies
7
Views
2K