How Do I Measure Vo and Vi Across Frequencies from 1kHz to 100kHz?

  • Context: Engineering 
  • Thread starter Thread starter IronaSona
  • Start date Start date
  • Tags Tags
    Bandpass filter Filter
Click For Summary
SUMMARY

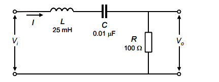
The discussion focuses on measuring the output voltage (Vo) and input voltage (Vi) across a frequency range of 1kHz to 100kHz using a voltage divider circuit. The specific components involved include a voltage source of 10V, an inductor (L) of 25mH, a capacitor (C) of 0.01uF, and a resistor (R) of 100 Ohms. The key takeaway is the need to calculate the transfer function, represented as ##\frac{V_o}{V_i}##, utilizing complex impedances to accurately determine Vo and Vi across the specified frequencies.

PREREQUISITES
  • Understanding of voltage divider circuits
  • Knowledge of complex impedance calculations
  • Familiarity with frequency response analysis
  • Basic proficiency in using mathematical tools for circuit analysis
NEXT STEPS
  • Calculate the transfer function ##\frac{V_o}{V_i}## for the given circuit components
  • Explore the concept of complex impedance in AC circuits
  • Learn how to use simulation software like LTspice for frequency response analysis
  • Study Bode plots to visualize the frequency response of the circuit
USEFUL FOR

This discussion is beneficial for electrical engineering students, circuit designers, and anyone involved in analyzing AC circuits and frequency response measurements.

IronaSona
Messages
38
Reaction score
7
Hello ,am posting this thread because i need help with 1Q , i was told by my tutor to measure Vo and Vi over the range of frequencies 1khz to 100khz , but i have no idea how to do that ,am not very good at maths and that's why i been really struggling to do it , i have tried doing it but am 100% that i have done it wrong .

Spec :
Voltage source =10V
L=25mH
C=0.01uF
R=100 Ohms

i have also attached calculations which i have done .

any help would be great )
 

Attachments

  • 123.PNG
    123.PNG
    2 KB · Views: 222
  • Capture.PNG
    Capture.PNG
    2.3 KB · Views: 233
Physics news on Phys.org
Welcome to PhysicsForums. :smile:

It looks like you are calculating the impedances, but they are asking for the transfer function ##\frac{V_o}{V_i}##

Can you work on calculating that transfer function (it's a voltage divider with the complex impedances used)...
 

Similar threads

  • · Replies 2 ·
Replies
2
Views
3K
Replies
20
Views
7K
  • · Replies 3 ·
Replies
3
Views
4K
Replies
3
Views
4K
  • · Replies 3 ·
Replies
3
Views
3K
  • · Replies 0 ·
Replies
0
Views
2K
Replies
8
Views
3K
  • · Replies 29 ·
Replies
29
Views
5K
  • · Replies 2 ·
Replies
2
Views
10K
Replies
3
Views
31K