Is My Solution for the Kirchov's Current Law Differential Equation Correct?

  • Thread starter Thread starter Alex Katko
  • Start date Start date
  • Tags Tags
    Current Law
Click For Summary

Homework Help Overview

The discussion revolves around applying Kirchov’s Current Law (KCL) to derive a differential equation for the membrane voltage (Vm) in a circuit context. Participants are exploring the implications of their setups and calculations regarding the behavior of Vm over time, particularly as it approaches infinity.

Discussion Character

  • Exploratory, Conceptual clarification, Mathematical reasoning, Problem interpretation, Assumption checking

Approaches and Questions Raised

  • Participants discuss the formulation of the differential equation and the subsequent steps to solve it, including the use of integrating factors. Questions arise about the validity of the initial setup and the interpretation of circuit elements, particularly concerning the signs of voltages and the definitions of nodes.

Discussion Status

Some participants express confidence in the initial setup, while others question the assumptions made regarding the circuit configuration and the implications of negative voltage values. There is an ongoing exploration of the relationship between the derived equation and the expected physical behavior of the circuit, particularly at steady state.

Contextual Notes

Participants note potential confusion stemming from the circuit diagram, including the representation of voltage sources and the significance of dashed lines in the schematic. Additionally, the relevance of initial conditions and the provided experimental data is under scrutiny, with some participants suggesting alternative approaches to determine the unknown resistance (Rth).

Alex Katko
Messages
15
Reaction score
0

Homework Statement


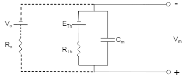
Using Kirchov’s Current Law (KCL) at the top node of the circuit, write the differential equation for the membrane voltage (Vm). Solve for Vm(t) symbolically,assuming that all other voltages, all resistances, and the capacitance are constant

Homework Equations


Current law (sum of currents at a node equals 0)

The Attempt at a Solution


I think after i set it up i would be able to solve the differential equation. What I have is:
Cm dVm/dt + (Vm-Eth)/Rth + (vm-Vc)/Rc = 0.

Let me know if I am on the right track
 

Attachments

  • Capture.PNG
    Capture.PNG
    1.9 KB · Views: 448
Physics news on Phys.org
Hi Alex. Yes, your work looks fine; You're on the right track.
 
Simplifying my setup gives me
dVm/dt + Vm(1/Rth + 1/Rc) = (Eth/Rth) + (Vc/Rc)

From here i use integrating factor to solve.
My integrating factor would be: u(t) = exp(((1/CmRth) + (1/CmRc))t)

Finishing some algebra, i get: Vm = (Rth + Rc)((Eth/Rth) + (Vc/Rc)) + Cexp(-((1/CmRth)+(1/cmRc))t)

Part B of the problem says: Solve for Vm at time, t = ∞. From this equation and the data for the long time point (t=1000s), solve for Rth. Your parameters from the experiment are Vc = -25mV, Rc =1.75kΩ, and ETh = -65mV. Vm(1000) = -43.9 mV

At t = ∞, the exponential term should drop off and i would be left with: Vm = (Rth + Rc)((Eth/Rth) + (Vc/Rc))
However, plugging in the values given to me gives me imaginary values for Rth.

I'm really struggling with this problem and have spent a long time on it. Any guidance is much appreciated. It's either a problem with the setup in the original post, or my math went wrong somewhere (through i went through the entire think 3 times)
 
I'm finding that the circuit definitions are a bit odd. For example, the two sources are shown with their negative terminals upwards and their specified potential differences are given as negative values. So really they are sources that are positive on top? Is this just meant to add confusion or is there some physical reason why the circuit is modeled in this way? Also Vm is defined on the diagram to be the potential at the bottom node with respect to the top node, yet you're asked to use the top node for writing the node equation. I'm wondering if there's a point to all this? What is the significance of the dashed lines for the Vc branch? Is this branch only connected at t = 0? This would have implications for the initial conditions of the circuit.
 
I too was confused on why all of the given voltages were negative. If it helps, there was a bit of information at the top of the page:

You are conducting a voltage clamp experiment on a cell in which all of the gated channels have been inactivated. The circuit model of the cell membrane and voltage clamp is given below, as well as the data of the membrane voltage measured over time

I think that it is okay that Vm is the difference between the top and bottom node. You can still use the top node to find Vm (because Vm shows up in the differential equation). Also, the dashed lines can be read as a solid line. The professor mentioned that he made them dashed lines just to show it's the voltage clamp and not the cell, but functionally it is a solid line. The branch is connected for all t.
 
Okay.

Going back to your differential equation solution, I think you need to revisit it. The units don't look right:
Alex Katko said:
Finishing some algebra, i get: Vm = (Rth + Rc)((Eth/Rth) + (Vc/Rc)) + Cexp(-((1/CmRth)+(1/cmRc))t)
Note that if C is a capacitance then you are equating volts to farads.
 
C was the constant that came out of my integration. I actually solved for C with the initial value V(0) = -64.3
C = -64.3 - (Rth+Rc)((Eth/Rth)+(Vc/Rc))
 
But the question asked me for what Vm is as t approaches infinity. So solving for C wasn't really necessary here because I believe that term should just go to 0
 
Alex Katko said:
C was the constant that came out of my integration. I actually solved for C with the initial value V(0) = -64.3
C = -64.3 - (Rth+Rc)((Eth/Rth)+(Vc/Rc))
I see. Where did this V(0) come from ? It wasn't mentioned previously.
 
  • #10
Yeah I should have mentioned it. There is a table of values, but i don't really see how they are useful, besides V(1000) which i gave to you and possibly V(0). I attached that table.
 

Attachments

  • Capture.PNG
    Capture.PNG
    3.1 KB · Views: 429
  • #11
Alright. Looks like output voltage readings taken from the moment that the "clamp" is applied.

Getting back to determining Rth then, my first instinct would be to use the steady state conditions to find it, bypassing the differential equation entirely. Remove the capacitor (since at steady state its current will be zero) and find an expression for the output voltage. Equate it to the given Vm for t = 1000s. You should not run into any square roots doing it this way.
 
  • #12
I thought of doing something like this, but i felt the instructions sortof implied i was supposed to use the solved differential equation to find this. And if my solution to the equation is correct, then it should give me the right value for Rth. Assuming the equation is correct, am i right to say that the exponential term would drop off, leaving only Vm = (Rth + Rc)((Eth/Rth) + (Vc/Rc))? If so, solving for Rth gives imaginary values, witch means my solution is incorrect. Part A (solving for Vm at any time t) was worth almost all of the credit, so i am trying to focus my efforts in seeing what i did wrong.
 

Similar threads

  • · Replies 10 ·
Replies
10
Views
4K
  • · Replies 8 ·
Replies
8
Views
3K
  • · Replies 4 ·
Replies
4
Views
4K
  • · Replies 9 ·
Replies
9
Views
4K
  • · Replies 6 ·
Replies
6
Views
3K
Replies
4
Views
3K
  • · Replies 12 ·
Replies
12
Views
3K
Replies
2
Views
3K
  • · Replies 6 ·
Replies
6
Views
3K
Replies
11
Views
3K