Laws of Multi-Terminal Components

  • Thread starter Thread starter amonraa
  • Start date Start date
  • Tags Tags
    Components Laws
Click For Summary

Discussion Overview

The discussion centers on the application of Kirchhoff's Voltage Law (KVL), Kirchhoff's Current Law (KCL), and Ohm's Law to multi-terminal components, particularly in the context of transistor circuits such as common emitter configurations. Participants explore the complexities and limitations of these laws when extended beyond simple two-terminal elements.

Discussion Character

  • Debate/contested
  • Technical explanation
  • Mathematical reasoning

Main Points Raised

  • Some participants question how KCL applies to various junctions, including multi-terminal elements, and whether KVL can be used in loops with such components.
  • One participant suggests looking into H-parameters and two-port network theory as a means to address the complexities of multi-terminal components.
  • Another participant asserts that fundamental laws hold in multi-terminal components but acknowledges that their application is not straightforward.
  • Some participants express skepticism about the straightforward application of KVL, KCL, and Ohm's Law to multi-terminal components, suggesting that these laws require certain conditions to be valid.
  • A participant describes using small-signal models to simplify analysis of transistor circuits, indicating that while basic laws apply, they must be adapted for complex devices.
  • There is a discussion about the behavior of the collector-emitter junction in a transistor, with some arguing that it behaves like a constant current source, complicating the use of Ohm's Law.
  • Participants debate the validity of using voltage and impedance measurements to derive current in multi-terminal components, with differing views on whether this approach is applicable.
  • Some participants highlight the importance of KCL in transistor circuits, noting that the emitter current is the sum of the base and collector currents.
  • There is contention regarding the applicability of dynamic resistance concepts in the context of BJTs operating in active regions.

Areas of Agreement / Disagreement

Participants generally do not reach consensus on the applicability of KVL, KCL, and Ohm's Law to multi-terminal components. Multiple competing views remain regarding the conditions under which these laws can be applied, particularly in the context of transistors.

Contextual Notes

Limitations include the need for specific conditions for the application of KVL, KCL, and Ohm's Law to multi-terminal components, as well as the potential for approximations in complex circuits. The discussion also highlights the challenges in defining resistance in active elements like transistors.

amonraa
Messages
17
Reaction score
0
Hi all,

I know about Kirchhoff's voltage and current laws when it comes to simple circuits with two-terminal elements and junctions/nodes of branches. However I'm curious how KVL and KCL are applicable to multi-terminal elements? Does KCL apply to any junction of branches no matter what that junction is, an element/black box/IC/simple node? How does KVL apply to loops with multi-terminal elements?
Does Ohm's law or element law hold true for multi-terminal elements? For instance a transistor in simple common emitter configuration, if we apply KVL to the collector-emitter loop to calculate the Vce (voltage between collector and emitter) can we dvide this voltage by the resistance measured between the collector-emitter terminals to find the current? And if so which current would this be, the collector currant or the emitter?

Thanks.
 
Engineering news on Phys.org
As I expected, KVL, KCL, and Ohm's Law don't apply nicely to multi-terminal components, we need to convert the circuit to a form of multi-port network with some restrictions.

Thanks! :-)
 
All fundamentals laws holds in multi-terminal components as well as in common emitter.
 
I doubt it...after reading about the transistor circuits and 2-port network. True they hold but under certain considerations. So what I concluded it's not as easy as you would treat a two-terminal element.
 
Well you simply don't understand why we use and why we "created" 2-port network theory and small-signal models.
We simply replace a transistor with his small-signal representation the model. And next we use KVC and KCL and ohms law to analysis this small signal model. But the basic laws always hold. And we use this small-signal model to simplify our calculations (we can use algebra only) we don't need to use a non-linear equation.

See this example of a common emitter amplifier.
attachment.php?attachmentid=60647&stc=1&d=1375455185.png

At first we bias the transistor in linear active region.
Next we connect the input signal 2V peak to peak AC signal.
The DC voltage at base is equal Vb=2.6V, and emitter dc-voltage is 2V.
So if we apply the ac signal to the base. The dc-voltage will be change from 2.6V + 1V = 3.6V and 2.6V - 1V = 1.6V. So the base voltage will change from 3.6V to 1.6V in "rhythm" of a ac input signal.
These changes will result that the emitter voltage will also change. From 3V to 1V. This will result the change in emitter and in collector current by (3V) 0.9mA to 0.3mA (1V). And this change in collector current will cause change in VRc voltage, between 9V to 3V. We have a three times larger change in VRc voltage because Rc is three times larger then Re resistor.

And as you can see I can use a Ohm's law to find all the current in this circuit.
And for any circuit we can use this basic law of electricity to find all what we need.
 

Attachments

  • 43.PNG
    43.PNG
    9 KB · Views: 2,220
Last edited:
You are right but I mean the 2-port network is to model a complex device (multi-terminal which is not a multi-port network we modeled) into an equivalent circuit that uses 2-terminal components so that we can use these laws consistently.
 
Can you give me a example of a "Multi-Terminal Components" or circuit? Because I am very curious why you think that these basic law of electricity don't "work" in "Multi-Terminal Components".

I give you another example. I will use nodal analysis which is nothing more than a KCL.

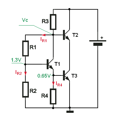
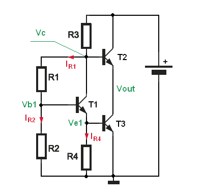
attachment.php?attachmentid=60648&stc=1&d=1375460997.png


So for the Vc node we can write

IR3 = IR1 + Ib2 + Ic1

(Vcc - Vc)/R3 = (Vc - Vb1)/R1 + Ic1 + Ib2

Now KCL for Vb1 node

IR1 = IR2 + Ib

(Vc - Vb1)/R1 = Vb1/R2 + Ib1

And finally KCL for Ve1 node.

IR4 = Ie1 - Ib3

Ve1/R4 = Ie1 - Ib3

And additional equation for BJT

attachment.php?attachmentid=60649&stc=1&d=1375461518.png


And next we need to use some numerical methods to solve the nonlinear equations.
I use a Mathematica software.
attachment.php?attachmentid=60650&stc=1&d=1375461741.png


To be able to use algebra we are force to use some simplification and replace the BJT with his linear model.
 

Attachments

  • 27.png
    27.png
    3.1 KB · Views: 485
  • 77.png
    77.png
    1.9 KB · Views: 490
  • 12.PNG
    12.PNG
    26.8 KB · Views: 503
For example If we assume Vbe = 0.65V and we ignore the transistors base current. We can solve for Vc quite easily. Just by assuming the Vbe voltage we already know the IR2, IR4 currents and Vb1 voltage.
attachment.php?attachmentid=60651&stc=1&d=1375462567.png


IR4 = Vbe/R4

IR2 = Vb1/R2 = 2Vbe/R2

And we can find Vc voltage

Vc = IR2*R2 + IR1*R1 = 2Vbe + (2Vbe/R2) * R1 = 2Vbe + 2Vbe * R1/R2 = 2Vbe* (1+R1/R2)

and Vout = Vc - Vbe
 

Attachments

  • 158.png
    158.png
    2.7 KB · Views: 513
  • #10
Measure the voltage between a C and E of a common-emitter npn transistor, can you divide this voltage by the impedance between the C and E to obtain current? which current?
 
  • #11
amonraa said:
Measure the voltage between a C and E of a common-emitter npn transistor, can you divide this voltage by the impedance between the C and E to obtain current? which current?
But we don't need to know collector-emitter impedance to obtain Ic current. Do you know that collector-emitter "junction" behaves just like a constant current source? So how can we obtain impedance of a current source?
Try to read this
https://www.physicsforums.com/showthread.php?p=4459025#post4459025
 
  • #12
Yeah I know I'm not trying to obtain the collector current, I just want to know what current that would be obtained from V[ce]/R[ce] if this even valid...you see my point where Ohm's law is not clearly applicable in this situation...
 
Last edited:
  • #13
But your example don't prove anything. This has nothing to do with the Ohm's law.
If transistor is in active region collector behaves as a constant current source independent of the collector voltage. So how can we speak about resistance of a current source?
We can only talk about static resistance , for a give Ic current and Vce voltage we can find static Rce resistance.
Rce = Vce/Ic or if we are dealing with the AC signals we can find dynamic resistance rce = ΔVce/ΔIc
 
  • Like
Likes   Reactions: 1 person
  • #14
You are clearly missing the point. I = V/R, this is not applicable to any of transistor terminal pairs.
 
  • #15
Are you try to say that we cannot use this definition rce = ΔVce/ΔIc for a BJT working in a active region to find small-signal collector-emitter resistance?
 
  • #16
Exactly...but maybe I'm wrong I forgot a transistor it's an active element so we cannot apply Ohm's law.
Put it another way, three-terminal element there's no one current, since it's a junction not one branch.
 
Last edited:
  • #17
You are wrong, we use rce = ΔVce/ΔIc quite often and this dynamic output resistance from collector to emitter, represents the collector current source (control via base current) internal resistance. And also we can even measure it on the benchtop.
Also don't forget that KCL work for transistor. The emitter current is the sum of the base and collector current.
Ie = Ib + Ic.
 
  • #18
KCL and KVL yes, but not clear how to apply Ohm's law. I think your formula is an approximation for testing purposes or there's something inaccurate about it...never heard of R[ce], this is probably an approximation like the one I[c] ~= I[e] then we can talk about a current through an imaginary resistor "R[ce]" Try Ohms law on a 1000 pins IC and let me know what you find ;-)
 

Similar threads

  • · Replies 14 ·
Replies
14
Views
980
  • · Replies 3 ·
Replies
3
Views
2K
Replies
1
Views
2K
  • · Replies 5 ·
Replies
5
Views
4K
  • · Replies 11 ·
Replies
11
Views
2K
  • · Replies 4 ·
Replies
4
Views
3K
  • · Replies 5 ·
Replies
5
Views
3K
Replies
1
Views
2K
  • · Replies 15 ·
Replies
15
Views
8K
  • · Replies 5 ·
Replies
5
Views
2K