Multiple Source Transformations

Click For Summary
SUMMARY

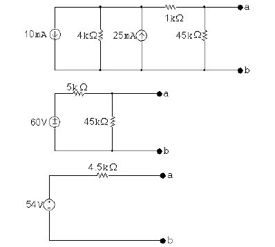
The discussion focuses on the process of source transformation in electrical circuits, specifically how to simplify a circuit containing a 10 mA current source and a 4 kΩ resistor into a 40 V voltage source in series with a 4 kΩ resistor. The user is confused about the application of Thevenin's theorem and the resultant current when combining multiple sources. The key takeaway is that understanding the direction and magnitude of current sources is crucial for accurate simplification of circuits.

PREREQUISITES
  • Understanding of source transformation techniques in circuit analysis
  • Familiarity with Thevenin's theorem and its application
  • Knowledge of circuit components such as resistors and current sources
  • Ability to analyze circuits with multiple sources and their interactions
NEXT STEPS
  • Study Thevenin's theorem in detail to understand its application in circuit simplification
  • Learn about superposition theorem for analyzing circuits with multiple sources
  • Practice source transformation problems involving both current and voltage sources
  • Explore advanced circuit analysis techniques using simulation tools like LTspice or Multisim
USEFUL FOR

Electrical engineering students, circuit designers, and anyone looking to deepen their understanding of circuit simplification techniques, particularly in the context of source transformations and Thevenin equivalents.

abcxyz123
Messages
5
Reaction score
0

Homework Statement


In the attached image, I'm confused on how the first circuit reduces to the second circuit.

Homework Equations


Is=Vs/R1

The Attempt at a Solution



I know that in order to do a source transformation that I need to have a current source in parallel with a resistor or a voltage source in series with a resistor, but in the attached image that comes from my textbook's solution manual, I'm not exactly sure how they simplified the first circuit to the second.

When I tried it, I thought that I could replace the 10 mA current source and 4 kohm resistor in parallel with a 40 V source and a 4 kohm resistor in series, and then the 4 kohm and 1 kohm resistors would be in series so they'd add up. But then, after I did that, I wasn't sure what to do with the 25 mA and how to simplify it to get it to look like that second circuit. Could someone please try to explain this? I'm taking an online class and my textbook doesn't have any complex examples like this for me to refer to. Thanks so much for your time!
 

Attachments

  • sourcetransformationexample.png
    sourcetransformationexample.png
    1.6 KB · Views: 496
Last edited:
Physics news on Phys.org
abcxyz123 said:

Homework Statement


In the attached image, I'm confused on how the first circuit reduces to the second circuit.

Homework Equations


Is=Vs/R1

The Attempt at a Solution



I know that in order to do a source transformation that I need to have a current source in parallel with a resistor or a voltage source in series with a resistor, but in the attached image that comes from my textbook's solution manual, I'm not exactly sure how they simplified the first circuit to the second.

When I tried it, I thought that I could replace the 10 mA current source and 4 kohm resistor in parallel with a 40 V source and a 4 kohm resistor in series, and then the 4 kohm and 1 kohm resistors would be in series so they'd add up. But then, after I did that, I wasn't sure what to do with the 25 mA and how to simplify it to get it to look like that second circuit. Could someone please try to explain this? I'm taking an online class and my textbook doesn't have any complex examples like this for me to refer to. Thanks so much for your time!
In this problem, you are supposed to reduce the given circuit to its Thevenin equivalent circuit viewed from the terminals a and b. Look up Thevenin's theorem. Source transformation is used as a tool here.
See the directions of the two current sources in parallel. What do you think about the magnitude and direction of their resultant current source? Which resistance(s) is(are) in parallel with that resultant current source?
 

Similar threads

  • · Replies 13 ·
Replies
13
Views
3K
  • · Replies 37 ·
2
Replies
37
Views
6K
  • · Replies 9 ·
Replies
9
Views
8K
Replies
15
Views
3K
  • · Replies 6 ·
Replies
6
Views
3K
  • · Replies 7 ·
Replies
7
Views
2K
  • · Replies 1 ·
Replies
1
Views
2K
  • · Replies 5 ·
Replies
5
Views
2K
  • · Replies 8 ·
Replies
8
Views
6K
  • · Replies 2 ·
Replies
2
Views
937