Why is the output voltage of the subtractor calculated like this?

  • Context: Engineering 
  • Thread starter Thread starter arhzz
  • Start date Start date
  • Tags Tags
    Output Voltage
Click For Summary

Discussion Overview

The discussion revolves around the calculation of output voltage in a subtractor operational amplifier circuit using superposition. Participants explore the implications of short-circuiting voltage sources and the resulting simplifications in the circuit analysis, focusing on the roles of resistors in the calculations.

Discussion Character

  • Technical explanation, Debate/contested, Homework-related, Mathematical reasoning

Main Points Raised

  • One participant describes their approach to finding the output voltage (Ua) using superposition, noting that all resistors are equal and expressing confusion over the application of resistor values in the calculations.
  • Another participant questions the derivation, suggesting that shorting other voltages does not eliminate the associated resistors from the circuit.
  • Some participants agree that the simplified circuit appears correct, asserting that resistors in series with shorted voltage sources will have 0V across them.
  • A participant expresses skepticism about the solution manual's correctness, advising against blindly trusting printed statements.
  • Another participant acknowledges their lack of experience with operational amplifiers, indicating that this is their first encounter with the topic in a homework context.

Areas of Agreement / Disagreement

There is disagreement regarding the interpretation of the circuit simplification and the role of resistors when applying superposition. Some participants support the initial participant's approach, while others challenge it, leading to an unresolved discussion.

Contextual Notes

Participants express uncertainty about the correctness of the solution manual and the implications of their circuit simplifications. There are indications of missing assumptions regarding the treatment of resistors in the context of short-circuiting voltage sources.

Who May Find This Useful

Students learning about operational amplifiers, particularly those encountering homework problems related to circuit analysis and superposition principles.

arhzz
Messages
284
Reaction score
58
Homework Statement
Find the output voltage
Relevant Equations
Circuit analysis
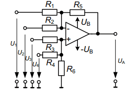
Hello! Consider this operational amplifier circuit,a subtractor to be more precise

sssss.png


I need to find the Ua (output voltage) using superposition; Now I dont have any values given for the resistors but that they are all the same (R1=R2=R3=R4=R5) so I just need to find the expressions.I've tried it like this. I let U1 be active and all of the other voltages get short circuited. When I simplify the circuit in that way I get a simple inverting operational amplifier that looks like this;

eeeee.png


By no means a pretty picture but I think it will suffice. So I get that Ua is simply ## U_{A} = -\frac{R5}{R1}U_1## And according to the solutions this is correct. Now I did the same thing for U2 and I get the same circuit (simplified) but the first resistor is R2 and not R2 so the voltage is ##U_{A} = -\frac{R5}{R2}U_2 ## But according to the solutions it shouldnt be the resistor R2 but rather the resistor R1

It states "Same circuit as for U1" and gives the same equation but with voltage U2. I do not understand this; how can it be the same resistor? If we put it on ground and give voltage to R2 how can we get the same circuit if we do it vice versa? I'd assume I am simplifying the circuit wrong,that is why I posted the second picture,is the simplified circuit correct?

Thanks in advance!
 
Physics news on Phys.org
I don't understand your derivation, having all other voltages shorted out doesn't mean all other resistors related to those voltages disappear accordingly.
 
The resistances in series with the shorted voltage sources will have 0V on both the terminals. So the simplified circuit looks correct to me.
 
cnh1995 said:
The resistances in series with the shorted voltage sources will have 0V on both the terminals. So the simplified circuit looks correct to me.
Yea that was my idea as well.
 
arhzz said:
Now I did the same thing for U2 and I get the same circuit (simplified) but the first resistor is R2 and not R2 so the voltage is ##U_{A} = -\frac{R5}{R2}U_2 ## But according to the solutions it shouldnt be the resistor R2 but rather the resistor R1
Is this the first time for you to find a wrong statement in a solution manual? You never should blindly follow any printed statements.
 
LvW said:
Is this the first time for you to find a wrong statement in a solution manual? You never should blindly follow any printed statements.
It is not the first time, but I have 0 experience with OP amps. We just learned it in this class and this is the first homework regarding OP amps so I assumed that I was at fault.
 

Similar threads

  • · Replies 1 ·
Replies
1
Views
3K
  • · Replies 3 ·
Replies
3
Views
2K
  • · Replies 8 ·
Replies
8
Views
2K
  • · Replies 34 ·
2
Replies
34
Views
6K
  • · Replies 8 ·
Replies
8
Views
3K
Replies
5
Views
4K
  • · Replies 15 ·
Replies
15
Views
3K
  • · Replies 12 ·
Replies
12
Views
2K
  • · Replies 16 ·
Replies
16
Views
2K
Replies
15
Views
3K